电脑桌面
添加小米粒文库到电脑桌面
安装后可以在桌面快捷访问

监理细则内容VIP免费

监理细则内容_第1页
1/18
监理细则内容_第2页
2/18
监理细则内容_第3页
3/18
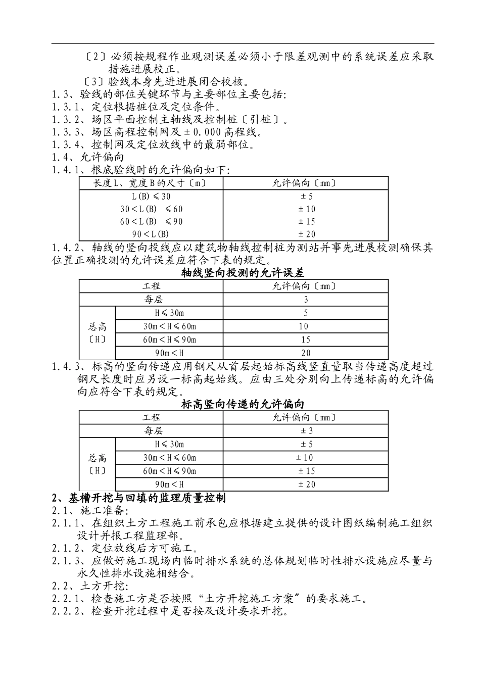
目录一、工程特点二、编制根据三、监理工作控制要点及目的值1、施工测量放线的监理质量控制2、基槽开挖与回填的监理质量控制3、钢筋工程的监理质量控制4、模板工程的监理质量控制5、混凝土工程的监理质量控制6、砌体工程的监理质量控制7、混凝土构造实体检验的监理质量控制8、门窗工程的监理质量控制9、地面工程的监理质量控制10、内外墙抹灰的监理质量控制11、防水工程的监理质量控制12、节能部分监理质量控制四、监理工作及措施五、监理工作流程一、工程的特点本工程根底形式采用条形筏板根底主体为砖混构造。屋面为彩钢板屋面。建立为新建住宅楼。工程抗震7度设防建筑二级耐火。工程总建筑面积12000m²共3栋建筑类型为民用建筑。钢筋采用HPB235、HRB335。砖为实心砖MU10红砖砌筑砂浆等级±0.00标高以下为M10水泥砂浆±0.00标高以上为一到二层M10混合砂浆二层到四层为M7.5混合砂浆五层以上为M5.0混合砂浆。混凝土强度等级为C10、C20、C30。外墙为370mm墙外贴60mm挤塑板粘贴外墙面砖。二、编制根据根据有关的合同及技术资料施工图纸、?建筑工程质量检验评定?各分部分项工程施工及验收?监理??监理规划?经审批的施工组织设计等。三、监理工作控制要点及目的值1、施工测量放线的监理质量控制1.1、做好施工测量前的准备工作阅读与校核图纸校测仪器及测量用具。1.2、测量验线工作的根本原那么1.2.1、验线工作应主动在施工的各主要阶段前均应对施工测量工作提出预防性的要求以做到防患于未然。1.2.2、验线的根据要原始、正确、有效的设计图纸、变更、洽商与起始点〔如红线桩、水位点等〕及数据〔如坐标、高程等〕必须是原始资料。1.2.3、仪器与钢尺必须按计量法有关规定进展检定和校验。1.2.4、验线的精度应符合要求主要包括:〔1〕仪器的精度应符合验线要求并校正完好。〔2〕必须按规程作业观测误差必须小于限差观测中的系统误差应采取措施进展校正。〔3〕验线本身先进进展闭合校核。1.3、验线的部位关键环节与主要部位主要包括:1.3.1、定位根据桩位及定位条件。1.3.2、场区平面控制主轴线及控制桩〔引桩〕。1.3.3、场区高程控制网及±0.000高程线。1.3.4、控制网及定位放线中的最弱部位。1.4、允许偏向1.4.1、根底验线时的允许偏向如下:长度L、宽度B的尺寸〔m〕允许偏向〔mm〕L(B)≤3030<L(B)≤6060<L(B)≤9090<L(B)±5±10±15±201.4.2、轴线的竖向投线应以建筑物轴线控制桩为测站并事先进展校测确保其位置正确投测的允许误差应符合下表的规定。轴线竖向投测的允许误差工程允许偏向〔mm〕每层3总高〔H〕H≤30m530m<H≤60m1060m<H≤90m1590m<H201.4.3、标高的竖向传递应用钢尺从首层起始标高线竖直量取当传递高度超过钢尺长度时应另设一标高起始线。应由三处分别向上传递标高的允许偏向应符合下表的规定。标高竖向传递的允许偏向工程允许偏向〔mm〕每层±3总高〔H〕H≤30m±530m<H≤60m±1060m<H≤90m±1590m<H±202、基槽开挖与回填的监理质量控制2.1、施工准备:2.1.1、在组织土方工程施工前承包应根据建立提供的设计图纸编制施工组织设计并报工程监理部。2.1.2、定位放线后方可施工。2.1.3、应做好施工现场内临时排水系统的总体规划临时性排水设施应尽量与永久性排水设施相结合。2.2、土方开挖:2.2.1、检查施工方是否按照“土方开挖施工方案的要求施工。〞2.2.2、检查开挖过程中是否按及设计要求开挖。2.2.3、考前须知:〔1〕根底开挖应尽量避开雨季进展。〔2〕间施工时应合理安排施工工程防止超挖;施工现场应根据需要安排照明设施。2.3、土方回填:2.3.1、填土前应对填土基底和已完成的的隐蔽工程进展检查和中间验收合格。2.3.2、应对基底清理干净对需要换填的地方进展换填。2.3.3、回填土应符合要求;土方回填要按要求进展回填。2.3.4、当挖土或填方施工完毕施工应进展自检自检合格后报送监理签认合格前方可进展下道工序的施工。3、钢筋工程的监理质量控制3.1、钢筋原材的质量控制:〔1〕审查承包报送的钢筋出厂质量证明书、检验如为复印件应加盖原件存放的公章注明原件存放处并有经办人签字和时间。〔2〕钢筋进入现场后监理工程师应对外观检查外观检查不符合要求...

1、当您付费下载文档后,您只拥有了使用权限,并不意味着购买了版权,文档只能用于自身使用,不得用于其他商业用途(如 [转卖]进行直接盈利或[编辑后售卖]进行间接盈利)。
2、本站所有内容均由合作方或网友上传,本站不对文档的完整性、权威性及其观点立场正确性做任何保证或承诺!文档内容仅供研究参考,付费前请自行鉴别。
3、如文档内容存在违规,或者侵犯商业秘密、侵犯著作权等,请点击“违规举报”。

碎片内容

监理细则内容

确认删除?
VIP
微信客服
  • 扫码咨询
会员Q群
  • 会员专属群点击这里加入QQ群
客服邮箱
回到顶部