电脑桌面
添加小米粒文库到电脑桌面
安装后可以在桌面快捷访问

贵州省高三化学一轮复习 第38讲 晶体结构教学案VIP免费

贵州省高三化学一轮复习 第38讲 晶体结构教学案_第1页
1/5
贵州省高三化学一轮复习 第38讲 晶体结构教学案_第2页
2/5
贵州省高三化学一轮复习 第38讲 晶体结构教学案_第3页
3/5
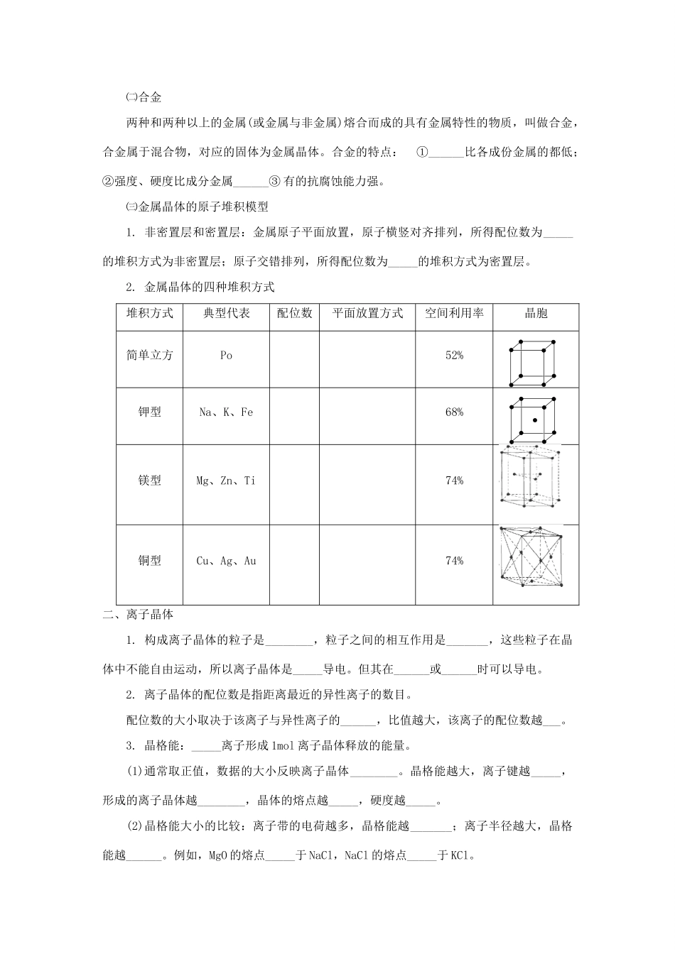
贵州省塞文实验学校高三化学一轮复习教学案第38讲:晶体结构【考试说明要求】1.知道金属晶体的基本堆积方式,了解常见金属晶体的晶胞结构特征(晶体内部空隙的识别、与晶胞的边长等晶体结构参数相关的计算不作要求。)2.了解NaCl型和CsCl型离子晶体的结构特征,能用晶格能解释典型离子化合物的物理性质。3.知道分子晶体的含义,了解分子间作用力的大小对物质某些物理性质的影响。4.了解原子晶体的特征,能描述金刚石、二氧化硅等原子晶体的结构与性质的关系。5.了解分子晶体与原子晶体、离子晶体、金属晶体的结构微粒、微粒间作用力的区别。【基础知识梳理】一、金属晶体㈠金属的通性1.由于金属晶体中存在大量的自由电子和金属离子(或原子)排列很紧密,使金属具有很多共同的性质。(1)状态:通常情况下,除________外都是固体。(2)金属光泽:多数金属具有光泽。但除Mg、Al、Cu、Au在粉末状态有光泽外,其他金属在块状时才表现出来。(3)易导电、导热:由于金属晶体中____________的运动,使金属易导电、导热。(4)延展性(5)熔点及硬度:由金属晶体中金属离子跟自由电子间的作用强弱决定。(6)金属除有共同的物理性质外,还具有各自的特性:①颜色:绝大多数金属都是________色,有少数金属具有颜色。如:Au呈金黄色,Cu呈紫红色,Cs为银白略带金色。②密度:与原子半径、原子相对质量、晶体质点排列的紧密程度有关。最重的为锇(Os),铂(Pt),最轻的为________。③熔点:最高的为________,最低的为________。④硬度:最硬的金属为________,最软的金属为铯(Cs),可用小刀切割。⑤导电性:导电性能强的为银(Ag),金(Au),铜(Cu)等,导电性能差的为汞(Hg)。⑥延展性:延展性最好的为金(Au),铝(Al)。㈡合金两种和两种以上的金属(或金属与非金属)熔合而成的具有金属特性的物质,叫做合金,合金属于混合物,对应的固体为金属晶体。合金的特点:①______比各成份金属的都低;②强度、硬度比成分金属______③有的抗腐蚀能力强。㈢金属晶体的原子堆积模型1.非密置层和密置层:金属原子平面放置,原子横竖对齐排列,所得配位数为_____的堆积方式为非密置层;原子交错排列,所得配位数为_____的堆积方式为密置层。2.金属晶体的四种堆积方式堆积方式典型代表配位数平面放置方式空间利用率晶胞简单立方Po52%钾型Na、K、Fe68%镁型Mg、Zn、Ti74%铜型Cu、Ag、Au74%二、离子晶体1.构成离子晶体的粒子是________,粒子之间的相互作用是_______,这些粒子在晶体中不能自由运动,所以离子晶体是_____导电。但其在______或______时可以导电。2.离子晶体的配位数是指距离最近的异性离子的数目。配位数的大小取决于该离子与异性离子的______,比值越大,该离子的配位数越___。3.晶格能:_____离子形成1mol离子晶体释放的能量。(1)通常取正值,数据的大小反映离子晶体________。晶格能越大,离子键越_____,形成的离子晶体越________,晶体的熔点越_____,硬度越_____。(2)晶格能大小的比较:离子带的电荷越多,晶格能越_______;离子半径越大,晶格能越______。例如,MgO的熔点_____于NaCl,NaCl的熔点_____于KCl。4.两种典型离子晶体的分析⑴NaCl晶体:晶胞中的1/8立方体中,Na+与Cl-分布于小立方体的面对角线上。同Na+(Cl-)最近的Cl-(Na+)有____个,即配位数是____;同Na+(Cl-)最近的Na+(Cl-)有____个。晶胞中的Na+、Cl-个数都是____个;如是晶胞中的1/8小立方体中,Na+与Cl-的数目都是_____个。⑵CsCl晶体:CS+(Cl-)分布于晶胞中的顶点(或体心)上。同Cs+(Cl-)最近的Cl-(Cs+)有_____个,即配位数是______;同Cs+(Cl-)最近的Cs+(Cl-)有______个。三、分子晶体1.分子晶体:由________构成的晶体叫分子晶体。构成粒子:________;晶体粒子间的作用:____________;所以分子晶体具有较_____的熔点和沸点。分子间作用力越大,分子晶体的熔、沸点越________。(1)由于构成分子晶体的粒子是分子,所以分子晶体的固体和熔融态的液体都________导电;但部分分子晶体能溶于水形成自由移动的________,就能导电。如液态硫酸_______导电,但硫酸水溶液________导电。(2)分子晶体的溶解性遵循“____________”原理,即极...

1、当您付费下载文档后,您只拥有了使用权限,并不意味着购买了版权,文档只能用于自身使用,不得用于其他商业用途(如 [转卖]进行直接盈利或[编辑后售卖]进行间接盈利)。
2、本站所有内容均由合作方或网友上传,本站不对文档的完整性、权威性及其观点立场正确性做任何保证或承诺!文档内容仅供研究参考,付费前请自行鉴别。
3、如文档内容存在违规,或者侵犯商业秘密、侵犯著作权等,请点击“违规举报”。

碎片内容

贵州省高三化学一轮复习 第38讲 晶体结构教学案

您可能关注的文档

确认删除?
VIP
微信客服
  • 扫码咨询
会员Q群
  • 会员专属群点击这里加入QQ群
客服邮箱
回到顶部