电脑桌面
添加小米粒文库到电脑桌面
安装后可以在桌面快捷访问

人工挖孔桩记录表格(全套)VIP专享VIP免费

人工挖孔桩记录表格(全套)_第1页
1/13
人工挖孔桩记录表格(全套)_第2页
2/13
人工挖孔桩记录表格(全套)_第3页
3/13
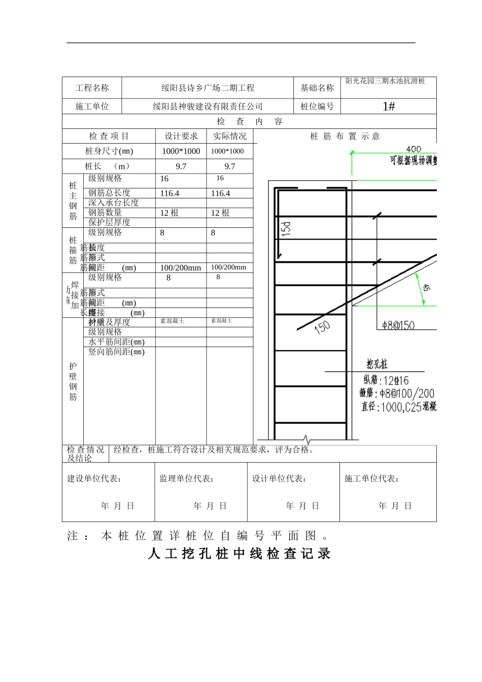
人工挖孔桩验槽检查记录工程名称绥阳县诗乡广场二期工程平面位置示意基础名称阳光花园三期水池抗滑桩桩位编号1#施工单位绥阳县神骏建设有限责任公司检查内容记录检查项目设计或验收要求实际检查情况桩身各土层地质构造示意桩身尺寸(㎜)1000*10001000*1000桩底尺寸(㎜)1000*10001000*1000桩底持力层要求桩端进入持力层深度(㎜)地下水位情况(m)桩位允差(㎜)≦50㎜桩孔垂直度﹤0.5%桩顶标高(m)桩底标高(m)检查情况及检查结论经检查,验收合格。参加验槽单位建设单位代表:年月日监理单位代表:年月日地质(勘察单位代表:年月日施工单位代表:年月日注:本桩位置详桩位自编号平面图。人工挖孔桩钢筋隐蔽检查记录注:本桩位置详桩位自编号平面图。人工挖孔桩中线检查记录工程名称绥阳县诗乡广场二期工程基础名称阳光花园三期水池抗滑桩施工单位绥阳县神骏建设有限责任公司桩位编号1#检查内容检查项目设计要求实际情况桩筋布置示意桩身尺寸(㎜)1000*10001000*1000桩长(m)9.79.7桩主钢筋级别规格1616钢筋总长度116.4116.4深入承台长度钢筋数量12根12根保护层厚度桩箍筋级别规格88箍筋长度箍筋形式箍筋间距(㎜)100/200mm100/200mm焊接加劲箍级别规格88箍筋形式箍筋间距(㎜)搭接焊长度(㎜)护壁钢筋护壁材质及厚度素混凝土素混凝土级别规格水平筋间距(㎜)竖向筋间距(㎜)检查情况及结论经检查,桩施工符合设计及相关规范要求,评为合格。建设单位代表:年月日监理单位代表:年月日设计单位代表:年月日施工单位代表:年月日注:本桩位置详桩位自编号平面图。工程名称桩号桩径㎜孔口标高设计桩顶标高检查日期年月日施工单位代表监理单位代表桩基施工记录(砼浇筑)工程名称桩孔验槽结论基础名称施工单位桩位编号施工记录桩径(D)MM桩孔全深(H)扩底最大直径MM孔壁材质及厚度桩孔验槽结论桩钢筋隐蔽检查结论桩芯砼设计强度等级设计其它要求砼设计配合比水泥细骨料粗骨料水外加剂1施工配合比砼原材料情况水泥品种及强度等级:复验结果:细骨料产地及品种:复验结果:细骨料产地及品种:复验结果:外加剂产地及品种:有效期:水质情况:首次使用配合比开盘鉴定结果浇筑时间塌落度气候情况天气搅拌方式运输方式气温浇筑厚度防止离析措施施工单位代表:年月日监理单位代表:年月日建设单位代表:年月日桩基施工记录(挖孔)工程名称绥阳县诗乡广场二期工程基础名称抗滑桩施工单位重庆伟太建筑工程有限公司桩位编号施工记录设计桩径(D)㎜孔中位移检查值㎜扩底最大直径㎜孔壁材质及厚度㎜日期挖孔深度(m)累计挖孔深度(m)护壁深度(m)累计护壁深度(m)土层情况备注桩孔验槽时间:桩孔验槽深度:M施工单位代表:检查人:监理单位代表:桩顶预埋件(螺栓)检查记录工程名称基础名称施工单检查位日期检查内容预埋件型号或编号:规格尺寸:设计标高:实际标高:平面位置:位移误差:㎜预埋螺栓型号或编号:螺栓数量与直径:螺顶设计标高:螺顶实测误差:(见实测记录)螺栓位置检查:(见实测记录)附图:检查意见:施工单位代表:年月日监理单位代表:年月日建设单位代表:年月日注:本表用于桩顶有预埋件、螺栓情况下人孔桩桩底土质验槽照片桩号:拍片人:贴照片处混凝土灌注桩(钢筋笼)工程检验批质量验收记录表GB50202-2002(Ⅰ)00单位(子单位)工程名称分部(子分部)工程名称验收部位施工单位项目经理分包单位分包项目经理施工执行标准名称及编号施工质量验收规范的规定施工单位检查评定记录监理(建设)单位验收记录主控1主筋间距(mm)±10项目2长度(mm)±100一般项目1钢筋材质检验设计要求2箍筋间距(mm)±203直径(mm)±10施工单位检查评定结果专业工长(施工员)施工班组长项目专业质量检查员:年月日监理(建设)单位验收结论专业监理工程师:(建设单位项目专业技术负责人):年月日混凝土灌注桩工程检验批质量验收记录表GB50202-2002(Ⅱ)0单位(子单位)工程名称分部(子分部)工程名称验收部位施工单位项目经理分包单位分包项目经理施工执行标准名称及编号施工质量验收规范的规定施工单位检查评定记录监理(建设)单位验收记录主控项目1桩位第5.1.4条2孔深(mm)+3003桩体质量...

1、当您付费下载文档后,您只拥有了使用权限,并不意味着购买了版权,文档只能用于自身使用,不得用于其他商业用途(如 [转卖]进行直接盈利或[编辑后售卖]进行间接盈利)。
2、本站所有内容均由合作方或网友上传,本站不对文档的完整性、权威性及其观点立场正确性做任何保证或承诺!文档内容仅供研究参考,付费前请自行鉴别。
3、如文档内容存在违规,或者侵犯商业秘密、侵犯著作权等,请点击“违规举报”。

碎片内容

人工挖孔桩记录表格(全套)

确认删除?
VIP
微信客服
  • 扫码咨询
会员Q群
  • 会员专属群点击这里加入QQ群
客服邮箱
回到顶部