电脑桌面
添加小米粒文库到电脑桌面
安装后可以在桌面快捷访问

劳动队伍实施计划及保证措施VIP免费

劳动队伍实施计划及保证措施_第1页
1/8
劳动队伍实施计划及保证措施_第2页
2/8
劳动队伍实施计划及保证措施_第3页
3/8
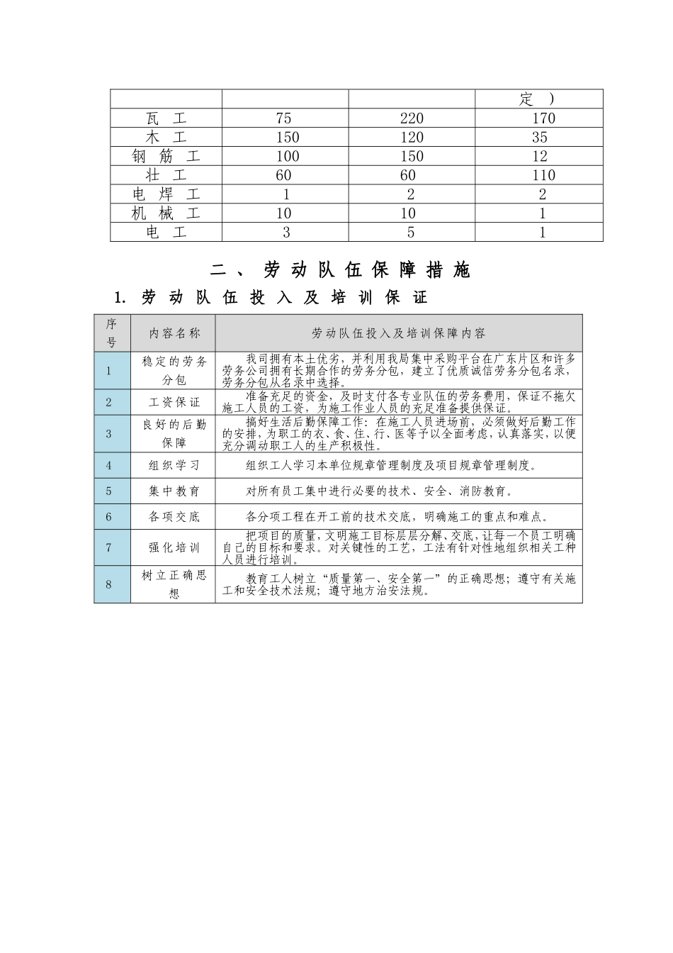
力高共和城西五期劳动队伍实施计划和保证措施安徽三建工程有限公司2013年7月23日劳动队伍实施计划及保证措施一、劳动队伍实施计划1.劳动队伍的选择进行劳动队伍的选择时应考虑以下因素:1)劳动队伍素质:为保证现场施工质量,需根据本工程的特点,选用素质较高、有类似工程施工经验的劳动队伍,并通过现场短期的培训不断提高劳动队伍的综合素质。2)劳动队伍数量:根据工程的规模和施工技术特性及进度安排,按比例配备一定数量的劳动队伍,以避免窝工,又不出现缺人现象,使得现有劳动队伍得以充分利用。3)劳动队伍组织形式:建立适合于本工程特点的精干、高效的劳动队伍组织形式,做到管理到位、人员调动灵活且能降低管理费用。4)根据本工程的特点结合我单位的实际情况,调遣具有较高施工技术水平和丰富施工经验的施工队。2.劳动力投入计划工种劳动力投入情况基础工程主体工程装饰装修(暂定)瓦工75220170木工15012035钢筋工10015012壮工6060110电焊工122机械工10101电工351二、劳动队伍保障措施1.劳动队伍投入及培训保证序号内容名称劳动队伍投入及培训保障内容1稳定的劳务分包我司拥有本土优劣,并利用我局集中采购平台在广东片区和许多劳务公司拥有长期合作的劳务分包,建立了优质诚信劳务分包名录,劳务分包从名录中选择。2工资保证准备充足的资金,及时支付各专业队伍的劳务费用,保证不拖欠施工人员的工资,为施工作业人员的充足准备提供保证。3良好的后勤保障搞好生活后勤保障工作:在施工人员进场前,必须做好后勤工作的安排,为职工的衣、食、住、行、医等予以全面考虑,认真落实,以便充分调动职工人的生产积极性。4组织学习组织工人学习本单位规章管理制度及项目规章管理制度。5集中教育对所有员工集中进行必要的技术、安全、消防教育。6各项交底各分项工程在开工前的技术交底,明确施工的重点和难点。7强化培训把项目的质量,文明施工目标层层分解、交底,让每一个员工明确自己的目标和要求。对关键性的工艺,工法有针对性地组织相关工种人员进行培训。8树立正确思想教育工人树立“质量第一、安全第一”的正确思想;遵守有关施工和安全技术法规;遵守地方治安法规。2.劳动队伍的考核1)所有入场的施工作业人员必须接受我单位组织的各专业内容考核,包括专业基础知识、专业安全知识等,合格后方可上岗作业,我单位将对所有施工作业人员建立考核登记档案和安全学习记录。2)特种施工作业人员必须持证上岗,如电工、焊工、塔吊司机等。3)施工作业人员录用标准为18~50岁的进行录用,18岁以下,50岁以上拒用。3.劳动队伍综合管理序号管理措施名称管理措施内容备注1集中管理本工程在整个施工过程中,;所有工人在同一生活区,分专业、分区域管理。2错开上班时间为保证工人能够及时上下班,现场可采取错开各工种上下班时间的方法,错开时间以半个小时为宜,避免同一时间上下班出现运输紧张或运力不足的情况。3避免疲劳作业按照中国建筑CI管理方法进行现场的文明施工确保民工的工作环境,根据《关于企业实行不定时工作制和综合计算工时工作制的审批办法》适当的调整工作和休息时间,确保民工不疲劳作业。4生活保障措施搞好生活后勤工作,为员工提供日常的衣、食、住、行、医服务及设施,认真落实,以充分调动职工生产积极性。5劳动合同加强劳务队伍与其劳动者签订劳动合同的监督,对未与劳务队伍签订劳动合同的劳动者禁止在施工现场从事施工活动。强制执行6专职分包管理建立施工管理作业人员劳务档案,记录人员身份证号、职业资格证书号、劳动合同编号以及业绩和信用等情况。专人专管序号管理措施名称管理措施内容备注7建立奖罚制度为调动现场劳动队伍的积极性,我单位在进场时将与劳动队伍签订现场施工奖罚协议书,从工期、质量、安全、文明施工等各个方面制定相应的奖罚措施,作到现场管理“有法可依”。8旁站式监督施工期间,现场技术人员对关键工序进行旁站式监督,劳动队伍的管理人员保证施工期间不离现场。夜间施工期间,安排现场值班表,保证现场24小时有管理人员在现场。4.劳动队伍的调配合理调配劳动队伍是保证施工进度的关键。我司将充分利用企业内部整体的劳...

1、当您付费下载文档后,您只拥有了使用权限,并不意味着购买了版权,文档只能用于自身使用,不得用于其他商业用途(如 [转卖]进行直接盈利或[编辑后售卖]进行间接盈利)。
2、本站所有内容均由合作方或网友上传,本站不对文档的完整性、权威性及其观点立场正确性做任何保证或承诺!文档内容仅供研究参考,付费前请自行鉴别。
3、如文档内容存在违规,或者侵犯商业秘密、侵犯著作权等,请点击“违规举报”。

碎片内容

劳动队伍实施计划及保证措施

您可能关注的文档

;绿洲书城+ 关注
实名认证
内容提供者

从事历史教学,热爱教育,高度负责。

确认删除?
VIP
微信客服
  • 扫码咨询
会员Q群
  • 会员专属群点击这里加入QQ群
客服邮箱
回到顶部