电脑桌面
添加小米粒文库到电脑桌面
安装后可以在桌面快捷访问

精益生产绩效考核管理办法VIP免费

精益生产绩效考核管理办法_第1页
1/14
精益生产绩效考核管理办法_第2页
2/14
精益生产绩效考核管理办法_第3页
3/14
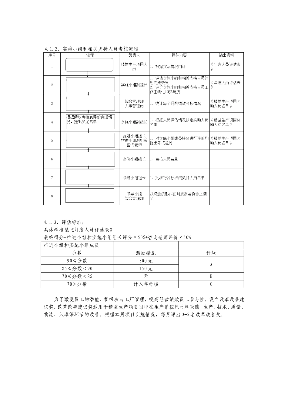
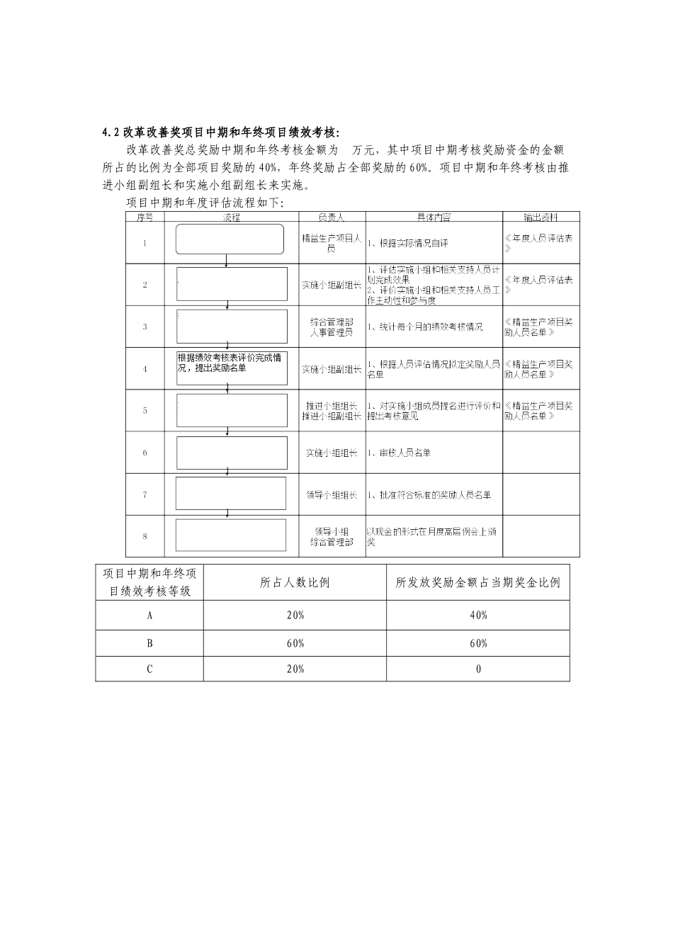
精益生产绩效考核管理办法1.目的激励推进小组、实施小组、项目支持人员、一线员工,充分调动积极性和主动性,保证项目的质量和进度要求,鼓励企业优秀人员参与培训师队伍当中。2.范围推进小组、实施小组、项目支持人员、培训师和一线员工。3.职责和权限3.1领导小组:对推进小组的工作进行评估和考核,审核推进小组评估实施小组的结果,提供相应奖励的资金。3.2推进小组:保证项目的正常开展,监督检查实施小组的工作质量和工作进度,指导实施小组项目的开展,协调各个部门的工作,评价实施小组和相关支持人员的工作。3.3实施小组:按照项目计划完成项目工作,及时向推进小组反馈项目中遇到的困难和问题。3.4相关支持人员:完成项目中的工作,支持实施小组完成项目工作。4.流程项目考核分成月度、项目中期和年度考核:激励人员包括:推进小组成员、实施小组成员、培训师和一般员工推进小组和实施小组的成员的月度奖励为“改革改善参与奖”,改革改善参与奖以现金的形式在高层会议中颁发。4.1改革改善月度奖考核:4.1.1、推进小组考核流程4.1.2、实施小组和相关支持人员考核流程4.1.3、评估标准:具体考核见《月度人员评估表》最终得分=推进小组和实施小组组长评分×50%+咨询老师评价×50%推进小组和实施小组成员分数激励措施评级90≤分数300元A85≤分数<90150元70≤分数<85无B70>分数计入年考核C为了激发员工的潜能,积极参与工厂管理,提高经营绩效员工参与性,设立改革改善建议奖。改革改善建议奖适用于精益生产项目当中在生产系统原材料采购、生产、技术、质量、物流、入库等环节的改善。根据本月项目实施情况,每月评出3-5名改革改善奖。4.2改革改善奖项目中期和年终项目绩效考核:改革改善奖总奖励中期和年终考核金额为万元,其中项目中期考核奖励资金的金额所占的比例为全部项目奖励的40%,年终奖励占全部奖励的60%。项目中期和年终考核由推进小组副组长和实施小组副组长来实施。项目中期和年度评估流程如下:项目中期和年终项目绩效考核等级所占人数比例所发放奖励金额占当期奖金比例A20%40%B60%60%C20%04.3改革改善建议奖的评审流程如下:相关注意事项:1、所有的合理化建议必须在完成后,才能给予奖励;2、完成后,须相关人员管确认以后,方可提交给调度;3、当合理化建议无法由个人完成需要其他人员或部门协助时,建议人领取的奖金占合理化奖励的70%,实施人占30%。4、其他部门提出过的合理化建议应用于本部门时,也属于本部门的合理化建议。5、本部门其他人提出的合理化建议,应用与本班组时,也属于合理化建议,在工段级评奖时只能评三等奖,且不能参与部门级优秀合理化建议的评奖。6、为提高激励的有效性,合理化建议奖金,在早会、工厂大会和公司级的奖励会上以现金的形式发放。4.4、中层干部年度考核:在中层干部和一般员工的年终考核当中分成A、B、C三个级别,项目中期考核的分数=∑每月项目考核分数/3;年度考核的分数=∑每月项目考核分数/6×70%+年底考核×30%,考核见《年度人员评估表》分数评级90≤分数A70≤分数<85B70>分数C绩效考核结果所占比例、中层干部当年的年薪和项目专项激励费用所占比例的发放数量如下表所示:年终考核等级所占人数比例所发放年薪金额A20%1.5倍年薪B60%1.2倍年薪C20%0.8倍年薪4.5、培训师的激励:培训师以兼职的形式开展,培训师在中高层干部、技术人员、调度组成,培训内容由改革改善办和相关培训师协商决定。对培训师的激励,以课酬的形式发放。每个课时的费用为50元,课酬=课时×每个课时的费用,课酬的发放以现金的形式发放。4.6一般员工的激励:1、一般员工在参与精益生产改制时,因为试线、划线、设备搬迁等时间当天的工资,按照参与精益生产改制时间的长短,除了生产工时以外,还享受试线补贴,试线、划线、物料设备搬迁等工作的试线补贴。试线时班组长、辅助人员的工资,除了获得试线当天平均工资以外,同样还享受试线补贴。2、因为精益生产的导入,使生产效率提升的,保证一线员工的每台车工时单价不变。3、因为岗位的调整使作业岗位的人员减少的,保证不会裁员,安排员工在公司内同工种的岗位工作。附表:

1、当您付费下载文档后,您只拥有了使用权限,并不意味着购买了版权,文档只能用于自身使用,不得用于其他商业用途(如 [转卖]进行直接盈利或[编辑后售卖]进行间接盈利)。
2、本站所有内容均由合作方或网友上传,本站不对文档的完整性、权威性及其观点立场正确性做任何保证或承诺!文档内容仅供研究参考,付费前请自行鉴别。
3、如文档内容存在违规,或者侵犯商业秘密、侵犯著作权等,请点击“违规举报”。

碎片内容

精益生产绩效考核管理办法

确认删除?
VIP
微信客服
  • 扫码咨询
会员Q群
  • 会员专属群点击这里加入QQ群
客服邮箱
回到顶部