电脑桌面
添加小米粒文库到电脑桌面
安装后可以在桌面快捷访问

全国高三化学第一次联考试题-人教版高三全册化学试题VIP免费

全国高三化学第一次联考试题-人教版高三全册化学试题_第1页
1/7
全国高三化学第一次联考试题-人教版高三全册化学试题_第2页
2/7
全国高三化学第一次联考试题-人教版高三全册化学试题_第3页
3/7
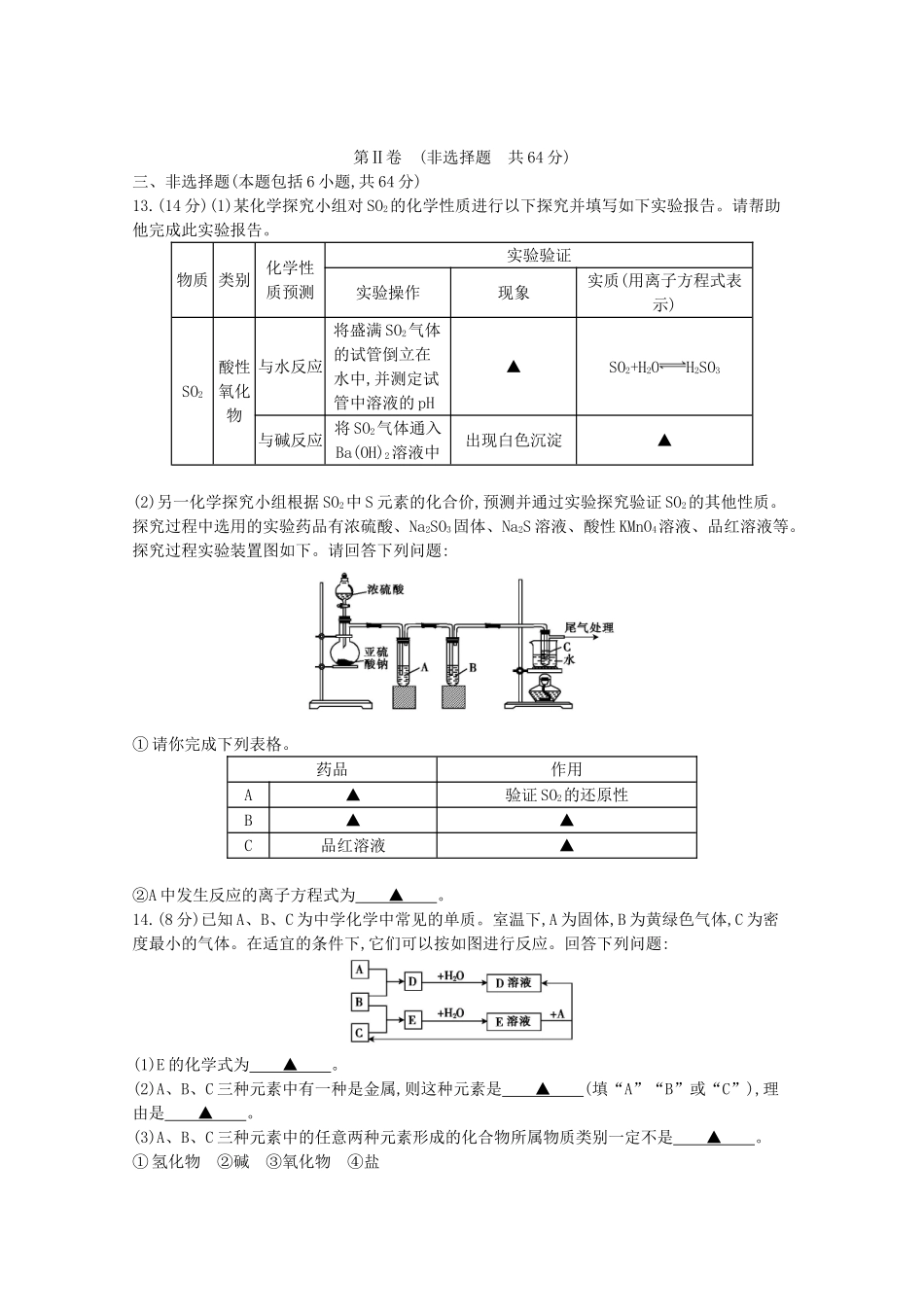
全国大联考2015届高三第一次联考·化学试卷考生注意:1.本试卷共100分。考试时间90分钟。2.答题前,考生务必将密封线内的项目填写清楚。3.请将试卷答案填在试卷后面的答题卷上。4.交卷时,可根据需要在加注“”标志的夹缝处进行裁剪。5.本试卷主要考试内容:化学实验基本操作、物质的量、物质的分类、离子反应和氧化还原反应。6.可能用到的相对原子质量:H1Li7C12N14O16Na23S32Cl35.5Fe56Cu64第Ⅰ卷(选择题共36分)一、单项选择题(本题包括6小题,每小题2分,共12分。每小题只有一个选项符合题意)1.2014年6月5日是世界环境日,中国主题为“向污染宣战”。下列有关做法不正确的是A.使用脱硫煤和汽车尾气净化器,均可减少二氧化碳的排放B.以治理细颗粒物(PM2.5)和可吸入颗粒物(PM10)为突破口,抓住能源效率、尾气排放和扬尘等关键环节,深入实施大气污染防治行动计划C.电子垃圾统一回收、拆解、再利用,能够减少对土壤和水源的污染D.加快淘汰钢铁、水泥、平板玻璃、电解铝等行业的落后产能2.已知酸A和碱B在一定条件下反应:A+B盐+H2O,下列有关A和B的判断中不正确的是A.酸A可能是CH3COOHB.酸A可能是H2SO4C.碱B可能是Ba(OH)2D.碱B可能是CH3CH2OH3.东京电力公司准备用海上钢铁“人工浮岛”储存福岛核电站内放射性较低的污水。则海上钢铁“人工浮岛”应贴的警示图标是4.同温、同压下等质量的SO2和CO2气体,下列叙述中正确的是①密度之比为16∶11②摩尔质量之比为11∶16③物质的量之比为16∶11④体积之比为11∶16A.①③B.②③C.①④D.②④5.设NA为阿伏加德罗常数的数值,下列说法正确的是A.6.4gO2中含有0.4NA个原子B.0.1mol铁粉在0.1mol氯气中充分燃烧,失去的电子数目为0.3NAC.常温下,pH=1的HNO3溶液中含有0.1NA个H+D.100mL0.1mol·L-1KHSO4溶液中含有的阳离子数是0.2NA6.化学概念在逻辑上存在如下几种关系:对下列概念的说法正确的是A.纯净物与混合物属于包含关系B.单质与化合物属于交叉关系C.化合物与碱性氧化物属于包含关系D.氧化还原反应与分解反应属于并列关系二、不定项选择题(本题包括6小题,每小题4分,共24分。每小题有一个或两个选项符合题意。若正确答案只包括一个选项,多选得0分;若正确答案包括两个选项,只选一个且正确得2分,选两个且都正确得4分,但只要选错一个就得0分)7.下列实验操作或处理事故的方法正确的是A.用干燥的pH试纸测定NaOH溶液的pHB.在耐高温的石英坩埚中进行熔化氢氧化钠固体的实验C.用分液漏斗分离乙酸乙酯和水的混合物时,水从下口放出,乙酸乙酯从上口倒出D.欲配制质量分数为10%的硫酸铜溶液,可准确称取10g硫酸铜晶体溶于90g水中8.常温下,下列各组离子在指定溶液中一定能大量共存的是A.pH=8的溶液:K+、Fe3+、N、Cl-B.能与Al反应产生H2的溶液:K+、Na+、S、Cl-C.含FeCl3的溶液:K+、N、N、SD.c(OH-)=1×10-13mol·L-1的溶液:N、Na+、Si、CH3COO-9.某种飞船以N2H4和N2O4为动力源,发生反应:2N2H4+N2O43N2↑+4H2O,反应温度可高达2700℃,若有1molN2H4被氧化,则下列判断不正确的是A.生成33.6LN2(标准状况下)B.被还原的N原子的物质的量为2molC.转移电子的物质的量为4molD.氧化产物比还原产物多0.5mol10.下列离子方程式书写正确的是A.H2O2溶液与Na2SO3溶液混合:H2O2+SS+2H+B.向Fe(NO3)3溶液中加入过量的HI溶液:2Fe3++2I-2Fe2++I2C.少量SO2通入NaOH溶液中:2OH-+SO2S+H2OD.0.01mol·L-1NH4Al(SO4)2溶液与0.04mol·L-1KOH溶液等体积混合:N+Al3++4OH-Al(OH)3↓+NH3·H2O11.已知:5S2+2Mn2++8H2O2Mn+10S+16H+,对于该反应下列叙述不正确的是A.氧化剂和还原剂的物质的量之比为2∶5B.该反应体系不能用盐酸酸化C.若有0.1molMn2+被氧化,则转移电子0.5molD.若把该反应设计为原电池,则正极反应为S2+2e-2S12.现有100mL0.1mol·L-1CuSO4溶液,其密度为1.06g·cm-3,则下列有关该溶液的说法中不正确的是A.溶剂的质量为104.4gB.Cu2+的物质的量为0.01molC.溶质和溶剂的质量之比是1∶10D.S的物质的量浓度为0.1mol·L-1第Ⅱ卷(非选择题共64分)三、非选择题(本题包括6小题,共64分)13.(14分)(1)某化学探究小组对SO2的化学性质进行以下探究并填写如下实验报告。请帮助他完成此实验报告。物质类别化学性质预测实验验证...

1、当您付费下载文档后,您只拥有了使用权限,并不意味着购买了版权,文档只能用于自身使用,不得用于其他商业用途(如 [转卖]进行直接盈利或[编辑后售卖]进行间接盈利)。
2、本站所有内容均由合作方或网友上传,本站不对文档的完整性、权威性及其观点立场正确性做任何保证或承诺!文档内容仅供研究参考,付费前请自行鉴别。
3、如文档内容存在违规,或者侵犯商业秘密、侵犯著作权等,请点击“违规举报”。

碎片内容

全国高三化学第一次联考试题-人教版高三全册化学试题

您可能关注的文档

星河书苑+ 关注
实名认证
内容提供者

从事历史教学,热爱教育,高度负责。

确认删除?
VIP
微信客服
  • 扫码咨询
会员Q群
  • 会员专属群点击这里加入QQ群
客服邮箱
回到顶部