电脑桌面
添加小米粒文库到电脑桌面
安装后可以在桌面快捷访问

山东电动车涂装线方案1VIP免费

山东电动车涂装线方案1_第1页
1/5
山东电动车涂装线方案1_第2页
2/5
山东电动车涂装线方案1_第3页
3/5
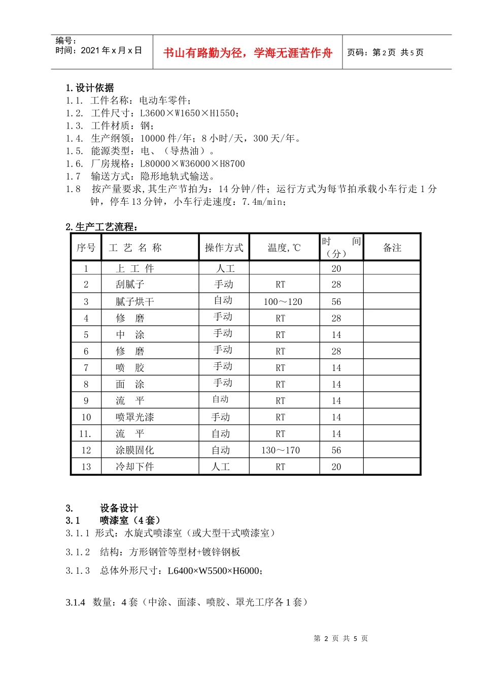
电动车涂装生产线(方案一)初步设计方案山东亮光涂装科技有限公司地址:山东省邹平县城西路张辛工业园邮编:256216电话:0543-4586318传真:0543-4586168第2页共5页编号:时间:2021年x月x日书山有路勤为径,学海无涯苦作舟页码:第2页共5页1.设计依据1.1.工件名称:电动车零件;1.2.工件尺寸:L3600×W1650×H1550;1.3.工件材质:钢;1.4.生产纲领:10000件/年;8小时/天,300天/年。1.5.能源类型:电、(导热油)。1.6.厂房规格:L80000×W36000×H87001.7输送方式:隐形地轨式输送。1.8按产量要求,其生产节拍为:14分钟/件;运行方式为每节拍承载小车行走1分钟,停车13分钟,小车行走速度:7.4m/min;2.生产工艺流程:序号工艺名称操作方式温度,℃时间(分)备注1上工件人工202刮腻子手动RT283腻子烘干自动100~120564修磨手动RT285中涂手动RT146修磨手动RT287喷胶手动RT148面涂手动RT149流平自动RT1410喷罩光漆手动RT1411.流平自动RT1412涂膜固化自动130~1705613冷却下件人工RT203.设备设计3.1喷漆室(4套)3.1.1形式:水旋式喷漆室(或大型干式喷漆室)3.1.2结构:方形钢管等型材+镀锌钢板3.1.3总体外形尺寸:L6400×W5500×H6000;3.1.4数量:4套(中涂、面漆、喷胶、罩光工序各1套)第3页共5页第2页共5页编号:时间:2021年x月x日书山有路勤为径,学海无涯苦作舟页码:第3页共5页3.1.5配置:3.1.5.1水旋动力排风系统:4套;(风机型号:4-72№6C风量:18400m3/h;全压:1380pa;功率:11KW*8;数量:每套2台共8台;)3.1.5.2二级过滤送风系统4套;(风量:37000m3/h;KKF风机功率:15KW*4)3.1.5.3循环水泵:型号:ZW125-120-20;流量:120m3/h;扬程:20m;功率:15KW数量:4台;3.1.5.4≧500勒克斯的照明系统;4套。3.1.5.5砼体循环水池1座;3.1.5.6水旋喷漆室地下风室基础4套。3.2刮腻子操作室3.2.1形式:带排风及加装过滤的自然进风;3.2.2结构:方形钢管等型材+镀锌钢板3.2.3总体外形尺寸:L13800×W5500×H4000;3.2.4数量:1套3.2.5配置:3.2.5.1轴流风机:型号BT35-3.5#;风量:3800m3/h;全压:255Pa;功率:0.55KW;数量:2台;3.2.5.2≧500勒克斯的照明系统;1套。3.3修磨室(2套)3.3.1形式:带排风及加装过滤的自然进风;3.3.2结构:方形钢管等型材+镀锌钢板3.3.3总体外形尺寸:L13800×W5500×H4000;3.3.4数量:2套3.3.5配置:3.3.5.1轴流风机:型号BT35-3.5#;风量:3800m3/h;全压:255Pa;功率:0.55KW;数量:4台;3.3.5.2≧500勒克斯的照明系统;2套。3.4流平室(2套)3.4.1形式:带排风及加装过滤的自然进风;3.4.2结构:方形钢管等型材+镀锌钢板第4页共5页第3页共5页编号:时间:2021年x月x日书山有路勤为径,学海无涯苦作舟页码:第4页共5页3.4.3总体外形尺寸:L7500×W2650×H2800;3.4.4数量:2套3.4.5配置:3.4.5.1轴流风机型号:BT35-3.5#;风量:3800m3/h;全压:255Pa;功率:0.55KW;数量:2台3.4.5.2≧300勒克斯的照明系统;2套。3.5腻子烘干烘道3.5.1形式:直通式,下送风、上排风式热风对流循环烘道;3.5.2结构:骨架:Q235型材;壁板:岩棉夹芯板(内板1.0镀锌板,外板0.6彩钢波纹板、中间100岩棉板)。3.5.3总体外形尺寸:L29600×W2650×H2800;3.5.4数量:1套3.5.5配置:3.5.5.1热风循环风机:型号:4-72№10C;转速:1000r/min;风量:36000m3/h;全压:≧1280Pa;功率:18.5KW数量:1台;3.5.5.2电热风发生器:风量:36000m3/h;电热功率:350KW数量:1套;3.5.5.3内外循环风道:材质:镀锌钢板数量:1套;3.6漆膜固化烘道3.6.1形式:直通式,下送风、上排风式热风循环烘道;3.6.2结构:骨架;Q235型材;壁板:岩棉夹芯板(内板1.0镀锌板,外板0.6彩钢波纹板、中间100岩棉板)。3.6.3总体外形尺寸:L22100×W2650×H2800;3.6.4数量:1套3.6.5配置:3.6.5.1热风循环风机:型号:4-72№6C;转速:1600r/min;风量:13660m3/h;全压:≧1019Pa;功率:5.5KW数量:2台;第5页共5页第4页共5页编号:时间:2021年x月x日书山有路勤为径,学海无涯苦作舟页码:第5页共5页3.6.5.2电热风发生器:风量:13000m3/h;电热功率:150KW数量:2套;3.6....

1、当您付费下载文档后,您只拥有了使用权限,并不意味着购买了版权,文档只能用于自身使用,不得用于其他商业用途(如 [转卖]进行直接盈利或[编辑后售卖]进行间接盈利)。
2、本站所有内容均由合作方或网友上传,本站不对文档的完整性、权威性及其观点立场正确性做任何保证或承诺!文档内容仅供研究参考,付费前请自行鉴别。
3、如文档内容存在违规,或者侵犯商业秘密、侵犯著作权等,请点击“违规举报”。

碎片内容

山东电动车涂装线方案1

确认删除?
VIP
微信客服
  • 扫码咨询
会员Q群
  • 会员专属群点击这里加入QQ群
客服邮箱
回到顶部