电脑桌面
添加小米粒文库到电脑桌面
安装后可以在桌面快捷访问

新国标建筑电气分部工程质量验收记录VIP免费

新国标建筑电气分部工程质量验收记录_第1页
1/12
新国标建筑电气分部工程质量验收记录_第2页
2/12
新国标建筑电气分部工程质量验收记录_第3页
3/12
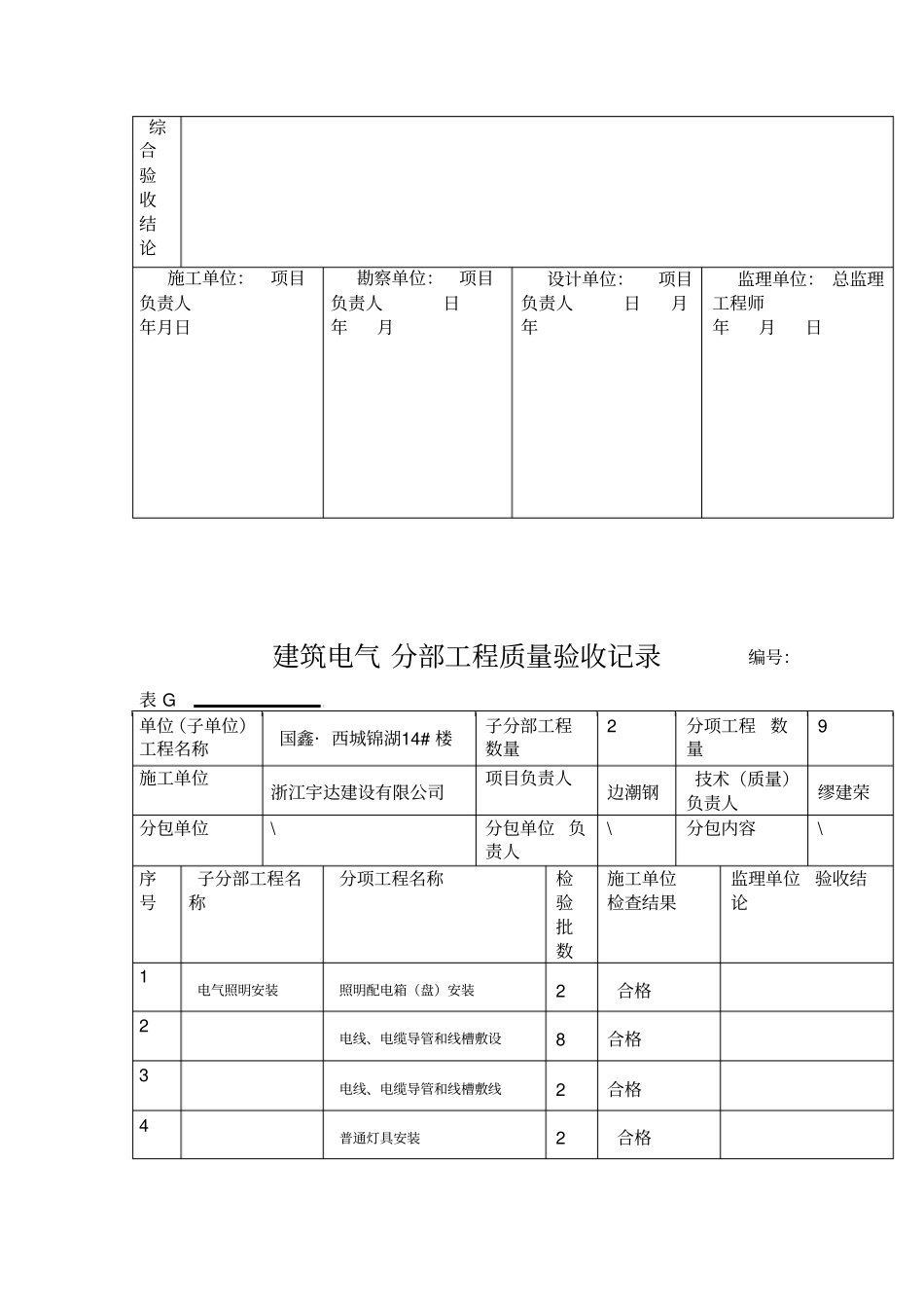
建筑电气分部工程质量验收记录编号:表G单位(子单位)工程名称国鑫·西城锦湖13#楼子分部工程数量2分项工程数量9施工单位浙江宇达建设有限公司项目负责人边潮钢技术(质量)负责人缪建荣分包单位\分包单位负责人\分包内容\序号子分部工程名称分项工程名称检验批数施工单位检查结果监理单位验收结论1电气照明安装照明配电箱(盘)安装2合格2电线、电缆导管和线槽敷设8合格3电线、电缆导管和线槽敷线2合格4普通灯具安装2合格5插座、开关、风扇安装2合格6建筑照明通电试运行1合格7防雷及接地安装接地装置安装1合格8避雷引下线敷设8合格9接闪器安装1合格质量控制资料符合要求安全和功能检验结果符合要求观感质量检验结果符合要求综合验收结论施工单位:项目负责人年月日勘察单位:项目负责人日年月设计单位:项目负责人日月年监理单位:总监理工程师年月日建筑电气分部工程质量验收记录编号:表G单位(子单位)工程名称国鑫·西城锦湖14#楼子分部工程数量2分项工程数量9施工单位浙江宇达建设有限公司项目负责人边潮钢技术(质量)负责人缪建荣分包单位\分包单位负责人\分包内容\序号子分部工程名称分项工程名称检验批数施工单位检查结果监理单位验收结论1电气照明安装照明配电箱(盘)安装2合格2电线、电缆导管和线槽敷设8合格3电线、电缆导管和线槽敷线2合格4普通灯具安装2合格5插座、开关、风扇安装2合格6建筑照明通电试运行1合格7防雷及接地安装接地装置安装1合格8避雷引下线敷设8合格9接闪器安装1合格质量控制资料符合要求安全和功能检验结果符合要求观感质量检验结果符合要求综合验收结论施工单位:项目负责人年月日勘察单位:项目负责人日年月设计单位:项目负责人日月年监理单位:总监理工程师年月日建筑电气分部工程质量验收记录编号:表G单位(子单位)工程名称国鑫·西城锦湖15#楼子分部工程数量2分项工程数量9施工单位浙江宇达建设有限公司项目负责人边潮钢技术(质量)负责人缪建荣分包单位\分包单位负责人\分包内容\序号子分部工程名称分项工程名称检验批数施工单位检查结果监理单位验收结论1电气照明安装照明配电箱(盘)安装2合格2电线、电缆导管和线槽敷设7合格3电线、电缆导管和线槽敷线2合格4普通灯具安装2合格5插座、开关、风扇安装2合格6建筑照明通电试运行1合格7防雷及接地安装接地装置安装1合格8避雷引下线敷设7合格9接闪器安装1合格质量控制资料符合要求安全和功能检验结果符合要求观感质量检验结果符合要求综合验收结论施工单位:项目负责人年月日勘察单位:项目负责人日年月设计单位:项目负责人日月年监理单位:总监理工程师年月日建筑电气分部工程质量验收记录编号:表G单位(子单位)工程名称国鑫·西城锦湖16#楼子分部工程数量2分项工程数量9施工单位浙江宇达建设有限公司项目负责人边潮钢技术(质量)负责人缪建荣分包单位\分包单位负责人\分包内容\序号子分部工程名称分项工程名称检验批数施工单位检查结果监理单位验收结论1电气照明安装照明配电箱(盘)安装2合格2电线、电缆导管和线槽敷设8合格3电线、电缆导管和线槽敷线2合格4普通灯具安装2合格5插座、开关、风扇安装2合格6建筑照明通电试运行1合格7防雷及接地安装接地装置安装1合格8避雷引下线敷设8合格9接闪器安装1合格质量控制资料符合要求安全和功能检验结果符合要求观感质量检验结果符合要求综合验收结论施工单位:项目负责人年月日勘察单位:项目负责人日年月设计单位:项目负责人日月年监理单位:总监理工程师年月日建筑电气分部工程质量验收记录编号:表G单位(子单位)工程名称国鑫·西城锦湖28#楼子分部工程数量2分项工程数量9施工单位浙江宇达建设有限公司项目负责人边潮钢技术(质量)负责人缪建荣分包单位\分包单位负责人\分包内容\序号子分部工程名称分项工程名称检验批施工单位检查结果监理单位验收结论数1电气照明安装照明配电箱(盘)安装2合格2电线、电缆导管和线槽敷设8合格3电线、电缆导管和线槽敷线2合格4普通灯具安装2合格5插座、开关、风扇安装2合格6建筑照明通电试运行1合格7防雷及接地安装接地装置安装1合格8避雷引下线敷设8合格9接闪器安装1合格质量控制资料符合要求安...

1、当您付费下载文档后,您只拥有了使用权限,并不意味着购买了版权,文档只能用于自身使用,不得用于其他商业用途(如 [转卖]进行直接盈利或[编辑后售卖]进行间接盈利)。
2、本站所有内容均由合作方或网友上传,本站不对文档的完整性、权威性及其观点立场正确性做任何保证或承诺!文档内容仅供研究参考,付费前请自行鉴别。
3、如文档内容存在违规,或者侵犯商业秘密、侵犯著作权等,请点击“违规举报”。

碎片内容

新国标建筑电气分部工程质量验收记录

您可能关注的文档

确认删除?
VIP
微信客服
  • 扫码咨询
会员Q群
  • 会员专属群点击这里加入QQ群
客服邮箱
回到顶部