电脑桌面
添加小米粒文库到电脑桌面
安装后可以在桌面快捷访问

无质量通病住宅工程检查记录表VIP免费

无质量通病住宅工程检查记录表_第1页
1/16
无质量通病住宅工程检查记录表_第2页
2/16
无质量通病住宅工程检查记录表_第3页
3/16
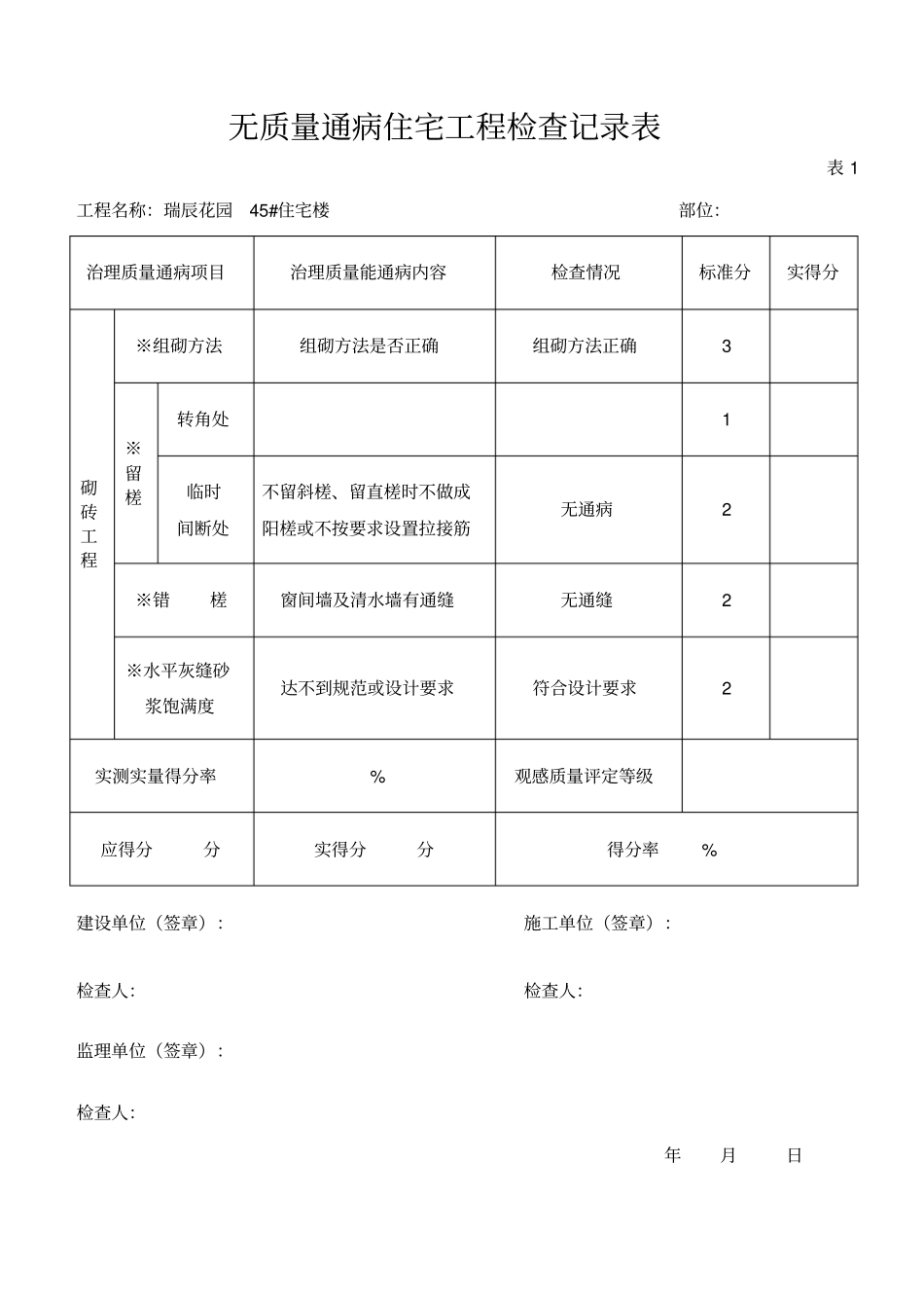
无质量通病住宅工程检查记录表表1工程名称:瑞辰花园45#住宅楼部位:治理质量通病项目治理质量能通病内容检查情况标准分实得分砌砖工程※组砌方法组砌方法是否正确组砌方法正确3※留槎转角处1临时间断处不留斜槎、留直槎时不做成阳槎或不按要求设置拉接筋无通病2※错槎窗间墙及清水墙有通缝无通缝2※水平灰缝砂浆饱满度达不到规范或设计要求符合设计要求2实测实量得分率%观感质量评定等级应得分分实得分分得分率%建设单位(签章):施工单位(签章):检查人:检查人:监理单位(签章):检查人:年月日无质量通病住宅工程检查记录表表2工程名称:瑞辰花园37#住宅楼部位:治理质量通病项目治理质量能通病内容检查情况标准分实得分钢筋砼工程模板接缝不严造成漏浆无漏浆1强度、刚度稳定性差造成砼变形、位移无通病1钢筋位移、变形以及绑扎间距不符要求缺扣、松扣等符合要求1.5※钢筋保护层厚度达不到要求达到要求1.5模板清理砼浇筑前,模板内垃圾、泥土等杂物清除不净清理干净1.5※砼浇筑振捣不密实,蜂窝、麻面露筋及轴线位移、断面尺寸不符要求等符合设计要求2预制构件安装安装不平,坐浆不牢,预制楼板板缝施工不符要求1.5实测实量得分率%观感质量评定等级应得分分实得分分得分率%建设单位(签章):施工单位(签章):检查人:检查人:监理单位(签章):检查人:年月日无质量通病住宅工程检查记录表表3工程名称:瑞辰花园37#住宅楼部位:治理质量通病项目治理质量能通病内容检查情况标准分实得分屋面、厕浴间、外墙面渗漏屋面※防水层材料不符合标准要求,施工不符规范符合要求1※细部做法不符规范或设计要求符合设计要求1※坡度屋面积水无积水1※蓄水实验不做试验或试验不符合有关规定要求符合要求1厕浴间、厨房※地漏安装不按设计和不符有关规定要求符合设计要求1※地面做法不符合省、市有关规定符合规定1地漏、管道穿越部位防水处理不符合规范及省、市有关规定符合要求1※蓄水实验不做试验或试验不符有关规定要求符合要求1※外墙面渗漏无渗漏2实测实量得分率%观感质量评定等级应得分分实得分分得分率%建设单位(签章):施工单位(签章):检查人:检查人:监理单位(签章):检查人:年月日无质量通病住宅工程检查记录表表4-1工程名称:瑞辰花园37#住宅楼部位:治理质量通病项目治理质量能通病内容检查情况标准分实得分水泥地面※地面不平整平整2抹灰抹纹明显无通病1※起砂无2※空鼓裂纹超出标准规定符合设计要求2※厕浴间地面倒泛水3实测实量得分率%观感质量评定等级应得分分实得分分得分率%建设单位(签章):施工单位(签章):检查人:检查人:监理单位(签章):检查人:年月日无质量通病住宅工程检查记录表表4-2工程名称:瑞辰花园37#住宅楼部位:治理质量通病项目治理质量能通病内容检查情况标准分实得分水磨石地面※面层空鼓、裂纹2色泽不协调1图案不规则1石粒石粒不密实1.5显露不均匀1面层有砂眼1※磨纹明显1.5边缘打磨不到位1实测实量得分率%观感质量评定等级应得分分实得分分得分率%建设单位(签章):施工单位(签章):检查人:检查人:监理单位(签章):检查人:年月日无质量通病住宅工程检查记录表表4-3工程名称:瑞辰花园37#住宅楼部位:治理质量通病项目治理质量能通病内容检查情况标准分实得分板块地面※不平整平整2※空鼓无空鼓2接缝不均匀接缝均匀2周边不顺直无通病1图案不规则2色泽不协调色泽协调1实测实量得分率%观感质量评定等级应得分分实得分分得分率%建设单位(签章):施工单位(签章):检查人:检查人:监理单位(签章):检查人:年月日无质量通病住宅工程检查记录表表5工程名称:瑞辰花园37#住宅楼部位:治理质量通病项目治理质量能通病内容检查情况标准分实得分抹灰工程※表面不平整表面平整3阴阳角不方正无通病2阴阳角不顺直顺直1粘接不牢固符合要求2空鼓、裂缝无通病2实测实量得分率%观感质量评定等级应得分分实得分分得分率%建设单位(签章):施工单位(签章):检查人:检查人:监理单位(签章):检查人:年月日无质量通病住宅工程检查记录表表6工程名称:瑞辰花园37#住宅楼部位:治理质量通病项目治理质量能通病内容检查情况标准...

1、当您付费下载文档后,您只拥有了使用权限,并不意味着购买了版权,文档只能用于自身使用,不得用于其他商业用途(如 [转卖]进行直接盈利或[编辑后售卖]进行间接盈利)。
2、本站所有内容均由合作方或网友上传,本站不对文档的完整性、权威性及其观点立场正确性做任何保证或承诺!文档内容仅供研究参考,付费前请自行鉴别。
3、如文档内容存在违规,或者侵犯商业秘密、侵犯著作权等,请点击“违规举报”。

碎片内容

无质量通病住宅工程检查记录表

您可能关注的文档

确认删除?
VIP
微信客服
  • 扫码咨询
会员Q群
  • 会员专属群点击这里加入QQ群
客服邮箱
回到顶部