电脑桌面
添加小米粒文库到电脑桌面
安装后可以在桌面快捷访问

机械原理课程设计——热镦机送料机械手1VIP免费

机械原理课程设计——热镦机送料机械手1_第1页
1/17
机械原理课程设计——热镦机送料机械手1_第2页
2/17
机械原理课程设计——热镦机送料机械手1_第3页
3/17
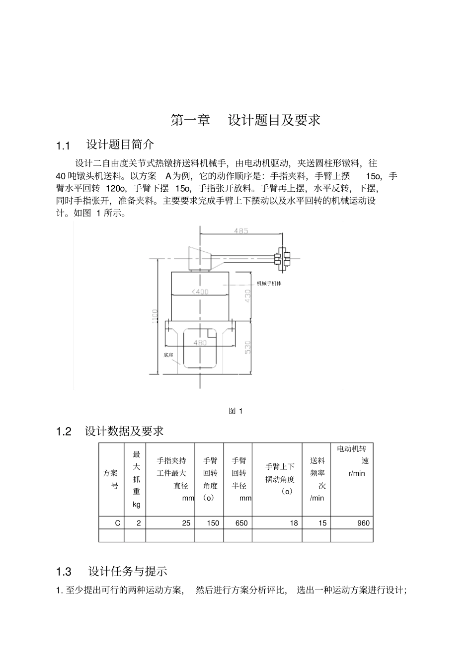
机械原理课程设计说明书——热镦挤送料机械手C指导老师:设计者:学号:班级:目录第一章设计题目及要求1.1设计题目简介................................................................31.2设计数据及要求............................................................31.3设计任务与提示............................................................4第二章热镦挤送料机械手摆臂的设计2.1摆臂方案A的设计.......................................................42.2摆臂方案B的设计.......................................................52.3摆臂方案的确定............................................................6第三章热镦挤送料机械手回转装置设计3.1回转装置A的设计.......................................................63.2回转装置B的设计.......................................................73.3驱动装置的选择...........................................................83.4回转装置方案的确定...................................................93.5循环图的拟定...............................................................9第四章热镦挤送料机械手方案的确定与计算4.1方案的拟定...................................................................94.2最终方案的确定与说明..............................................104.3方案的计算..................................................................12第五章相关建模过程及仿真....................................................13第六章设计总结........................................................................17第七章参考文献........................................................................17第一章设计题目及要求1.1设计题目简介设计二自由度关节式热镦挤送料机械手,由电动机驱动,夹送圆柱形镦料,往40吨镦头机送料。以方案A为例,它的动作顺序是:手指夹料,手臂上摆15o,手臂水平回转120o,手臂下摆15o,手指张开放料。手臂再上摆,水平反转,下摆,同时手指张开,准备夹料。主要要求完成手臂上下摆动以及水平回转的机械运动设计。如图1所示。机械手机体底座图11.2设计数据及要求方案号最大抓重kg手指夹持工件最大直径mm手臂回转角度(o)手臂回转半径mm手臂上下摆动角度(o)送料频率次/min电动机转速r/minC22515065018159601.3设计任务与提示1.至少提出可行的两种运动方案,然后进行方案分析评比,选出一种运动方案进行设计;2.设计传动系统并确定其传动比分配。3.图纸上画出步进送料机的机构运动方案简图和运动循环图。4.对平面连杆机构进行尺度综合,并进行运动分析;验证输出构件的轨迹是否满足设计要求;求出机构中输出件的速度、加速度;画出机构运动线图。5.用软件(VB、MATLAB、ADAMS或SOLIDWORKS等均可)对执行机构进行运动仿真,并画出输出机构的位移、速度、和加速度线图。6.编写设计计算说明书,其中应包括设计思路、计算及运动模型建立过程以及效果分析等。7.在机械基础实验室应用机构综合实验装置验证设计方案的可行性。设计提示1.机械手主要由手臂上下摆动机构、手臂回转机构组成。工件水平或垂直放置。设计时可以不考虑手指夹料的工艺动作。2.此机械手为空间机构,确定设计方案后应计算空间自由度。3.此机械手可按闭环传动链设计。第二章热镦挤送料机械手摆臂的设计2.1摆臂方案A的设计采用凸轮带动摇杆的机构来实现机械手上下的摆动。其中学要满足摆杆长为650MM,上下摆动的角度位18度。此种方式设计简单,能达到相应的设计强度要求。并且在运动过程中出现问题的可能性相对较小。如图2.图2Solidworks中的实体建模2.2机械手上摆手设计方案B采用凸轮带动连杆机构实现上下运动。通过凸轮带动杆2,且通过连杆之间的相互作用实现安放在C出的机械手达到预期的运动轨迹及线路。此方案设计相对复杂,但能满足较高的强度,各杆之间受力相对均衡。如图3.图31-凸轮2-滚子3-折杆45-连杆其中在C处安放机械抓手2.3摆臂方案...

1、当您付费下载文档后,您只拥有了使用权限,并不意味着购买了版权,文档只能用于自身使用,不得用于其他商业用途(如 [转卖]进行直接盈利或[编辑后售卖]进行间接盈利)。
2、本站所有内容均由合作方或网友上传,本站不对文档的完整性、权威性及其观点立场正确性做任何保证或承诺!文档内容仅供研究参考,付费前请自行鉴别。
3、如文档内容存在违规,或者侵犯商业秘密、侵犯著作权等,请点击“违规举报”。

碎片内容

机械原理课程设计——热镦机送料机械手1

您可能关注的文档

确认删除?
VIP
微信客服
  • 扫码咨询
会员Q群
  • 会员专属群点击这里加入QQ群
客服邮箱
回到顶部