电脑桌面
添加小米粒文库到电脑桌面
安装后可以在桌面快捷访问

某公司生产管理调查记录表二VIP免费

某公司生产管理调查记录表二_第1页
1/2
某公司生产管理调查记录表二_第2页
2/2
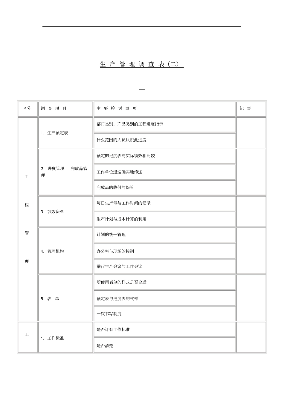
生产管理调查表(二)区分调查项目主要检讨事项记事工程管理1.生产预定表部门类别、产品类别的工程进度指示什么范围的人员认识此进度2.进度管理完成品管理预定的进度表与实际绩效相比较工作单位迅速确实地传送完成品的收付与保管3.绩效资料每日生产量与工作时间的记录生产计划与成本计算的利用4.管理机构计划的统一管理办公室与现场的控制举行生产会议与工作会议5.表单所使用表单的样式是否合适预定表与进度表的式样一次书写制度工1.工作标准是否订有工作标准是否清楚作管理工作条件与时间是否指示工作标准的形式2.工作指导做工作者的指导方法与程度工作者的委任是否充分品质与生产的管制3.工作改善工作简化、制做工具与设备改良积极改善的实例奖励工作改善的实例4.整理整顿整理整顿是否充分不良品与废料是否散乱

1、当您付费下载文档后,您只拥有了使用权限,并不意味着购买了版权,文档只能用于自身使用,不得用于其他商业用途(如 [转卖]进行直接盈利或[编辑后售卖]进行间接盈利)。
2、本站所有内容均由合作方或网友上传,本站不对文档的完整性、权威性及其观点立场正确性做任何保证或承诺!文档内容仅供研究参考,付费前请自行鉴别。
3、如文档内容存在违规,或者侵犯商业秘密、侵犯著作权等,请点击“违规举报”。

碎片内容

某公司生产管理调查记录表二

您可能关注的文档

确认删除?
VIP
微信客服
  • 扫码咨询
会员Q群
  • 会员专属群点击这里加入QQ群
客服邮箱
回到顶部