电脑桌面
添加小米粒文库到电脑桌面
安装后可以在桌面快捷访问

检测项目收费标准VIP免费

检测项目收费标准_第1页
1/11
检测项目收费标准_第2页
2/11
检测项目收费标准_第3页
3/11
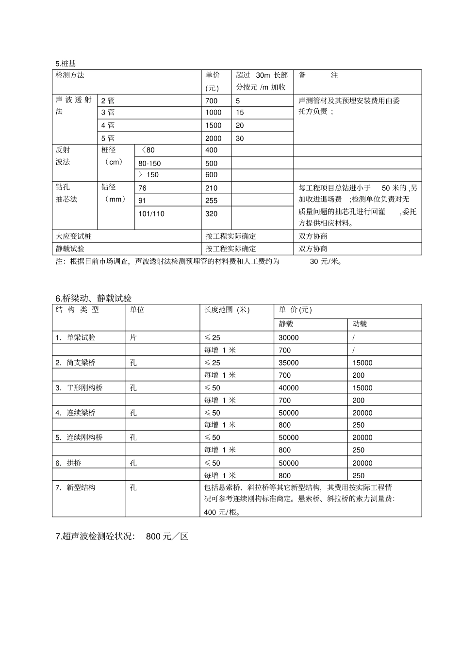
交通建设工程现场检测和工程材料试(检)验收费项目及标准表一、交通建设工程现场检测收费项目及标准⒈路基检测项目平整度压实度弯沉宽度纵断高程中线偏位横坡3米直尺平整度仪贝克曼梁自动弯沉仪每公里检测频率20处×3尺20处×1点20处100点280点20处20点20点20处单价(元/km)10020030010001400100200200150每处(点)单价(元)51015105510105注:①贝克曼梁弯沉检测不含弯沉车费,下同;②路基的单价只是仲裁和交工检测费用单价,下同;③港口道路、堆场检测频率及取费标准与公路相同,下同;④总价中分子为采用3米直尺检测平整度和贝克曼梁检测弯沉时的总价,分母为采用连续平整度仪和自动弯沉仪检测时的总价,下同。2.底基层(基层)检测项目平整度压实度厚度弯沉宽度强度纵断高程中线偏位横坡3米直尺平整度仪人工开挖钻芯取样贝克曼梁自动弯沉仪每公里检测频率10处×10尺20处×1点20处10点4点100点280点20处4组20点20点20处单价(元/km)5020060010080010001400100600200200100每处(点)单价(元)51030102001055150101053.沥青混凝土面层检测项目平整度厚度压实度弯沉宽度抗滑性能纵断高程中线偏位横坡3米直尺平整度仪贝克曼梁自动弯沉仪摆式摩擦仪横向力系数测试车每公里检测频率10处×10尺20处×1点5处×3层5处×3层100点280点20处5处×3点20处×1点20点20点20处单价(元/Km)502002000500100014001001501600200200100每处(点)单价(元)51040010010551080101054.水泥混凝土面层检测项目平整度厚度劈裂宽度抗滑构造深度纵横缝顺直度纵断高程中线偏位横坡3米直尺平整度仪砂铺法横向力系数测试车每公里检测频率10处×10尺20处×1点4点4点20处5处×3点20处×1点各20条20点20点20处单价(元/Km)5020020002001001501600120200200100每处(点)单价(元)51050050510803101055.桩基检测方法单价(元)超过30m长部分按元/m加收备注声波透射法2管7005声测管材及其预埋安装费用由委托方负责;3管1000154管1500205管200030反射波法桩径(cm)〈8040080-150500〉150600钻孔抽芯法钻径(mm)76210每工程项目总钻进小于50米的,另加收进退场费;检测单位负责对无质量问题的抽芯孔进行回灌,委托方提供相应材料。91255101/110320大应变试桩按工程实际确定双方协商静载试验按工程实际确定双方协商注:根据目前市场调查,声波透射法检测预埋管的材料费和人工费约为30元/米。6.桥梁动、静载试验结构类型单位长度范围(米)单价(元)静载动载1.单梁试验片≤2530000/每增1米700/2.简支梁桥孔≤253500015000每增1米7002003.T形刚构桥孔≤504000015000每增1米7002004.连续梁桥孔≤505000020000每增1米8002505.连续刚构桥孔≤505000020000每增1米8002506.拱桥孔≤505000020000每增1米8002507.新型结构孔包括悬索桥、斜拉桥等其它新型结构,其费用按实际工程情况可参考连续刚构标准商定。悬索桥、斜拉桥的索力测量费:400元/根。7.超声波检测砼状况:800元/区8.桥涵常规检测(交竣工检测)桥涵类型桥梁长度(m)单位单价(元)涵洞/座500简支梁桥20座100050座2500100座5000300座15000600座300001000座50000注:①上表桥梁单价是指桥面宽度为四车道简支梁桥的单价,如为其他桥梁结构应乘以相应难度系数。连续刚构、连续梁桥难度系数为1.1,拱桥难度系数为1.2,悬索桥、斜拉桥难度系数为1.5。②桥梁长度小于20米的,按20米计算;桥梁长度1000米以内的按线性内插法计算费用;桥梁长度超过1000米的,根据实际情况参考上述标准由双方协商确定。③上述单价为桥梁交竣工验收常规检测费用,已包含外业检查、竣工资料审查等费用,但不含桥梁静动载试验、桩基检测、桥梁检测车租赁等费用。④桥梁检测车租赁费用:平台长度不大于10m的桥梁检测车租赁单价为4000元/台班,平台长度13m的桥梁检测车租赁单价为6000元/台班,平台长度16m的桥梁检测车租赁单价为8000元/台班。9.隧道检测序号检测方法单位单价备注1常规检测m22单价中已包含外业检查、竣工资料审查等费用,但不含隧道衬砌质量雷达无损检测、抽芯检测等费用。单位面积是指隧道的宽度和长度之积。2衬砌质量雷达无损检测每测线延米10单位每测线延米是指实际检测线长度的总和...

1、当您付费下载文档后,您只拥有了使用权限,并不意味着购买了版权,文档只能用于自身使用,不得用于其他商业用途(如 [转卖]进行直接盈利或[编辑后售卖]进行间接盈利)。
2、本站所有内容均由合作方或网友上传,本站不对文档的完整性、权威性及其观点立场正确性做任何保证或承诺!文档内容仅供研究参考,付费前请自行鉴别。
3、如文档内容存在违规,或者侵犯商业秘密、侵犯著作权等,请点击“违规举报”。

碎片内容

检测项目收费标准

您可能关注的文档

确认删除?
VIP
微信客服
  • 扫码咨询
会员Q群
  • 会员专属群点击这里加入QQ群
客服邮箱
回到顶部