电脑桌面
添加小米粒文库到电脑桌面
安装后可以在桌面快捷访问

楼梯的一般尺度及设计要求,还有比这更全的吗VIP免费

楼梯的一般尺度及设计要求,还有比这更全的吗_第1页
1/10
楼梯的一般尺度及设计要求,还有比这更全的吗_第2页
2/10
楼梯的一般尺度及设计要求,还有比这更全的吗_第3页
3/10
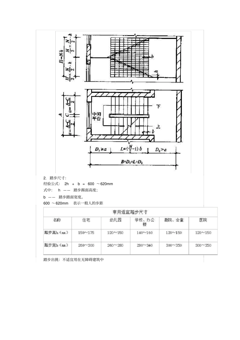
楼梯的一般尺度及设计要求,还有比这更全的吗1.楼梯的坡度(20°~45°):公建:坡度宜平缓住宅:坡度可稍陡老年人、幼儿建筑宜平缓2.踏步尺寸:经验公式:2h+b=600~620mm式中:h——踏步踢面高度;b——踏步踏面宽度。600~620mm表示一般人的步距踏步出挑:不适宜用在无障碍建筑中3.梯段尺度紧急疏散时要求通过的人流股数确定4.平台宽度5.梯井宽度梯段之间形成的空档。梯井宽度:W=60mm~200mm住宅建筑:W=0公共建筑:疏散楼梯梯段扶手间水平净距W≥150mm梯井宽度≥200mm时,应设置垂直栏杆,栏杆净距≯110mm。儿童使用的梯井≯150mm6.栏杆扶手尺寸:栏杆净距≯110mm。室内扶手高度一般为900mm左右,供儿童使用的楼梯应在500~600mm高度增设扶手室外扶手高度≥1050mm扶手间距≥120mm梯段宽>1.4m:非临空面设靠墙扶手梯段宽>2.4m:梯段中间增设中间扶手7.楼梯净空高度楼梯平台部位净高≮2000mm楼梯段部位净高≮2200mm终了踏步的前缘与顶部凸出物内边缘线的水平距≮300mm平行双跑楼梯底层中间平台下需设置通道时,为保证平台下净高满足通行要求,可通过以下方式解决:①在底层变作长短跑梯段。②局部降低底层中间平台下地坪标高。③综合上两种方式。④底层用直行单跑或直行双跑楼梯直接从室外上二层。8.楼梯设计与尺寸计算:⑴确定每层踢面数N,N=H/hH:层高;h:踏步高⑵确定梯段水平投影长度LL=(0.5N-1)bb:踏步宽⑶确定梯井宽度C⑷确定梯段宽度a,a=(A-C)/2A:开间净宽⑸检验楼梯间进深尺度BB=D1+D2+L

1、当您付费下载文档后,您只拥有了使用权限,并不意味着购买了版权,文档只能用于自身使用,不得用于其他商业用途(如 [转卖]进行直接盈利或[编辑后售卖]进行间接盈利)。
2、本站所有内容均由合作方或网友上传,本站不对文档的完整性、权威性及其观点立场正确性做任何保证或承诺!文档内容仅供研究参考,付费前请自行鉴别。
3、如文档内容存在违规,或者侵犯商业秘密、侵犯著作权等,请点击“违规举报”。

碎片内容

楼梯的一般尺度及设计要求,还有比这更全的吗

您可能关注的文档

确认删除?
VIP
微信客服
  • 扫码咨询
会员Q群
  • 会员专属群点击这里加入QQ群
客服邮箱
回到顶部