电脑桌面
添加小米粒文库到电脑桌面
安装后可以在桌面快捷访问

水煤浆导热油炉运行成本对比表参考资料VIP免费

水煤浆导热油炉运行成本对比表参考资料_第1页
1/16
水煤浆导热油炉运行成本对比表参考资料_第2页
2/16
水煤浆导热油炉运行成本对比表参考资料_第3页
3/16
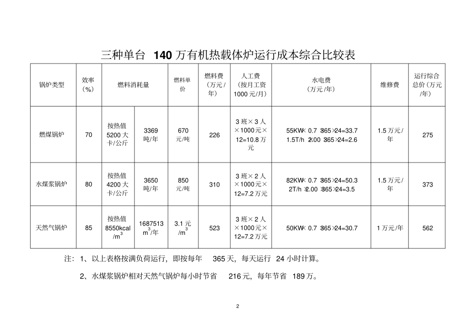
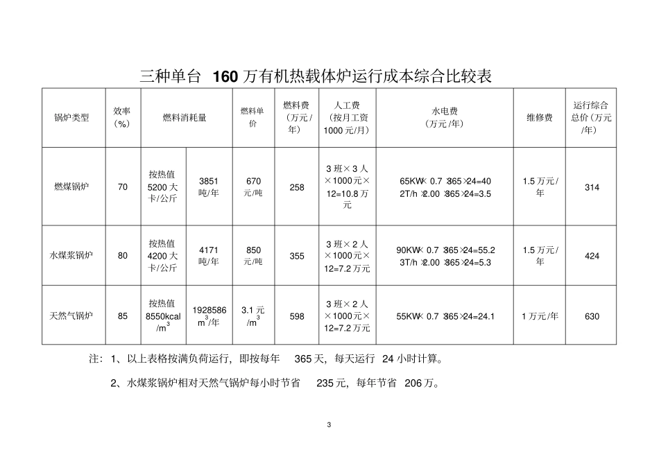
1三种单台120万有机热载体炉运行成本综合比较表锅炉类型效率(%)燃料消耗量燃料单价燃料费(万元/年)人工费(按月工资1000元/月)水电费(万元/年)维修费运行综合总价(万元/年)燃煤锅炉70按热值5200大卡/公斤2888吨/年670元/吨193.53班×3人×1000元×12=10.8万元50KW×0.7×365×24=30.71T/h×2.00×365×24=1.81.5万元/年238水煤浆锅炉80按热值4200大卡/公斤3129吨/年850元/吨2663班×2人×1000元×12=7.2万元75KW×0.7×365×24=462T/h×2.00×365×24=3.51.5万元/年324天然气锅炉85按热值8550kcal/m31446440m3/年3.1元/m3448.43班×2人×1000元×12=7.2万元45KW×0.7×365×24=27.61万元/年484注:1、以上表格按满负荷运行,即按每年365天,每天运行24小时计算。2、水煤浆锅炉相对天然气锅炉每小时节省183元,每年节省160万。2三种单台140万有机热载体炉运行成本综合比较表锅炉类型效率(%)燃料消耗量燃料单价燃料费(万元/年)人工费(按月工资1000元/月)水电费(万元/年)维修费运行综合总价(万元/年)燃煤锅炉70按热值5200大卡/公斤3369吨/年670元/吨2263班×3人×1000元×12=10.8万元55KW×0.7×365×24=33.71.5T/h×2.00×365×24=2.61.5万元/年275水煤浆锅炉80按热值4200大卡/公斤3650吨/年850元/吨3103班×2人×1000元×12=7.2万元82KW×0.7×365×24=50.32T/h×2.00×365×24=3.51.5万元/年373天然气锅炉85按热值8550kcal/m31687513m3/年3.1元/m35233班×2人×1000元×12=7.2万元50KW×0.7×365×24=30.71万元/年562注:1、以上表格按满负荷运行,即按每年365天,每天运行24小时计算。2、水煤浆锅炉相对天然气锅炉每小时节省216元,每年节省189万。3三种单台160万有机热载体炉运行成本综合比较表锅炉类型效率(%)燃料消耗量燃料单价燃料费(万元/年)人工费(按月工资1000元/月)水电费(万元/年)维修费运行综合总价(万元/年)燃煤锅炉70按热值5200大卡/公斤3851吨/年670元/吨2583班×3人×1000元×12=10.8万元65KW×0.7×365×24=402T/h×2.00×365×24=3.51.5万元/年314水煤浆锅炉80按热值4200大卡/公斤4171吨/年850元/吨3553班×2人×1000元×12=7.2万元90KW×0.7×365×24=55.23T/h×2.00×365×24=5.31.5万元/年424天然气锅炉85按热值8550kcal/m31928586m3/年3.1元/m35983班×2人×1000元×12=7.2万元55KW×0.7×365×24=24.11万元/年630注:1、以上表格按满负荷运行,即按每年365天,每天运行24小时计算。2、水煤浆锅炉相对天然气锅炉每小时节省235元,每年节省206万。4三种单台200万有机热载体炉运行成本综合比较表锅炉类型效率(%)燃料消耗量燃料单价燃料费(万元/年)人工费(按月工资1000元/月)水电费(万元/年)维修费运行综合总价(万元/年)燃煤锅炉70按热值5200大卡/公斤4813吨/年670元/吨3223班×3人×1000元×12=10.8万元70KW×0.7×365×24=42.92T/h×2.00×365×24=3.51.5万元/年381水煤浆锅炉80按热值4200大卡/公斤5214吨/年850元/吨4433班×2人×1000元×12=7.2万元110KW×0.7×365×24=67.53T/h×2.00×365×24=5.31.5万元/年525天然气锅炉85按热值8550kcal/m32410732m3/年3.1元/m37473班×2人×1000元×12=7.2万元60KW×0.7×365×24=36.81万元/年792注:1、以上表格按满负荷运行,即按每年365天,每天运行24小时计算。2、水煤浆锅炉相对天然气锅炉每小时节省305元,每年节省267万。5三种单台250万有机热载体炉运行成本综合比较表锅炉类型效率(%)燃料消耗量燃料单价燃料费(万元/年)人工费(按月工资1000元/月)水电费(万元/年)维修费运行综合总价(万元/年)燃煤锅炉70按热值5200大卡/公斤6016吨/年670元/吨4033班×3人×1000元×12=10.8万元85KW×0.7×365×24=523T/h×2.00×365×24=5.32万元/年473水煤浆锅炉80按热值4200大卡/公斤6518吨/年850元/吨5543班×2人×1000元×12=7.2万元130KW×0.7×365×24=79.74T/h×2.00×365×24=72万元/年650天然气锅炉85按热值8550kcal/m33013416m3/年3.1元/m39343班×2人×1000元×12=7.2万元60KW×0.7×365×24=36.81万元/年979注:1、以上表格按满负荷运行,即按每年365天,每天运行...

1、当您付费下载文档后,您只拥有了使用权限,并不意味着购买了版权,文档只能用于自身使用,不得用于其他商业用途(如 [转卖]进行直接盈利或[编辑后售卖]进行间接盈利)。
2、本站所有内容均由合作方或网友上传,本站不对文档的完整性、权威性及其观点立场正确性做任何保证或承诺!文档内容仅供研究参考,付费前请自行鉴别。
3、如文档内容存在违规,或者侵犯商业秘密、侵犯著作权等,请点击“违规举报”。

碎片内容

水煤浆导热油炉运行成本对比表参考资料

您可能关注的文档

确认删除?
VIP
微信客服
  • 扫码咨询
会员Q群
  • 会员专属群点击这里加入QQ群
客服邮箱
回到顶部