电脑桌面
添加小米粒文库到电脑桌面
安装后可以在桌面快捷访问

汽车运用与维修专业实训室设备VIP免费

汽车运用与维修专业实训室设备_第1页
1/6
汽车运用与维修专业实训室设备_第2页
2/6
汽车运用与维修专业实训室设备_第3页
3/6
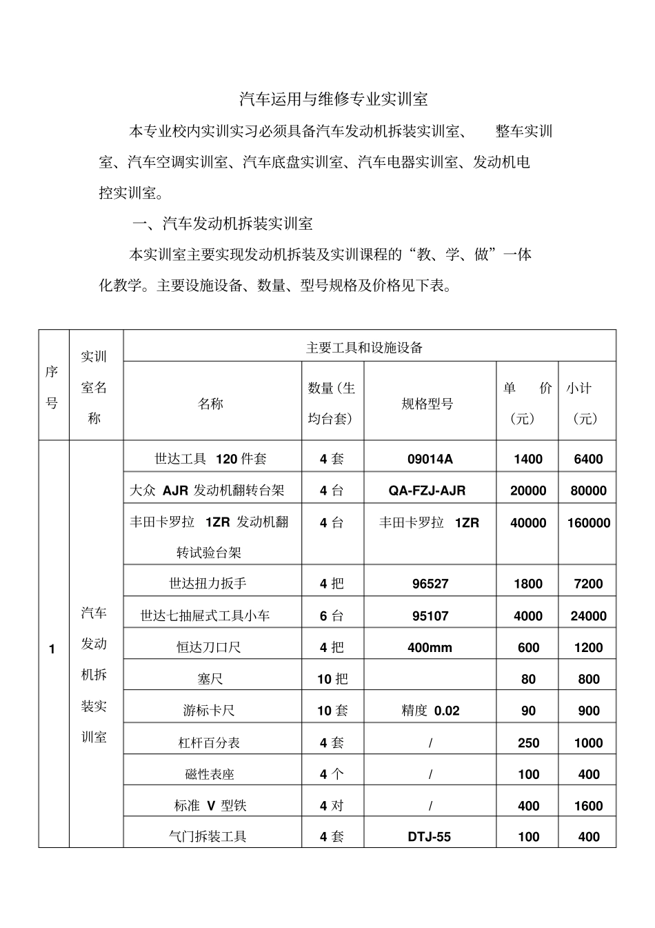
汽车运用与维修专业实训室本专业校内实训实习必须具备汽车发动机拆装实训室、整车实训室、汽车空调实训室、汽车底盘实训室、汽车电器实训室、发动机电控实训室。一、汽车发动机拆装实训室本实训室主要实现发动机拆装及实训课程的“教、学、做”一体化教学。主要设施设备、数量、型号规格及价格见下表。序号实训室名称主要工具和设施设备名称数量(生均台套)规格型号单价(元)小计(元)1汽车发动机拆装实训室世达工具120件套4套09014A14006400大众AJR发动机翻转台架4台QA-FZJ-AJR2000080000丰田卡罗拉1ZR发动机翻转试验台架4台丰田卡罗拉1ZR40000160000世达扭力扳手4把9652718007200世达七抽屉式工具小车6台95107400024000恒达刀口尺4把400mm6001200塞尺10把80800游标卡尺10套精度0.0290900杠杆百分表4套/2501000磁性表座4个/100400标准V型铁4对/4001600气门拆装工具4套DTJ-55100400内径千分尺4套0-25mm(分度0.01mm)250100025-50mm(分度0.01mm)3001200外径千分尺4套0-25mm(分度0.01mm)10040025-50mm(分度0.01mm)200800机油壶8个/30240活塞环卡钳4件/30120活塞环卡箍4套/50200橡胶锤8把/1080发动机教学模型1丰田卡罗拉1000010000总计297940二、整车实训室本实训室主要实现整车实训的“教、学、做”一体化教学。主要设施设备、数量、型号规格及价格见下表。2整车实训室大众速腾轿车2辆全新1.6自动时尚型150000300000丰田卡罗拉轿车1辆全新1.6手动GL140000140000百斯巴特四轮定位仪1台ML8RTech150000150000博士金德KT600行车检测2台博士金德KT6001000020000仪飞鹰快速启动充电机1台FY-140025002500世达风动扳手1把0213312001200小剪式举升机3台DK-B321500045000四柱式举升机1台AF35004000040000废油收集器1台318110001000电动卷筒式尾气排放系统2套LT50991500030000上海大众帕萨特B5整车教学模型1辆上海大众帕萨特B52000020000总计749700三、汽车空调实训室本实训室主要实现汽车空调实训的“教、学、做”一体化教学。主要设施设备、数量、型号规格及价格见下表。3汽车空调实训室丰田卡罗拉手动空调实训台1台丰田卡罗拉4000040000博士制冷剂回收加注机1台ACS6502000020000制冷剂10罐R134a40400总计60400四、汽车底盘实训室本实训室主要实现汽车底盘实训的“教、学、做”一体化教学。主要设施设备、数量、型号规格及价格见下表。4汽车底盘实训室自动变速器拆装实训台4台BSQ40000160000大众手动变速箱实训台4台大众2000080000凌志400电动助力转向台架1台凌志4004000040000电控前/后桥悬挂系统实训台1台DL-P3-EPS4000040000传动及驱动系统总成试验台1台QA-DP-CD3000030000制动系统实训台1台TTC-QCZX7000070000帕萨特汽车转向系教学模型1帕萨特2000020000机械式离合器实训台2台TTC-DZJX3000060000帕萨特液压式离合器实训台4台帕萨特300012000总计512000五、汽车电器实训室本实训室主要实现汽车电器实训的“教、学、做”一体化教学。主要设施设备、数量、型号规格及价格见下表。5汽车电器实训室帕萨特车身电器实训台1台帕萨特B56000060000风帆汽车蓄电池4个6-QA-1058003200夏利发电机总成8个一汽夏利4003200本田飞度起动机总成4个本田飞度3001200电子万用表10个UA9205N1501500总计69100六、发动机电控实训室本实训室主要实现发动机电控实训的“教、学、做”一体化教学。主要设施设备、数量、型号规格及价格见下表。6发动机电控实训室卡罗拉发动机电控试验台架4台卡罗拉80000320000电子万用表4个UA9205N150600卡罗拉电喷发动机教学模型1台RZ-JPF018KLL2000020000总计340600七、汇总表实训室名称费用合计(元)汽车发动机拆装实训室297940整车实训室749700汽车底盘实训室512000汽车电器实训室69100汽车空调实训室60400发动机电控实训室340600总计2066040

1、当您付费下载文档后,您只拥有了使用权限,并不意味着购买了版权,文档只能用于自身使用,不得用于其他商业用途(如 [转卖]进行直接盈利或[编辑后售卖]进行间接盈利)。
2、本站所有内容均由合作方或网友上传,本站不对文档的完整性、权威性及其观点立场正确性做任何保证或承诺!文档内容仅供研究参考,付费前请自行鉴别。
3、如文档内容存在违规,或者侵犯商业秘密、侵犯著作权等,请点击“违规举报”。

碎片内容

汽车运用与维修专业实训室设备

文库响当当+ 关注
实名认证
内容提供者

该用户很懒,什么也没介绍

确认删除?
VIP
微信客服
  • 扫码咨询
会员Q群
  • 会员专属群点击这里加入QQ群
客服邮箱
回到顶部