电脑桌面
添加小米粒文库到电脑桌面
安装后可以在桌面快捷访问

汽车运用工程大作业VIP免费

汽车运用工程大作业_第1页
1/22
汽车运用工程大作业_第2页
2/22
汽车运用工程大作业_第3页
3/22
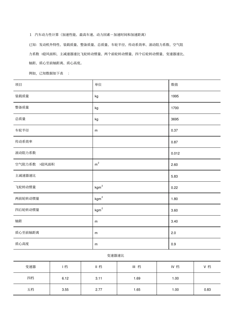
汽车运用工程大作业1汽车动力性计算(加速性能、最高车速、动力因素-加速时间和加速距离)已知:发动机外特性、装载质量、整备质量、总质量、车轮半径、传动系效率、滚动阻力系数、空气阻力系数×迎风面积、主减速器速比飞轮转动惯量、两个前轮转动惯量、四个后轮转动惯量、变速器速比、轴距、质心至前轴距离、质心高度。例如,已知数据如下表:项目单位数值装载质量kg1995整备质量kg1700总质量kg3695车轮半径m0.37传动系效率0.87滚动阻力系数0.012空气阻力系数×迎风面积m22.60主减速器速比5.83飞轮转动惯量kgm20.22两前轮转动惯量kgm21.80四后轮转动惯量kgm23.60轴距m3.40质心至前轴距离m2.0质心高度m0.9变速器速比变速器I档II档III档IV档V档四档6.123.111.691.00五档3.552.771.651.000.83发动机外特性Tq=a+a1(n/c)+a2(n/c)2+a2(n/c)3+a3(n/c)4参数aa1a2a2a3c数值-19.31296-16540.9-3.8510001)绘制汽车驱动力与行驶阻力平衡图;2)求汽车的最高车速、最大爬坡度;3)绘制加速度倒数曲线4)用图解法或编程绘制汽车动力因数特性曲线5)图解手工绘制II档起步,加速至70km/h的车速-时间曲线以及距离-时间曲线。1、绘制汽车驱动利于行驶阻力平衡图m1=1995;m2=1700;mz=3695;g=9.81;f=0.0125-0.0025;nt=0.87+0.025;cda=2.60;r=0.37;n=600:1:4600;i0=5.83;ig1=6.12;ig2=3.11;ig3=1.69;ig4=1.00;ua1=0.377*r.*n/(ig1.*i0);ua2=0.377*r.*n/(ig2.*i0);ua3=0.377*r.*n/(ig3.*i0);ua4=0.377*r.*n/(ig4.*i0);a=-19.31;a1=296;a2=-165;a3=40.9;a4=-3.85;c=1000;tq=a+a1*(n/c)+a2*(n/c).^2+a3*(n/c).^3+a4*(n/c).^4;ft1=tq.*ig1.*i0.*nt/r;ft2=tq.*ig2.*i0.*nt/r;ft3=tq.*ig3.*i0.*nt/r;ft4=tq.*ig4.*i0.*nt/r;fz1=mz.*g.*f+cda*ua1.^2/21.15;%fz=Ff+Fwfz2=mz.*g.*f+cda*ua2.^2/21.15;fz3=mz.*g.*f+cda*ua3.^2/21.15;fz4=mz.*g.*f+cda*ua4.^2/21.15;plot(ua1,ft1,ua2,ft2,ua3,ft3,ua4,ft4,ua1,fz1,ua2,fz2,ua3,fz3,ua4,fz4);title('驱动力与行驶阻力平衡图');Xlabel('ua(km/h)');Ylabel('ft(N)');gtext('Ft1')gtext('Ft2')gtext('Ft3')gtext('Ft4')gtext('Ff+Fw')2、求汽车的最高车速、最大爬坡度1)汽车的最高车速当Ft=Ff+Fw时,汽车处于稳定状态,并达到最高车速用matlab对驱动力与行驶阻力图进行放大处理可得交点坐标为(106.53,1757.68)因此,uamax=106.53km/h2)最大爬坡度一档时有最大爬坡度,用matlab对驱动力与行驶阻力图进行放大处理可得当ua=8.56km/h时,Ft1-(Ff+Fw)最大值。m1=1995;m2=1700;mz=3695;g=9.81;f=0.0125-0.0025;nt=0.87+0.025;cda=2.60;r=0.37;i0=5.83;ig1=6.12;ig2=3.11;ig3=1.69;ig4=1.00;ua1=8.56;n=ua1.*ig1.*i0/(0.377.*r);a=-19.31;a1=296;a2=-165;a3=40.9;a4=-3.85;c=1000;tq=a+a1*(n/c)+a2*(n/c).^2+a3*(n/c).^3+a4*(n/c).^4;ft1=tq.*ig1.*i0.*nt/rfz1=mz.*g.*f+cda*ua1.^2/21.15%fz=Ff+Fw输出:ft1=15415Nfz1=371.4871Ni=tanα=tan[arcsin(ft1-fz1)/(mz.*g)]可知:α=24.02°.i=tanα=0.443、绘制加速度倒数曲线n=600:1:4000;r=0.37;nt=0.87+0.025;f=0.0125-0.0025;m=3695;g=9.81;G=m.*g;CDA=2.60;If=0.22;Iw1=1.80;Iw2=3.60;i0=5.83;ig1=6.12;ig2=3.11;ig3=1.69;ig4=1.00;ua1=0.377*r.*n/(ig1.*i0);ua2=0.377*r.*n/(ig2.*i0);ua3=0.377*r.*n/(ig3.*i0);ua4=0.377*r.*n/(ig4.*i0);a=-19.31;a1=296;a2=-165;a3=40.9;a4=-3.85;c=1000;tq=a+a1*(n/c)+a2*(n/c).^2+a3*(n/c).^3+a4*(n/c).^4;b1=1+(Iw1+Iw2)./(m.*r.^2)+(If.*ig1.^2.*i0.^2.*nt)/(m.*r.^2);b2=1+(Iw1+Iw2)./(m.*r.^2)+(If.*ig2.^2.*i0.^2.*nt)/(m.*r.^2);b3=1+(Iw1+Iw2)./(m.*r.^2)+(If.*ig3.^2.*i0.^2.*nt)/(m.*r.^2);b4=1+(Iw1+Iw2)./(m.*r.^2)+(If.*ig4.^2.*i0.^2.*nt)/(m.*r.^2);ft1=tq.*ig1.*i0.*nt/r;ft2=tq.*ig2.*i0.*nt/r;ft3=tq.*ig3.*i0.*nt/r;ft4=tq.*ig4.*i0.*nt/r;fw1=CDA.*(ua1.^2)/21.15;fw2=CDA.*(ua2.^2)/21.15;fw3=CDA.*(ua3.^2)/21.15;fw4=CDA.*(ua4.^2)/21.15;D1=(ft1-fw1)./G;D2=(ft2-fw2)./G;D3=(ft3-fw3)./G;D4=(ft4-fw4)./G;a1=g.*(D1-f)/b1;a2=g.*(D2-f)/b2;a3=g.*(D3-f)/b3;a4...

1、当您付费下载文档后,您只拥有了使用权限,并不意味着购买了版权,文档只能用于自身使用,不得用于其他商业用途(如 [转卖]进行直接盈利或[编辑后售卖]进行间接盈利)。
2、本站所有内容均由合作方或网友上传,本站不对文档的完整性、权威性及其观点立场正确性做任何保证或承诺!文档内容仅供研究参考,付费前请自行鉴别。
3、如文档内容存在违规,或者侵犯商业秘密、侵犯著作权等,请点击“违规举报”。

碎片内容

汽车运用工程大作业

文库当当响+ 关注
实名认证
内容提供者

该用户很懒,什么也没介绍

确认删除?
VIP
微信客服
  • 扫码咨询
会员Q群
  • 会员专属群点击这里加入QQ群
客服邮箱
回到顶部