电脑桌面
添加小米粒文库到电脑桌面
安装后可以在桌面快捷访问

沥青路面验收标准VIP免费

沥青路面验收标准_第1页
1/4
沥青路面验收标准_第2页
2/4
沥青路面验收标准_第3页
3/4
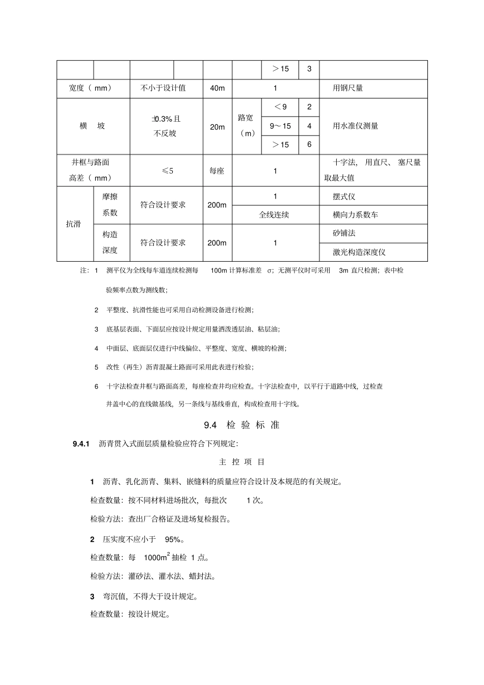
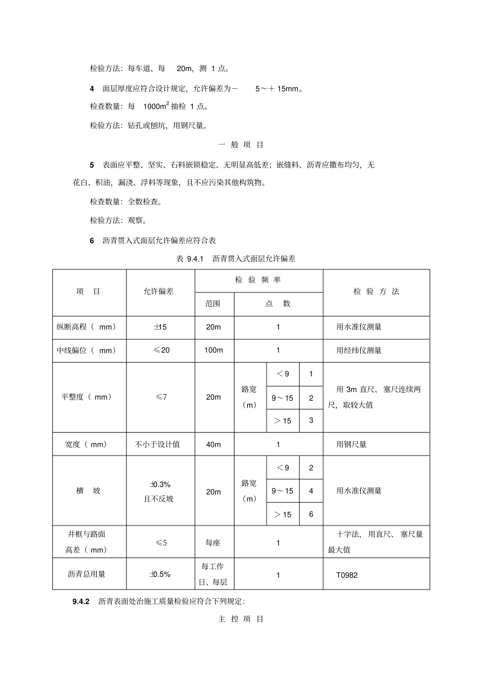
热拌沥青混合料面层质量检验应符合下列规定:主控项目1)沥青混合料面层压实度,对城市快速路、主干路不应小于96%;对次干路及以下道路不应小于95%。检查数量:每1000m2测1点。检验方法:查试验记录(马歇尔击实试件密度,试验室标准密度)。2)面层厚度应符合设计规定,允许偏差为+10~-5mm。检查数量:每1000m2测1点。检验方法:钻孔或刨挖,用钢尺量。3)弯沉值,不应大于设计规定。检查数量:每车道、每20m,测1点。检验方法:弯沉仪检测。一般项目3表面应平整、坚实,接缝紧密,无枯焦;不应有明显轮迹、推挤裂缝、脱落、烂边、油斑、掉渣等现象,不得污染其他构筑物。面层与路缘石、平石及其他构筑物应接顺,不得有积水现象。检查数量:全数检查。检验方法:观察。4热拌沥青混合料面层允许偏差应符合表表8.5.1热拌沥青混合料面层允许偏差项目允许偏差检验频率检验方法范围点数纵断高程(mm)±1520m1用水准仪测量中线偏位(mm)≤20100m1用经纬仪测量平整度(mm)标准差σ值快速路、主干路≤1.5100m路宽(m)<91用测平仪检测,见注19~152次干路、支路≤2.4>153最大间隙次干路、支路≤520m路宽(m)<91用3m直尺和塞尺连续量取两尺,取最大值9~152>153宽度(mm)不小于设计值40m1用钢尺量横坡±0.3%且不反坡20m路宽(m)<92用水准仪测量9~154>156井框与路面高差(mm)≤5每座1十字法,用直尺、塞尺量取最大值抗滑摩擦系数符合设计要求200m1摆式仪全线连续横向力系数车构造深度符合设计要求200m1砂铺法激光构造深度仪注:1测平仪为全线每车道连续检测每100m计算标准差σ;无测平仪时可采用3m直尺检测;表中检验频率点数为测线数;2平整度、抗滑性能也可采用自动检测设备进行检测;3底基层表面、下面层应按设计规定用量洒泼透层油、粘层油;4中面层、底面层仅进行中线偏位、平整度、宽度、横坡的检测;5改性(再生)沥青混凝土路面可采用此表进行检验;6十字法检查井框与路面高差,每座检查井均应检查。十字法检查中,以平行于道路中线,过检查井盖中心的直线做基线,另一条线与基线垂直,构成检查用十字线。9.4检验标准9.4.1沥青贯入式面层质量检验应符合下列规定:主控项目1沥青、乳化沥青、集料、嵌缝料的质量应符合设计及本规范的有关规定。检查数量:按不同材料进场批次,每批次1次。检验方法:查出厂合格证及进场复检报告。2压实度不应小于95%。检查数量:每1000m2抽检1点。检验方法:灌砂法、灌水法、蜡封法。3弯沉值,不得大于设计规定。检查数量:按设计规定。检验方法:每车道、每20m,测1点。4面层厚度应符合设计规定,允许偏差为-5~+15mm。检查数量:每1000m2抽检1点。检验方法:钻孔或刨坑,用钢尺量。一般项目5表面应平整、坚实、石料嵌锁稳定、无明显高低差;嵌缝料、沥青应撒布均匀,无花白、积油,漏浇、浮料等现象,且不应污染其他构筑物。检查数量:全数检查。检验方法:观察。6沥青贯入式面层允许偏差应符合表表9.4.1沥青贯入式面层允许偏差项目允许偏差检验频率检验方法范围点数纵断高程(mm)±1520m1用水准仪测量中线偏位(mm)≤20100m1用经纬仪测量平整度(mm)≤720m路宽(m)<91用3m直尺、塞尺连续两尺,取较大值9~152>153宽度(mm)不小于设计值40m1用钢尺量横坡±0.3%且不反坡20m路宽(m)<92用水准仪测量9~154>156井框与路面高差(mm)≤5每座1十字法,用直尺、塞尺量最大值沥青总用量±0.5%每工作日、每层1T09829.4.2沥青表面处治施工质量检验应符合下列规定:主控项目1沥青、乳化沥青的品种、指标、规格应符合设计和本规范的有关规定。检查数量:按进场批次。检验方法:查出厂合格证、出厂检验报告、进场检验报告。一般项目2集料应压实平整,沥青应洒布均匀、无露白,嵌缝料应撒铺、扫墁均匀,不应有重叠现象。3沥青表面处治允许偏差应符合表表9.4.2沥青表面处治允许偏差项目允许偏差检验频率检验方法范围点数纵断高程(mm)±1520m1用水准仪测量中线偏位(mm)≤20100m1用经纬仪测量平整度(mm)≤720m路宽(m)<91用3m直尺和塞尺连续量两尺,取较大值9~152>153宽度(mm)不小于设计规定40m1用钢尺量横坡±0.3%且不反...

1、当您付费下载文档后,您只拥有了使用权限,并不意味着购买了版权,文档只能用于自身使用,不得用于其他商业用途(如 [转卖]进行直接盈利或[编辑后售卖]进行间接盈利)。
2、本站所有内容均由合作方或网友上传,本站不对文档的完整性、权威性及其观点立场正确性做任何保证或承诺!文档内容仅供研究参考,付费前请自行鉴别。
3、如文档内容存在违规,或者侵犯商业秘密、侵犯著作权等,请点击“违规举报”。

碎片内容

沥青路面验收标准

您可能关注的文档

确认删除?
VIP
微信客服
  • 扫码咨询
会员Q群
  • 会员专属群点击这里加入QQ群
客服邮箱
回到顶部