电脑桌面
添加小米粒文库到电脑桌面
安装后可以在桌面快捷访问

河南理工大学微机原理及接口技术期末试题A级答案VIP免费

河南理工大学微机原理及接口技术期末试题A级答案_第1页
1/15
河南理工大学微机原理及接口技术期末试题A级答案_第2页
2/15
河南理工大学微机原理及接口技术期末试题A级答案_第3页
3/15
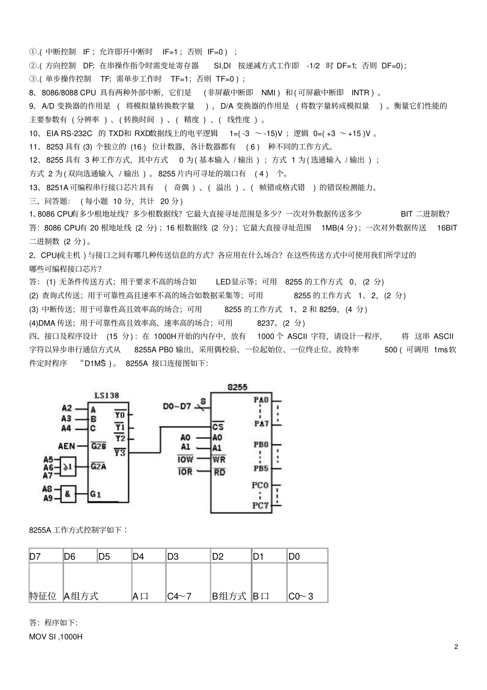
1微机原理及接口技术期末试题一、单项选择题(每小题1分,共10分)1、8086/8088的时钟信号是由(C)提供。A.8259B.8255C.8284D.82532、指令MOVAX,0283H[BX][SI]中源操作数的寻址方式为(B)。A.寄存器间接寻址B.基址变址相对寻址C.基址寻址D.变址寻址3、某存储单元的段基址为3806H,段内偏移地址为2948H,该存储单元的物理地址为(B)。A.4100HB.3A9A8HC.3B008HD.3AA08H4、某存储器芯片有地址线15根,数据线8根、该存储器芯片的存储容量为(D)。A.15K×8B.32K×256C.1K×8D.32K×85、某存储器芯片容量为2K×4bit、若用它组成16K×8bit存储器组,所用芯片数以及用于组内寻址的地址线为(B)。A.2片、11根B.16片、14根C.8片、16根D.16片、8根6、DMAC8237具有(C)独立通道。A.八个B.二个C.四个D.三个7、可编程中断控制器8259A每片具有(C)优先权控制。A.4级B.2级C.8级D.6级8、若要某系统的8253的2通道输出波形为占空比1:1的方波、分频系数为1000、二进制计数,其工作方式命令字为(B)。A.A6HB.B6HC.B4HD.C7H9、8237片内寻址的端口有(D)个。A.4B.2C.8D.1610、8259片内寻址的端口有(B)个。A.4B.2C.8D.16二、填空题:(每空1分,共计40分)1、指令ASSUME在程序中出现时表示:(段寄存器与段之间的对应关系)。2、编语言源程序中的语句结构由4部分组成,每个部分称为项(也可称为域或埸),各项名称分别为:(标号或变量名)、(操作码)、(操作数)、(注释)。3、志寄存器FR中有六个状态标志,它们的符号、名称以及为0和1时代表的意义分别为:①.(进/借位位CF;当运算中最高位有进位或借位时CF=1;否则CF=0);②.(符号位SF;当运算的结果最高位为1即结果为负数时SF=1;否则SF=0);③.(奇偶位PF;当运算的结果中低8位中含1的个数为偶数时PF=1;否则PF=0);④.(全零位ZF;当运算的结果为零时ZF=1;否则ZF=0);⑤.(溢出位OF;当带符号数运算的结果有溢出时OF=1;否则OF=0);⑥.(半进/借位位AF;当运算的结果D3向D4有进位或借位时AF=1;否则AF=0);4、微机主机与输入/输出设备之间的数据传送方式有以下四种方式:(无条件传送)、(查询式传送)、(中断传送)、(DMA传送)、5、执行下面的程序段后,AX=(35)MOVCX,5MOVAX,50NEXT:SUBAX,CXLOOPNEXTHLT6、执行下面的程序段后,AL=(34H),BUFDW2152H,3416H,5731H,4684HMOVBX,OFFSETBUFMOVAL,3XLAT7、标志寄存器FR中有三个控制标志,它们的符号、名称以及为0和1时代表的意义分别为:2①.(中断控制IF;允许即开中断时IF=1;否则IF=0);②.(方向控制DF;在串操作指令时需变址寄存器SI,DI按递减方式工作即-1/2时DF=1;否则DF=0);③.(单步操作控制TF;需单步工作时TF=1;否则TF=0);8、8086/8088CPU具有两种外部中断,它们是(非屏蔽中断即NMI)和(可屏蔽中断即INTR)。9、A/D变换器的作用是(将模拟量转换数字量),D/A变换器的作用是(将数字量转成模拟量)。衡量它们性能的主要参数有(分辨率)、(转换时间)、(精度)、(线性度)。10、EIARS-232C的TXD和RXD数据线上的电平逻辑1=(-3~-15)V;逻辑0=(+3~+15)V。11、8253具有(3)个独立的(16)位计数器,各计数器都有(6)种不同的工作方式。12、8255具有3种工作方式,其中方式0为(基本输入/输出);方式1为(选通输入/输出);方式2为(双向选通输入/输出)。8255片内可寻址的端口有(4)个。13、8251A可编程串行接口芯片具有(奇偶)、(溢出)、(帧错或格式错)的错误检测能力。三、问答题:(每小题10分,共计20分)1、8086CPU有多少根地址线?多少根数据线?它最大直接寻址范围是多少?一次对外数据传送多少BIT二进制数?答:8086CPU有20根地址线(2分);16根数据线(2分);它最大直接寻址范围1MB(4分);一次对外数据传送16BIT二进制数(2分)。2、CPU(或主机)与接口之间有哪几种传送信息的方式?各应用在什么场合?在这些传送方式中可使用我们所学过的哪些可编程接口芯片?答:(1)无条件传送方式;用于要求不高的场合如LED显示等;可用8255的工作方式0,(2分)(2)查询式传送;用于可靠性高且速率不高的场合如数据采集等;可用8255的工作方式1、2,(2分)(3)中断传送;用于可靠性高且效率高的场合;可用8255的工作方式1、2和8259,(4分)(4)DMA传送;用于可...

1、当您付费下载文档后,您只拥有了使用权限,并不意味着购买了版权,文档只能用于自身使用,不得用于其他商业用途(如 [转卖]进行直接盈利或[编辑后售卖]进行间接盈利)。
2、本站所有内容均由合作方或网友上传,本站不对文档的完整性、权威性及其观点立场正确性做任何保证或承诺!文档内容仅供研究参考,付费前请自行鉴别。
3、如文档内容存在违规,或者侵犯商业秘密、侵犯著作权等,请点击“违规举报”。

碎片内容

河南理工大学微机原理及接口技术期末试题A级答案

文库响当当+ 关注
实名认证
内容提供者

该用户很懒,什么也没介绍

确认删除?
VIP
微信客服
  • 扫码咨询
会员Q群
  • 会员专属群点击这里加入QQ群
客服邮箱
回到顶部