电脑桌面
添加小米粒文库到电脑桌面
安装后可以在桌面快捷访问

消防管理员职业标准VIP免费

消防管理员职业标准_第1页
1/5
消防管理员职业标准_第2页
2/5
消防管理员职业标准_第3页
3/5
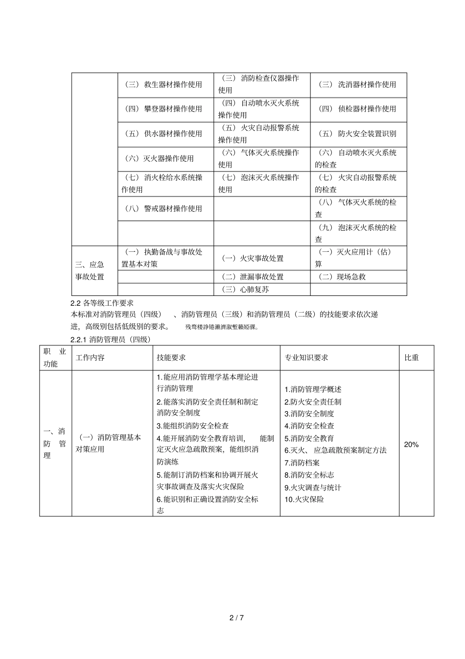
1/7《消防管理员》职业标准一、职业概况1.1职业名称消防管理员1.2职业定义掌握较全面的消防知识,从事机关、团体、企业、事业等单位消防安全管理、消防设施设备操作管理、火灾应急事故处置等工作的人员。矚慫润厲钐瘗睞枥庑赖賃軔。1.3职业等级由低到高分为三级:消防管理员(四级)、消防管理员(三级)、消防管理员(二级)。1.4职业环境条件室内、外,常温、高温、低温,有毒、有害。1.5职业能力特征具有正常智力,身心健康,反应敏捷,色觉正常,手指手臂灵活,一定的组织管理能力。1.6基本文化程度初中毕业(或同等学历)。1.7鉴定要求1.7.1适用对象从事或准备从事本职业的人员。1.7.2申报条件参照上海市职业技能鉴定申报条件及相关规定。1.7.3鉴定方式消防管理员(四级)、消防管理员(三级)、消防管理员(二级)采用非一体化鉴定方式:分为理论知识考试和操作技能考核两部分。消防管理员(四级)、消防管理员(三级)、消防管理员(二级)理论知识考试采用闭卷笔试或(和)机考方式,操作技能考核采用现场实际操作和实践课题方式。理论知识考试和操作技能考核均实行百分制,成绩皆达60分以上者为合格。聞創沟燴鐺險爱氇谴净祸測。1.7.4鉴定场所设备理论知识考试:采光、照明良好的教室。操作技能考核:多媒体教学演示设备、消防设施、消防器材、消防车辆等。二、工作要求2.1“职业功能”、“工作内容”一览表职业功能工作内容消防管理员(四级)消防管理员(三级)消防管理员(二级)一、消防管理(一)消防管理基本对策应用(一)消防分科管理(一)消防分科管理(二)消防分科管理(二)火灾事故处置中的安全管理二、消防设施设备操作使用(一)简易灭火器材操作使用(一)破拆器材操作使用(一)堵漏器材操作使用(二)防护装具操作使用(二)泡沫灭火器材操作使用(二)输转器材操作使用2/7(三)救生器材操作使用(三)消防检查仪器操作使用(三)洗消器材操作使用(四)攀登器材操作使用(四)自动喷水灭火系统操作使用(四)侦检器材操作使用(五)供水器材操作使用(五)火灾自动报警系统操作使用(五)防火安全装置识别(六)灭火器操作使用(六)气体灭火系统操作使用(六)自动喷水灭火系统的检查(七)消火栓给水系统操作使用(七)泡沫灭火系统操作使用(七)火灾自动报警系统的检查(八)警戒器材操作使用(八)气体灭火系统的检查(九)泡沫灭火系统的检查三、应急事故处置(一)执勤备战与事故处置基本对策(一)火灾事故处置(一)灭火应用计(估)算(二)泄漏事故处置(二)现场急救(三)心肺复苏2.2各等级工作要求本标准对消防管理员(四级)、消防管理员(三级)和消防管理员(二级)的技能要求依次递进,高级别包括低级别的要求。残骛楼諍锩瀨濟溆塹籟婭骒。2.2.1消防管理员(四级)职业功能工作内容技能要求专业知识要求比重一、消防管理(一)消防管理基本对策应用1.能应用消防管理学基本理论进行消防管理2.能落实消防安全责任制和制定消防安全制度3.能组织消防安全检查4.能开展消防安全教育培训,能制定灭火应急疏散预案,能组织消防演练5.能制订消防档案和协调开展火灾事故调查及落实火灾保险6.能识别和正确设置消防安全标志1.消防管理学概述2.防火安全责任制3.消防安全制度4.消防安全检查5.消防安全教育6.灭火、应急疏散预案制定方法7.消防档案8.消防安全标志9.火灾调查与统计10.火灾保险20%3/7(二)消防分科管理1.能开展单位有关防火分区和安全疏散等建筑防火管理工作2.能开展单位有关电气线路等防火管理工作3.能开展单位有关危险化学品防火管理工作4.能开展单位有关火源及三级动火等防火管理工作5.能开展公众聚集场所基本防火管理工作6.能开展仓储场所基本防火管理工作1.建筑学概述2.防火分区及防火分隔物3.安全疏散4.电气火灾的特点及原因分析5.工业企业供配电系统6.电气线路防火措施7.安全用电8.危险物品的分类及标志9.危险化学品火灾危险性10.点火源的种类及控制对策11.三级动火管理12.人员聚集场所防火管理措施13.仓储火灾危险性分类14.仓储防火管理的基本措施20%二、消防设施设备操作使用(一)简易灭火器材操作使用1.能操作使用简易...

1、当您付费下载文档后,您只拥有了使用权限,并不意味着购买了版权,文档只能用于自身使用,不得用于其他商业用途(如 [转卖]进行直接盈利或[编辑后售卖]进行间接盈利)。
2、本站所有内容均由合作方或网友上传,本站不对文档的完整性、权威性及其观点立场正确性做任何保证或承诺!文档内容仅供研究参考,付费前请自行鉴别。
3、如文档内容存在违规,或者侵犯商业秘密、侵犯著作权等,请点击“违规举报”。

碎片内容

消防管理员职业标准

确认删除?
VIP
微信客服
  • 扫码咨询
会员Q群
  • 会员专属群点击这里加入QQ群
客服邮箱
回到顶部