电脑桌面
添加小米粒文库到电脑桌面
安装后可以在桌面快捷访问

消防系统运行规程0403VIP免费

消防系统运行规程0403_第1页
1/18
消防系统运行规程0403_第2页
2/18
消防系统运行规程0403_第3页
3/18
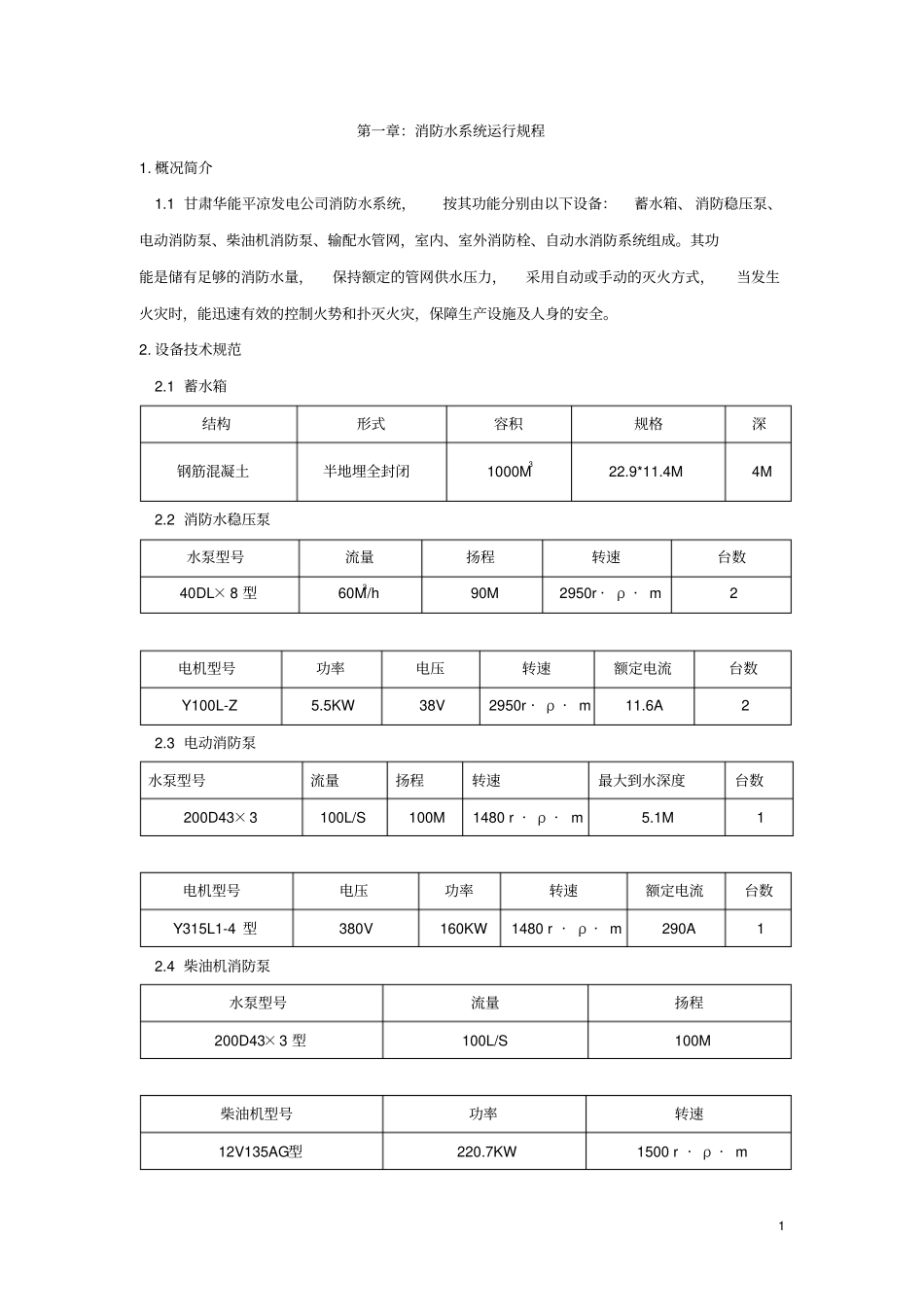
1第一章:消防水系统运行规程1.概况简介1.1甘肃华能平凉发电公司消防水系统,按其功能分别由以下设备:蓄水箱、消防稳压泵、电动消防泵、柴油机消防泵、输配水管网,室内、室外消防栓、自动水消防系统组成。其功能是储有足够的消防水量,保持额定的管网供水压力,采用自动或手动的灭火方式,当发生火灾时,能迅速有效的控制火势和扑灭火灾,保障生产设施及人身的安全。2.设备技术规范2.1蓄水箱结构形式容积规格深钢筋混凝土半地埋全封闭1000M322.9*11.4M4M2.2消防水稳压泵水泵型号流量扬程转速台数40DL×8型60M3/h90M2950r·ρ·m2电机型号功率电压转速额定电流台数Y100L-Z5.5KW38V2950r·ρ·m11.6A22.3电动消防泵水泵型号流量扬程转速最大到水深度台数200D43×3100L/S100M1480r·ρ·m5.1M1电机型号电压功率转速额定电流台数Y315L1-4型380V160KW1480r·ρ·m290A12.4柴油机消防泵水泵型号流量扬程200D43×3型100L/S100M柴油机型号功率转速12V135AG型220.7KW1500r·ρ·m22.5输配水管网名称管径最高水压主管网Dg30010Mpa次管网Dg20010MPa2.6消防栓型号工作压力型式KD65型≤0.5Mpa/cm2户内SS100型≤1.25Mpa/cm2户外2.7自动水消防系统消防区域雨淋阀型号、规格喷头型号及规格灭火方式汽机主油箱、储油箱ZSFM-150型PN=1.6MpaZSFW-63-120型自动报警自动或手动灭火A、B小机润滑油箱、电动给水泵ZSFM-100型PN=1.6MpaZSFW-63-120型自动报警自动或手动灭火汽机密封油系统ZSFM-100型PN=1.6MpaZSFW-63-120型自动报警自动或手动灭火锅炉本体4角烧器ZSFM-100型PN=1.6MpaZSFK-15型自动报警自动或手动灭火主变、厂高变、#0、#1、#2、#3备高变、#0启备变ZSFM-100型PN=1.6MpaZSTW-63-120型自动报警自动或手动灭火#1、#2、#3、#4柴油发电机ZSFM-100型PN=1.6MpaZSTW-63-120型自动报警自动或手动灭火消防区域湿式报警阀型号玻璃泡喷头灭火方式锅炉磨煤机润滑油箱ZSFzX-100型PN=1.6MpaZSFK-15型自动报警自动灭火3汽机运转层油管道ZSFzX-150型PN=1.6MpaZSTW-100型自动报警自动灭火网控楼3.6M电缆夹层ZSFzX-150型PN=1.6MpaZSTW-100型自动报警自动灭火集控楼9.6M电缆夹层ZSFzX-150型PN=1.6MpaZSTW-100型自动报警自动灭火3.消防水蓄水箱的运行与维护3.1蓄水箱在充水前,应检查蓄水箱检修工作是否结束,箱内是否冲洗净,各通气管及溢水管是否畅通,水位监视装置是否完好。3.2具备充水条件后,开启蓄水箱进水阀充水。3.3当蓄水箱水位达到标高后,开启蓄水箱出水阀。3.4蓄水箱投运后,应定期进行检查。投入运行的蓄水箱,进出水管道阀门、箱壁应无泄漏,蓄水箱周边应无杂物,顶部人孔盖应盖好。3.5每2小时实地校对水箱水位一次。3.6运行中蓄水箱水位应保持在最高水位。3.7蓄水箱水位下降后应及时进行补充,消防蓄水应急经使用后,必须4小时内补充足原储水量。3.8蓄水箱每半年进行一次全面检查和维修,对外露的管道、阀门、支架应进行一次除锈、刷漆。刷漆后,应及时恢复原管道的介质流向标志及阀门牌号。3.9蓄水箱检修后在投运之前,应对水泵吸水管、消防水母管进行一次认真的冲洗,以防检修中产生的杂物或沉集的泥沙阻塞消防水系统。3.10每月至少对蓄水箱水位控制器与实地水位进行一次校对,以保证水位指示的准确性。3.11消防蓄水为消防灭火专用水,未经批准,不得作为他用。4.消防稳压泵的启动4.1消防稳压泵启动前的检查1、围清洁无杂物,水泵地脚螺丝无松动,轴密封良好,电动机接线良好,旋转指示正确,设备牌号清晰。2、手动盘车灵活,无碰撞、卡涩、磨檫现象。43、压力表完好,指示正常。4、水泵进水阀在全开位置,出水阀在关闭位置。4.2启动1、合启动开关。2、视压力表指示上升后,缓开泵的出水阀,调节至正常流量,并将启动方式控制器投入“自动”位置。动过程中若有异常,因立即停止启动,未查明原因,不得再次启动。3、泵启动后,若发现水泵出口压力无指示或指示偏低时,应进行检查,检查电机旋转方向是否正确,水泵密封是否完好正常。5.消防稳压泵运行中的检查与维护。5.1运行中的稳压泵,应每小时定期检查一次,检查项目:电动机电流,水泵压力,轴承温度、振动、轴密封等。5.2运行中的水泵电机外...

1、当您付费下载文档后,您只拥有了使用权限,并不意味着购买了版权,文档只能用于自身使用,不得用于其他商业用途(如 [转卖]进行直接盈利或[编辑后售卖]进行间接盈利)。
2、本站所有内容均由合作方或网友上传,本站不对文档的完整性、权威性及其观点立场正确性做任何保证或承诺!文档内容仅供研究参考,付费前请自行鉴别。
3、如文档内容存在违规,或者侵犯商业秘密、侵犯著作权等,请点击“违规举报”。

碎片内容

消防系统运行规程0403

您可能关注的文档

确认删除?
VIP
微信客服
  • 扫码咨询
会员Q群
  • 会员专属群点击这里加入QQ群
客服邮箱
回到顶部