电脑桌面
添加小米粒文库到电脑桌面
安装后可以在桌面快捷访问

涡河航道整治工可方案汇报简本VIP专享VIP免费

涡河航道整治工可方案汇报简本_第1页
1/29
涡河航道整治工可方案汇报简本_第2页
2/29
涡河航道整治工可方案汇报简本_第3页
3/29
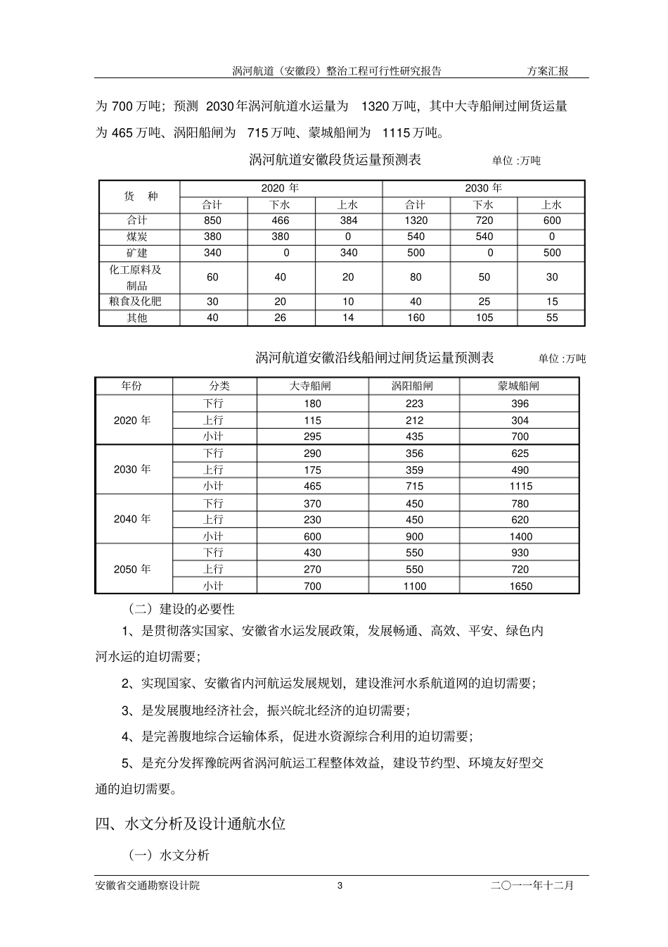
方案汇报一、项目背景涡河是淮河第二大支流,发源于河南省开封县西贾鲁河东侧的徐口镇,流经河南省的开封、尉氏、通许、太康、杞县、柘城、鹿邑和安徽省的亳州、涡阳、蒙城等市县,于安徽怀远县城附近汇入淮河,长约380km,流域面积1.59万平方公里。涡河航道自太康马厂至怀远入淮口,全长285.8km,其中河南段66.3km(含省界段8.5km),安徽段228km(含省界段8.5km)。自马厂以下在河南境内建有玄武、鹿邑节制闸,配有100吨级鹿邑船闸,在安徽境内建有大寺、涡阳和蒙城节制闸,配有100吨级大寺、涡阳、蒙城船闸。涡河河南段位于商丘、周口市境内,自太康县马厂至蒋营,全长66.3km,处于断航状态。涡河河南段航运开发建设一期工程已于2009年开工建设,即将完工,该工程整治下游段玄武镇S210公路桥至豫皖省界处37.3公里航道;河南段二期整治上游段自玄武镇S210公路桥至马厂29km航道,建设500吨级玄武船闸,计划于2010年底开工建设。涡河安徽段航道位于亳州市与蚌埠市境内,自戴桥至怀远河口,全长228km,其中戴桥至大寺43km处于断航状态,大寺至蒙城闸98km为Ⅵ级航道,蒙城闸至怀远河口87km为Ⅴ级航道。其中亳州段自戴桥至蒙怀界长约174公里,蚌埠段自蒙怀界至怀远河口长约54公里。涡河安徽段航道为《安徽省内河航运发展规划》中我省五条地区重要航道之一,规划为Ⅳ级航道。交通运输部《交通运输“十二五”发展规划》明确指出“要实施涡河、沱浍河、三峡库区支流等区域主要航道建设工程,扶持中西部、少边穷地区水运基础设施建设”;《安徽省交通运输“十二五”发展规划》提出“开工沱浍河、涡河等支流航道整治工程,全面提升淮河水系通航条件”;《安徽省水运“十二五”发展规划》指出“积极推进浍河、涡河、新安江、兆河~西河、水阳江等区域重要航道建设”。近年来,随着腹地经济的快速发展,工业化和城镇化进程加快,特别是煤炭资源的开发,急需提升涡河航道等级。提升涡河航道等级对促进皖北、豫东经济社会发展和中部崛起,完善综合运输体系、振兴淮河水运和淮河水系航道网建设都具有十分重要的意义。2为贯彻落实“国务院关于加快长江等内河水运发展的意见”精神,加快皖北水运发展,建设畅通、高效、平安、绿色的现代化内河水运体系,同时涡河航道河南段“十一五”已开工建设,为满足腹地运输需求,应抓紧开展涡河安徽段前期工作,使之尽快实施。为此,按照省交通运输厅、省港航管理局和亳州市政府的要求,亳州市港航管理局委托我院开展《涡河航道(安徽段)整治工程可行性研究报告》的编制工作。二、研究依据、范围、原则(一)主要依据文件及规范1、主要依据文件(1)“委托开展《涡河航道(安徽段)整治工程可行性研究报告》的委托书(安徽省亳州市港航管理局,2011.7.20);(2)《全国内河航道与港口布局规划(2006~2020年)》;(3)《安徽省内河航运发展规划(2005~2020年)》;(4)《第二次全国内河航道普查资料汇编》(交通部,2004年)。2、主要依据规范(1)《内河通航标准》(GB50139-2004);(2)《堤防工程设计规范》(GB50286-98);(3)《防洪标准》(GB50201-94);(4)《港口与航道护岸工程设计与施工规范》(JTJ300-2000);(5)《船闸工程总体设计规范》(JTJ305-2001)。(二)研究范围及内容研究范围:自省界戴桥至怀远河口止,全长约228公里航道。研究内容:船闸工程、桥梁工程、疏浚工程、护岸工程、锚地服务区工程及航标工程等。三、运量预测及建设的必要性(一)运量预测结合腹地经济社会发展和煤炭资源开发规划,预测2020年涡河航道水运量为850万吨,其中大寺船闸过闸货运量为295万吨、涡阳船闸为435万吨、蒙城船闸涡河航道(安徽段)整治工程可行性研究报告方案汇报安徽省交通勘察设计院二○一一年十二月3为700万吨;预测2030年涡河航道水运量为1320万吨,其中大寺船闸过闸货运量为465万吨、涡阳船闸为715万吨、蒙城船闸为1115万吨。涡河航道安徽段货运量预测表单位:万吨货种2020年2030年合计下水上水合计下水上水合计8504663841320720600煤炭38038005405400矿建34003405000500化工原料及制品604020805030粮食及化肥302010402515其他4026141...

1、当您付费下载文档后,您只拥有了使用权限,并不意味着购买了版权,文档只能用于自身使用,不得用于其他商业用途(如 [转卖]进行直接盈利或[编辑后售卖]进行间接盈利)。
2、本站所有内容均由合作方或网友上传,本站不对文档的完整性、权威性及其观点立场正确性做任何保证或承诺!文档内容仅供研究参考,付费前请自行鉴别。
3、如文档内容存在违规,或者侵犯商业秘密、侵犯著作权等,请点击“违规举报”。

碎片内容

涡河航道整治工可方案汇报简本

文库响当当+ 关注
实名认证
内容提供者

该用户很懒,什么也没介绍

确认删除?
VIP
微信客服
  • 扫码咨询
会员Q群
  • 会员专属群点击这里加入QQ群
客服邮箱
回到顶部