电脑桌面
添加小米粒文库到电脑桌面
安装后可以在桌面快捷访问

游泳跳水馆水处理设备改造方案VIP免费

游泳跳水馆水处理设备改造方案_第1页
1/3
游泳跳水馆水处理设备改造方案_第2页
2/3
游泳跳水馆水处理设备改造方案_第3页
3/3
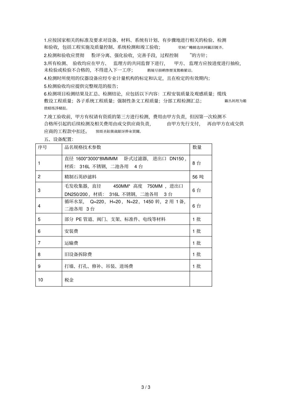
1/3天津游泳跳水馆水处理设备改造方案一、概述天津市游泳跳水馆是1992年建成投入使用的,在2000年悉尼奥运会后由市体育局全力斥资对该馆进行内部改造、维修,使内外环境焕然一新,并达到了国际一流的场馆池标准。矚慫润厲钐瘗睞枥庑赖賃軔。由于多年高负荷使用,原有设备已趋于老化,现需对水处理系统设备进行更新改造,将原来的使用的玻璃钢过滤器全部更新为卧式316L不锈钢过滤器,以能延长使用寿命,更加有效地提高游泳池的水质,确保游泳、跳水、花样和水球队训练和对群众开放的正常使用。聞創沟燴鐺險爱氇谴净祸測。二、规模:游泳池为21X50米,8条泳道,水深2米至3米,并设有600人的看台坐席,蓄水量2800立方米。跳水池为21X25米,水深4米至5.5米,设有1米、3米、5米、7米10米跳台和1米、3米液压升降跳台,安装有7块性能完好的1米、3米跳板,蓄水量2600立方米。残骛楼諍锩瀨濟溆塹籟婭骒。三、设计改造依据1、中华人民共和国国家标准:GB50015-2003《建筑给水排水设计规范》;2、国际泳联标准:国际游泳协会(FINA)《国际游泳竞赛规则》和/或中国游泳协会中国游泳协会《游泳竞赛规则》;酽锕极額閉镇桧猪訣锥顧荭。3、中国工程建设标准化协会标准:CECS14:2002《游泳池和水上游乐池给是水排水设计规程》;4、中华人民共和国国家标准:GB5749-85《生活饮用水卫生标准》;5、中华人民共和国国家标准:GB9667-96《游泳池场所卫生标准》;6、中国工程建设标准协会标准:CECS41:92《建筑给水硬聚氯乙烯管道设计与施工验收规程》;7、中华人民共和国国家标准:GB50268-1997《给水、排水管道工程施工及验收规范》;8、中华人民共和国国家标准:GB50171-1992《电气装置安装工程盘、柜及二次回路结线施工及验收规范》;彈贸摄尔霁毙攬砖卤庑诒尔。9、中华人民共和国国家标准:GB50254-1996《电气装置安装工程低压电气施工及验收规范》;謀荞抟箧飆鐸怼类蒋薔點鉍。10、中华人民共和国国家标准:GB50258-1996《电气装置安装工程1KV及以下配线工程施工及验收规范》;厦礴恳蹒骈時盡继價骚卺癩。11、中华人民共和国建设部标准:JB/T2932-1999《水处理设备技术条件》;12、甲方提供的数据及资料。四、水质卫生标准要求经过滤后的水池水质各项要求达到人工游泳池池水水质的卫生标准,具体如下:1、国际游泳协会(FINA)关于游泳池池水水质卫生标准的规定:序号项目水质卫生标准备注1温度26±1℃2PH值7.2~7.6(电阻值10.13~10.14Ω)宜使用电子测量3浑浊度0.10FTU滤后入池前测定值4游离性余氯0.3~0.6mg/LDPD液体2/35化合性余氯≤0.4mg/L6菌落*21±0.5℃:100个/mL24h、48h、72h37±0.5℃:100个/mL24h、48h7大肠埃希氏杆菌37±0.5℃:100个/mL池水中不可检出24h、48h8绿脓杆菌37±0.5℃:100个/mL池水中不可检出24h、48h9氧化还原电位≥700mV电阻值为10.13~10.14Ω10清晰度能清晰看见整个游泳池底11密度Kg/dm320℃时的测定值12高锰酸钾消耗量池水中的最大总量10mg/L其他水最大量3mg/L13THM(二卤甲烷)宜小于20ug/L14室内泳池的空气温度至少比泳池水温度高2℃由于建筑原因*细菌的测试应使用膜滤。过滤后,将滤膜在37℃温度下在胰蛋白酶大豆琼脂中保存2-4h,然后将滤膜放入隔离的培养基中。2、中华人民共和国行业标准《游泳池水质标准》(CJ244-2007)规定(参照):表1游泳池池水水质常规检验项目及限值序号项目限值1浑浊度/NTU≤12pH7.0~7.83尿素/mg/L≤3.5L4菌落总数【(36±1)℃,48h】CFU/ml≤2005总大肠菌群【(36±1)℃,24h】每100ml不得检出6游离性余氯/mg/L0.2~1.07化合性余氯/mg/L≤0.48臭氧(采用臭氧消毒时)/mg/m3≤0.2以下(水面上空气中)9水温℃23~30表2游泳池池水水质非常规检验项目及限值序号项目限值1溶解性总固体(TDS)/mg/L≤原水TDS+15002氧化还原电位(ORP)mV≥6503氰尿酸/mg/L≤1504三卤甲烷(THM)ug/L≤200五、设备施工质量要求3/31.应按国家相关的标准及要求对设备、材料、系统有计划、有步骤地进行相关的检验、检测和验收,包括工程实施及质量控制、系统检测和竣工验收;茕桢广鳓鯡选块网羈泪镀齐。2.检测和验收应贯彻“验评分离、强化验收,完善手段,过程控制”...

1、当您付费下载文档后,您只拥有了使用权限,并不意味着购买了版权,文档只能用于自身使用,不得用于其他商业用途(如 [转卖]进行直接盈利或[编辑后售卖]进行间接盈利)。
2、本站所有内容均由合作方或网友上传,本站不对文档的完整性、权威性及其观点立场正确性做任何保证或承诺!文档内容仅供研究参考,付费前请自行鉴别。
3、如文档内容存在违规,或者侵犯商业秘密、侵犯著作权等,请点击“违规举报”。

碎片内容

游泳跳水馆水处理设备改造方案

确认删除?
VIP
微信客服
  • 扫码咨询
会员Q群
  • 会员专属群点击这里加入QQ群
客服邮箱
回到顶部