电脑桌面
添加小米粒文库到电脑桌面
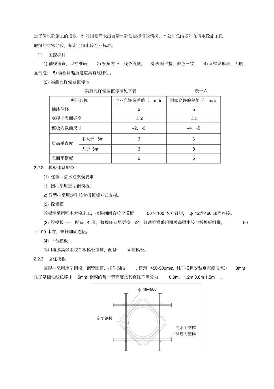
安装后可以在桌面快捷访问

游泳馆施工组织设计方案VIP免费

游泳馆施工组织设计方案_第1页
1/50
游泳馆施工组织设计方案_第2页
2/50
游泳馆施工组织设计方案_第3页
3/50
【精编方案】游泳馆施工组织设计方案游泳馆施工组织设计方案游泳馆施工组织设计方案DOC63页第八章±0.000以上主体结构工程施工1、主体结构施工顺序平台放线→墙、柱钢筋连接→墙、柱钢筋绑扎→墙、柱水电预埋→模板支撑搭设→墙、柱支模→墙、柱砼浇筑→平台梁、板支模→水电预埋→平台板面筋绑扎→梁筋、平台板底筋绑扎→局部吊模→墙、柱上端砼浇筑→养护→平台砼浇筑→转上层2、主体结构主要项目施工方法2.1钢筋工程钢筋采用集中配料,每一流水段,每根柱、平台、墙钢筋编好号后捆成束集中吊运,现场绑扎、冷挤压连接、立焊连接的施工方法。。。。。。。。。。。。。。。。。。。。。2.1.1钢筋原材料、随质保书、送验要求同地下室部分。2.1.2钢筋接头选用根据设计要求,结合规范、实际施工情况,钢筋接头连接选择(进入支座锚固除外)仍同地下室部分。2.1.3钢筋几种主要接头工艺施工要求钢筋的几种接头形式同地下室部分。2.1.4钢筋绑扎质量保证措施(1)核对成品钢筋的级别、直径、形状、尺寸和数量等是否和料单、料牌相符,如有错、漏应纠正增补。(2)准备必需数量的铁丝和保护层垫块以及常用的绑扎工具,如钢筋钩、带板口的小撬棍、绑扎架及柱、墙绑扎用鹰架等。。。。。。。。。。。。。。。。。。。。。(3)现场就位绑扎时,首先应将模板内刨花、碎木块及垃圾等清除干净。(4)划出钢筋位置线:平板或墙板的钢筋,在模板上划线;柱的箍筋,在两根对角线主筋上划点;梁的箍筋,应在架立筋上划点,基础的钢筋,在两向各取一根钢筋划点或在垫层上划线。。。。。。。。。。。。。。。。。。。。。(5)钢筋接头的位置,应根据来料规格,结合规范对接头位置、数量的规定,使其错开,在模板上划线。(6)梁、板、柱等类型较多,应在模板上分别标明各种型号构件钢筋规格、形状和数量。(7)绑扎形式复杂的结构部位,应事先制定钢筋穿插就位的顺序,支模和绑扎钢筋的先后次序。(8)预先浇筑好砼垫块,垫块均采用粗砂浇制,且均插18号扎筋丝。2.1.5预埋、预留措施(1)楼板内下层受力筋必须放在电线管道的下面;(2)板上圆孔洞直径及方形孔洞宽度(b)(b为垂直与板跨度方向孔洞宽度)小于300mm时,受力钢筋绕过孔洞边不可切断;大于300mm时应按设计要求在孔洞周围采取加固措施。。。。。。。。。。。。。。。。。。。。2.1.6钢筋工程的技术交底,注意事项:(1)钢筋的弯钩及弯折应符合《GB50204-92》规范第3.3.3条和第3.3.4条规定。(2)柱钢筋绑扎方法:弹出柱位置线后,柱子主筋接头(墩粗直螺纹或电渣压力焊接头),要求接头平直,折角不大于4°,偏心角不超过2mm。。。。。。。。。。。。。。。。。。。。。(3)机械连接接头均由专业单位施工,严格依据其专业方案及图纸、规范要求进行监督检查。(4)梁、柱板钢筋绑扎应横平竖直,间距均匀,柱筋每层绑扎一次到位,墙板筋除四周三行钢筋交叉点必须全数绑扎外,中间部分可采用间隔式绑扎,若为双向板应全数绑扎。。。。。。。。。。。。。。。。。。。。(5)为了保证柱墙竖向主筋位置准确,防止产生偏移在每个楼层结构平面上100mm处,与主筋内侧增加一道Φ18水平定位筋,并与竖向主筋点焊牢。。。。。。。。。。。。。。(6)砼柱、墙体与在砌体连接处。拉接筋或过梁插筋应按图纸要求预留到位。(7)梁与梁板钢筋重叠明显影响断面标高时,采取“保主梁、压次梁”的原则,下料时将梁主筋成加折线形。(8)梁柱交叉套箍困难时,采取柱头模板后补,先理好箍筋,再补柱模,若仍难实现,则柱筋改为“U”型箍相接并加焊接。。。。。。。。。。。。。。。。。。。。。(9)平台面筋严格按图纸及规范要求设置码凳,在砼剪两侧平台柱周边平台,框架边沿平台及悬挑板与梁相交边沿等均设置预制砼垫块,[100×100×(h-30cm)],并插扎丝与钢筋绑扎@600设双排。。。。。。。。。。。。。。。。。。。。(10)必须重视钢筋保护层厚度,严格按图纸要求施工,以保证施工质量。(11)砼浇筑搭设行人马道,砼浇筑时设专人护筋。2.1.7钢筋工程检查与验收(1)根据设计图纸检查钢筋的级别、直径、根数、间距、标高、尺寸、形状是否符合设计图纸。(2)钢筋接头位置、搭接长度及混凝土保护层是否符合有...

1、当您付费下载文档后,您只拥有了使用权限,并不意味着购买了版权,文档只能用于自身使用,不得用于其他商业用途(如 [转卖]进行直接盈利或[编辑后售卖]进行间接盈利)。
2、本站所有内容均由合作方或网友上传,本站不对文档的完整性、权威性及其观点立场正确性做任何保证或承诺!文档内容仅供研究参考,付费前请自行鉴别。
3、如文档内容存在违规,或者侵犯商业秘密、侵犯著作权等,请点击“违规举报”。

碎片内容

游泳馆施工组织设计方案

您可能关注的文档

确认删除?
VIP
微信客服
  • 扫码咨询
会员Q群
  • 会员专属群点击这里加入QQ群
客服邮箱
回到顶部