电脑桌面
添加小米粒文库到电脑桌面
安装后可以在桌面快捷访问

烟草物流师岗位等级三级技能-试卷正文资料VIP免费

烟草物流师岗位等级三级技能-试卷正文资料_第1页
1/8
烟草物流师岗位等级三级技能-试卷正文资料_第2页
2/8
烟草物流师岗位等级三级技能-试卷正文资料_第3页
3/8
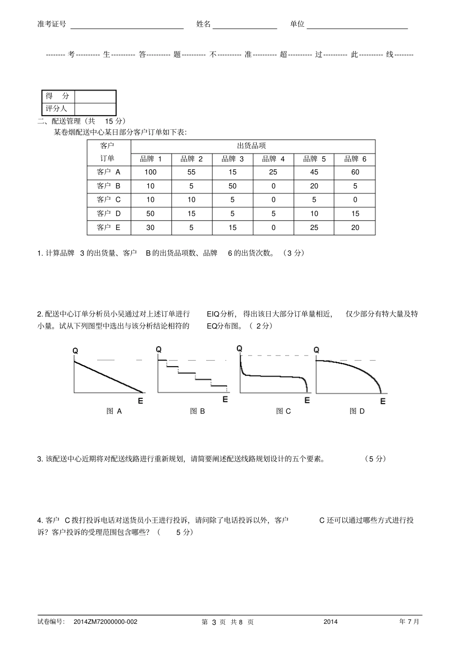
准考证号姓名单位--------考----------生----------答----------题----------不----------准----------超----------过----------此----------线--------试卷编号:2014ZM72000000-0022014年7月第1页共8页烟草行业岗位技能鉴定烟草物流师岗位等级(三级)技能鉴定试卷注意事项1.考试时间:120分钟。2.请首先按要求在试卷的标封处填写您的姓名、考号和所在单位的名称。3.请仔细阅读题目,在规定的位置填写您的答案。4.不要在试卷上乱写乱画,不要在标封区填写无关内容。5.书面完成,满分100分。第一部分第二部分第三部分第四部分第五部分第六部分总分总分人得分得分评分人一、仓储管理(共20分)第一题:仓储作业管理(5分)某烟草物流仓库X年度(365工作日)总计入库卷烟257000万支,出库卷烟218000万支;另有40000万支卷烟没有办理出、入库手续直接出入库。1.试计算该仓库X年度卷烟吞吐量。(请列出计算过程,4分)2.请问卷烟吞吐量属于仓储经济技术指标的哪一项指标?(1分)第二题:库存控制(15分)某仓库存放有10种货物,每种货物的有关资料见下表。货物编号单价(元)货物库存量(件)A8.001000B4.004250C9.001667D6.0026333E2.002500F7.001000G5.00400准考证号姓名单位--------考----------生----------答----------题----------不----------准----------超----------过----------此----------线--------试卷编号:2014ZM72000000-0022014年7月第2页共8页H3.00333I6.0029667J7.0031431.试运用库存控制中的ABC分类技术,根据库存金额进行分类,填写表一;并根据表一的分类结果填写表二。(10分,计算结果保留两位小数,错填、漏填一处内容扣0.5分,扣完为止)表一次序货物编号库存金额占总金额比重(%)累计百分比(%)分类结果12345678910表二类别货物编号占货物品种比重(%)库存金额(元)占总金额比重(%)A类B类C类总计2.试分析对于A类货物管理要注意的问题。(5分)准考证号姓名单位--------考----------生----------答----------题----------不----------准----------超----------过----------此----------线--------试卷编号:2014ZM72000000-0022014年7月第3页共8页得分评分人二、配送管理(共15分)某卷烟配送中心某日部分客户订单如下表:客户订单出货品项品牌1品牌2品牌3品牌4品牌5品牌6客户A1005515254560客户B105500205客户C10105050客户D5015551015客户E30515025201.计算品牌3的出货量、客户B的出货品项数、品牌6的出货次数。(3分)2.配送中心订单分析员小吴通过对上述订单进行EIQ分析,得出该日大部分订单量相近,仅少部分有特大量及特小量。试从下列图型中选出与该分析结论相符的EQ分布图。(2分)图A图B图C图D3.该配送中心近期将对配送线路进行重新规划,请简要阐述配送线路规划设计的五个要素。(5分)4.客户C拨打投诉电话对送货员小王进行投诉,请问除了电话投诉以外,客户C还可以通过哪些方式进行投诉?客户投诉的受理范围包含哪些?(5分)准考证号姓名单位--------考----------生----------答----------题----------不----------准----------超----------过----------此----------线--------试卷编号:2014ZM72000000-0022014年7月第4页共8页得分评分人三、物流装备与信息系统应用(共15分)物流设备存在物质形态与价值形态两种运动,一是不断提高设备技术素质,二是通过进行控制达到经济的寿命周期费用,根据上述原则,某物流配送中心设备信息部为提升物流设备管理水平,强化技术人员的专业化管理,组织广大员工积极参与,为强调设备经济寿命管理,该物流中心加强了日常性维护,并合理安排计划维修。另外,为配合新启用的硬件设备,该物流中心又新上了一套与之匹配的信息系统,并将原有的系统进行了调整和维护。请结合以下问题对该物流中心的装备和信息系统予以分析。1.请根据上述内容,分析说明案例中运用了我国的现行设备管理制度“五个结合”中哪些具体内容?(5分,多答一个扣0.5分)2.该物流中心新上信息系统,需要进行可行性分析,其中技术可行性包含的内容有哪些?(3分)3.上述案例所指的系统调整和维护属于系统维护的哪种类型?(2分)4.在...

1、当您付费下载文档后,您只拥有了使用权限,并不意味着购买了版权,文档只能用于自身使用,不得用于其他商业用途(如 [转卖]进行直接盈利或[编辑后售卖]进行间接盈利)。
2、本站所有内容均由合作方或网友上传,本站不对文档的完整性、权威性及其观点立场正确性做任何保证或承诺!文档内容仅供研究参考,付费前请自行鉴别。
3、如文档内容存在违规,或者侵犯商业秘密、侵犯著作权等,请点击“违规举报”。

碎片内容

烟草物流师岗位等级三级技能-试卷正文资料

您可能关注的文档

文库当当响+ 关注
实名认证
内容提供者

该用户很懒,什么也没介绍

确认删除?
VIP
微信客服
  • 扫码咨询
会员Q群
  • 会员专属群点击这里加入QQ群
客服邮箱
回到顶部