电脑桌面
添加小米粒文库到电脑桌面
安装后可以在桌面快捷访问

焊缝高质量的实用标准和焊缝等级分类VIP免费

焊缝高质量的实用标准和焊缝等级分类_第1页
1/10
焊缝高质量的实用标准和焊缝等级分类_第2页
2/10
焊缝高质量的实用标准和焊缝等级分类_第3页
3/10
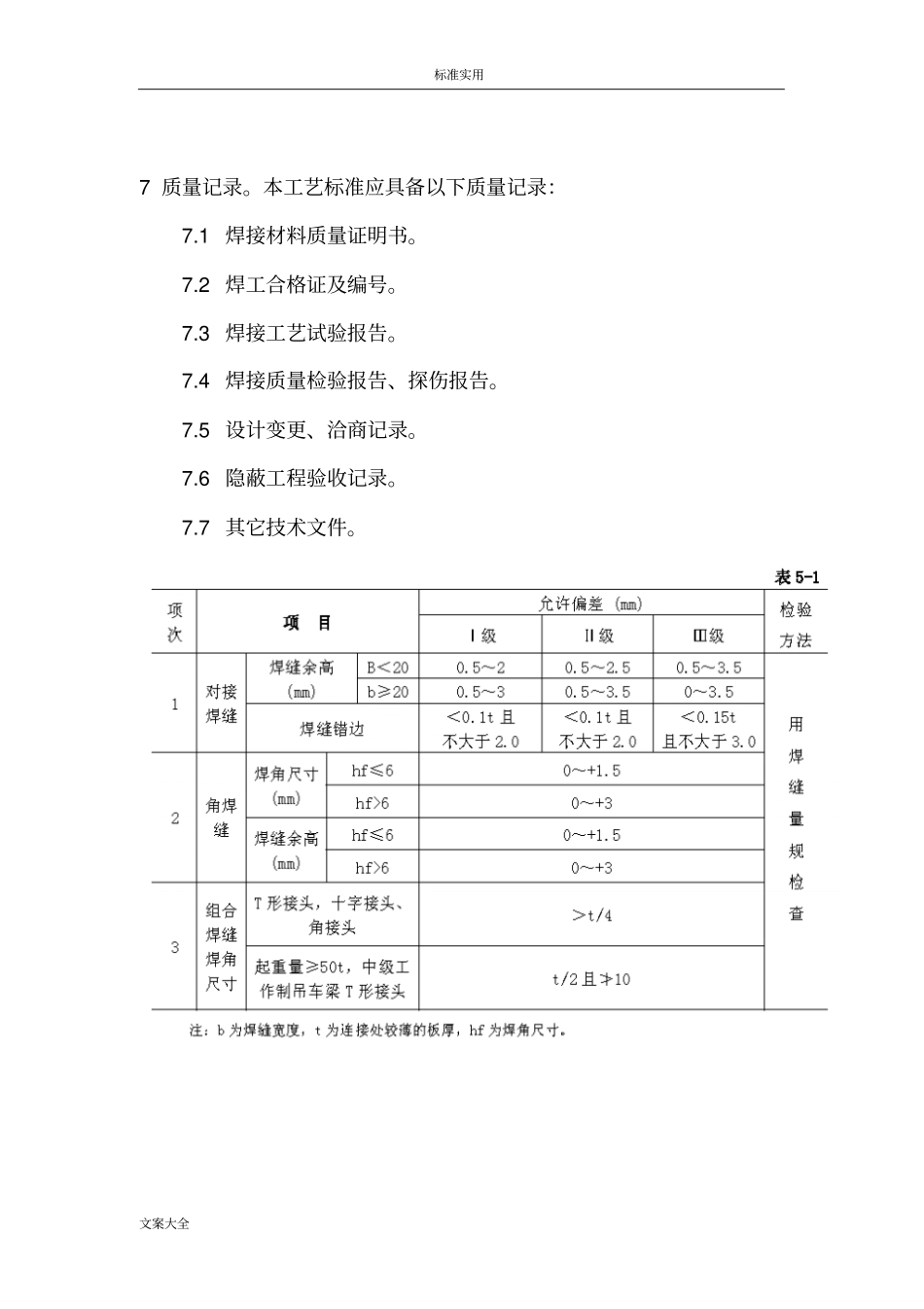
标准实用文案大全焊缝质量标准4.1保证项目4.1.1焊接材料应符合设计要求和有关标准的规定,应检查质量证明书及烘焙记录。4.1.2焊工必须经考试合格,检查焊工相应施焊条件的合格证及考核日期。4.1.3Ⅰ、Ⅱ级焊缝必须经探伤检验,并应符合设计要求和施工及验收规范的规定,检查焊缝探伤报告。4.1.4焊缝表面Ⅰ、Ⅱ级焊缝不得有裂纹、焊瘤、烧穿、弧坑等缺陷。Ⅱ级焊缝不得有表面气孔、夹渣、弧坑、裂纹、电弧擦伤等缺陷,且Ⅰ级焊缝不得有咬边、未焊满等缺陷。4.2基本项目4.2.1焊缝外观:焊缝外形均匀,焊道与焊道、焊道与基本金属之间过渡平滑,焊渣和飞溅物清除干净。4.2.2表面气孔:Ⅰ、Ⅱ级焊缝不允许;Ⅲ级焊缝每50mm长度焊缝内允许直径≤0.4t;且≤3mm气孔2个;气孔间距≤6倍孔径。4.2.3咬边:Ⅰ级焊缝不允许。Ⅱ级焊缝:咬边深度≤0.05t,且≤0.5mm,连续长度≤100mm,且两侧咬边总长≤10%焊缝长度。Ⅲ级焊缝:咬边深度≤0.lt,且≤lmm。注:t为连接处较薄的板厚。4.3允许偏差项目,见表5-1。5成品保护。标准实用文案大全5.1焊后不准撞砸接头,不准往刚焊完的钢材上浇水。低温下应采取缓冷措施。5.2不准随意在焊缝外母材上引弧。5.3各种构件校正好之后方可施焊,并不得随意移动垫铁和卡具,以防造成构件尺寸偏差。隐蔽部位的焊缝必须办理完隐蔽验收手续后,方可进行下道隐蔽工序。5.4低温焊接不准立即清渣,应等焊缝降温后进行。6应注意的质量问题6.1尺寸超出允许偏差:对焊缝长宽、宽度、厚度不足,中心线偏移,弯折等偏差,应严格控制焊接部位的相对位置尺寸,合格后方准焊接,焊接时精心操作。6.2焊缝裂纹:为防止裂纹产生,应选择适合的焊接工艺参数和施焊程序,避免用大电流,不要突然熄火,焊缝接头应搭10~15mm,焊接中木允许搬动、敲击焊件。6.3表面气孔:焊条按规定的温度和时间进行烘焙,焊接区域必须清理干净,焊接过程中选择适当的焊接电流,降低焊接速度,使熔池中的气体完全逸出。6.4焊缝夹渣:多层施焊应层层将焊渣清除干净,操作中应运条正确,弧长适当。注意熔渣的流动方向,采用碱性焊条时,上须使熔渣留在熔渣后面。标准实用文案大全7质量记录。本工艺标准应具备以下质量记录:7.1焊接材料质量证明书。7.2焊工合格证及编号。7.3焊接工艺试验报告。7.4焊接质量检验报告、探伤报告。7.5设计变更、洽商记录。7.6隐蔽工程验收记录。7.7其它技术文件。标准实用文案大全焊缝等级分类及无损检测要求焊缝应根据结构的重要性、荷载特性、焊缝形式、工作环境以及应力状态等情况,按下述原则分别选用不同的质量等级,1.在需要进行疲劳计算的构件中,凡对接焊缝均应焊透,其质量等级为1)作用力垂直于焊缝长度方向的横向对接焊缝或T形对接与角接组合焊缝,受拉时应为一级,受压时应为二级;2)作用力平行于焊缝长度方向的纵向对接焊缝应为二级。2.不需要计算疲劳的构件中,凡要求与母材等强的对接焊缝应予焊透,其质量等级当受拉时应不低于二级,受压时宜为二级3.重级工作制和起重量Q≥50t吊车梁的腹板与L翼缘之间以及吊车析架上弦杆与节点板之间的T形接头焊缝均要求焊透.焊缝形式一般为对接与角接的组合焊缝,其质量等级不应低于二级4.不要求焊透的’I'形接头采用的角焊缝或部分焊透的对接与角接组合焊缝,以及搭接连接采用的角焊缝,其质量等级为:1)对直接承受动力荷载且需要验算疲劳的结构和吊车起重量等于或大于50t的中级工作制吊车梁,焊缝的外观质量标准应符合二级;2)对其他结构,焊缝的外观质量标准可为二级。外观检查一般用目测,裂纹的检查应辅以5倍放大镜并在合适的光照条件下进行,必要时可采用磁粉探伤或渗透探伤,尺寸的测量应用量具、卡规。焊缝外观质量应符合下列规定:1一级焊缝不得存在未焊满、根部收缩、咬边和接头不良等缺陷,一级焊缝和二级标准实用文案大全焊缝不得存在表面气孔、夹渣、裂纹和电弧擦伤等缺陷;2二级焊缝的外观质量除应符合本条第一款的要求外,尚应满足下表的规定;3三级焊缝的外观质量应符合下表有关规定检测项目二级三级未焊满≤0.2+0.02t且≤1mm,每100mm长度焊缝内未焊满累积长度≤25mm≤0.2+0.04t且≤2mm,100mm长度焊缝内未...

1、当您付费下载文档后,您只拥有了使用权限,并不意味着购买了版权,文档只能用于自身使用,不得用于其他商业用途(如 [转卖]进行直接盈利或[编辑后售卖]进行间接盈利)。
2、本站所有内容均由合作方或网友上传,本站不对文档的完整性、权威性及其观点立场正确性做任何保证或承诺!文档内容仅供研究参考,付费前请自行鉴别。
3、如文档内容存在违规,或者侵犯商业秘密、侵犯著作权等,请点击“违规举报”。

碎片内容

焊缝高质量的实用标准和焊缝等级分类

文库当当响+ 关注
实名认证
内容提供者

该用户很懒,什么也没介绍

确认删除?
VIP
微信客服
  • 扫码咨询
会员Q群
  • 会员专属群点击这里加入QQ群
客服邮箱
回到顶部