电脑桌面
添加小米粒文库到电脑桌面
安装后可以在桌面快捷访问

环境因素识别程序VIP免费

环境因素识别程序_第1页
1/5
环境因素识别程序_第2页
2/5
环境因素识别程序_第3页
3/5
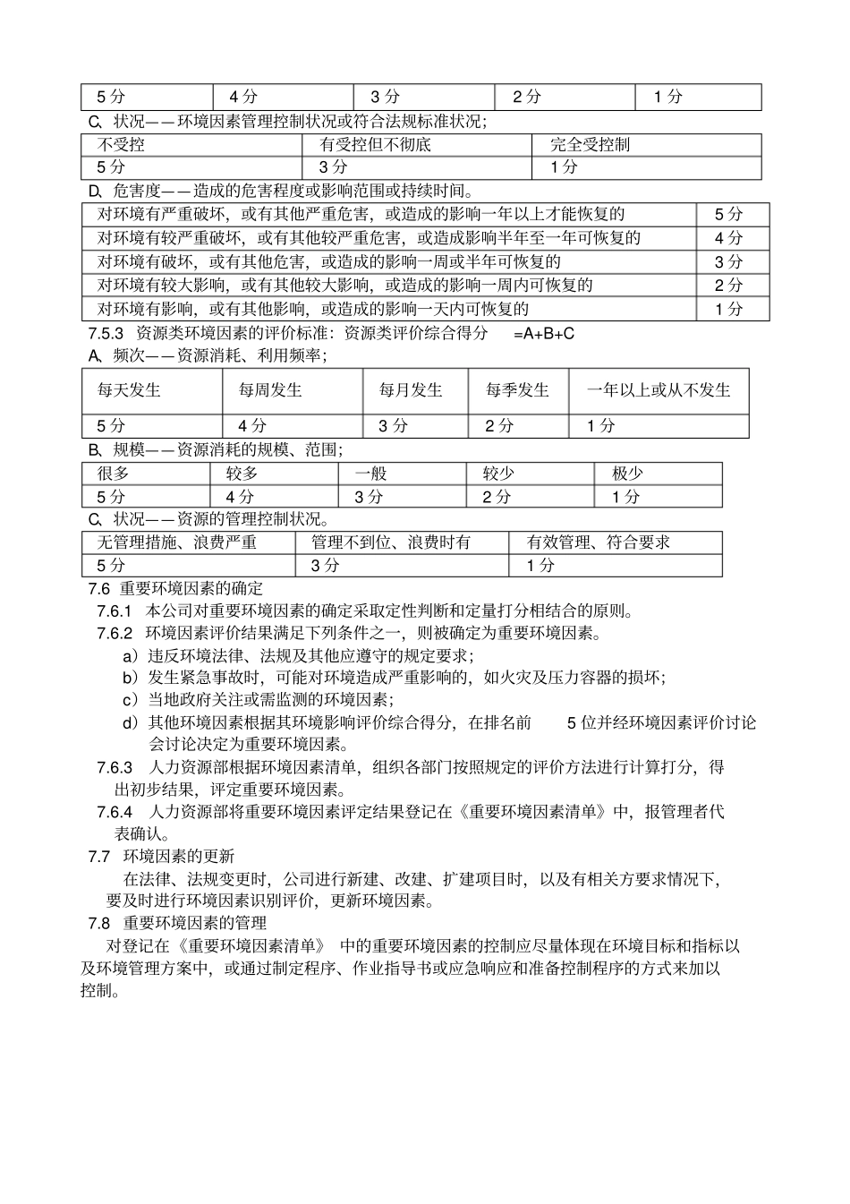
1.0目的识别、评价公司能够控制的、以及可能对其施加影响的环境因素,并确定、更新重要环境因素,以及对其进行管理。2.0范围公司活动、服务和产品中环境因素识别、评价、更新与管理。3.0定义:无4.0职责:4.1本文件由人力资源部制订、修改并实施教育训练;4.2各部门配合人力资源部识别不合格的根本原因;4.3责任部门负责制订整改计划并有效实施;4.4管理者代表对责任部门的实施活动进行监督,跟踪验证。5.0参考文件:5.1《应急准备和响应控制程序》5.3《运行控制程序》6.0记录:序号名称保管部门保管期限1环境因素清单人力资源部长期2重要环境因素清单人力资源部长期7.0作业内容7.1初始化环境评审内容公司进行初始环境影响评审,以了解公司的环境及环境管理现状。7.1.1明确适用的相关法律、法规及其他应遵守的环境要求。7.1.2评价环境管理现状与上述要求的符合程度,包括污染物排放、化学品使用、固体废弃物的处理处置、资源能源消耗情况等。7.1.3充分识别环境因素和确定重大环境因素。7.1.4对所有现行环境管理活动与程序的审查。7.1.5对以往不符合事件调查所取得反馈意见的评价,包括环境事故,环境处罚等的调查。7.1.6相关方提供的报告、记录等背景资料,包括环评报告、“三同时”验收报告等。初始评审的过程和结果,由人力资源部整理为书面报告,提交管理者代表。7.2环境因素识别与评价的时机7.2.1以公司的全体部门为对象,每年在设定目标、指标前进行。7.2.2公司的环境管理体系建立之初进行初始环境评审时。7.2.3在相关法律法规变更或追加、涉及到新的开发和新的修改的活动或服务、以及相关方要求等情况下,可适时进行环境因素识别评价。7.3环境因素识别与评价的步骤7.3.1环境因素的识别应涉及对公司所有关于产品的开发、生产活动、服务过程进行分析,尽可能将各方面环境问题全部识别出来,在确定的环境管理体系范围之内可以控制以及预期施加影响的活动、产品或服务。7.3.2环境因素的分类a)水、气、声、土、渣、化学品、废液、固废等污染物排放或处置;b)能源、资源、原材料消耗;c)相关方的环境问题及要求;d)潜在的意外紧急情况及其他。7.3.3环境因素可仿照以下范例的方法进行描述组织过程(活动、产品、服务)环境因素环境影响(产品)电冰箱、空调CFCS使用破坏臭氧层(服务)设备维修保养降低噪声维护健康7.3.4确定环境因素的依据a)客观具有或可能具有环境影响的;b)法律、法规及要求有明确规定的;c)相关方有要求的;d)其他。7.3.5环境因素识别的步骤a)划分和确定公司的过程(活动、产品或服务);b)确定该过程伴随的环境因素;c)确定每一环境因素产生的环境影响。7.3.6环境因素识别方法根据情况选用或联合使用以下方法(但不限于)a)工序分析法(先根据本单位所涉及的活动、服务,画出工艺流程图,标出每步工序的输入和输出,填写《环境因素调查登记表》);b)问卷调查法;c)现场调查法(包括查看、面谈、文件资料收集方式)。7.3.7环境因素识别范围包括a)向大气的排放;b)向水体的排放;c)废弃物的管理;d)土壤的污染;e)原材料与自然资源的使用,如水、电、油等的消耗;f)地域环境问题和社区性问题,如噪声、振动、景观、生态等;g)生产过程中油料跑、冒、漏的控制。7.3.8识别环境因素时,须考虑a)过去、现在及将来三种时态;b)正常、异常及紧急三种状态;c)公司本身可施加影响的相关方(供方)的业务活动。7.4环境因素的审定、登记7.4.1各部门根据环境因素识别方法识别本部门的环境因素,填写《环境因素调查登记表》,交人力资源部审定、汇总。7.4.2对相关方的环境因素,各对口相关部门应予以识别,并将有关信息提供给人力资源部,人力资源部对相关方的重要环境因素予以识别登记。7.4.3人力资源部负责对各部门已识别的环境因素进行分析、审定、并分类汇总、登记为公司的《环境因素清单》作为评价重要环境因素的基础资料。7.4.4在对各部门识别的环境因素汇总登记过程中,如某些环境因素对环境影响极小,则可以省略,如有多个类似的环境因素对环境的影响一样,则可以合并为一个环境因素。7.5环境因素评价标准7.5.1本公司的环境因素评价标准根据...

1、当您付费下载文档后,您只拥有了使用权限,并不意味着购买了版权,文档只能用于自身使用,不得用于其他商业用途(如 [转卖]进行直接盈利或[编辑后售卖]进行间接盈利)。
2、本站所有内容均由合作方或网友上传,本站不对文档的完整性、权威性及其观点立场正确性做任何保证或承诺!文档内容仅供研究参考,付费前请自行鉴别。
3、如文档内容存在违规,或者侵犯商业秘密、侵犯著作权等,请点击“违规举报”。

碎片内容

环境因素识别程序

爱的疯狂+ 关注
实名认证
内容提供者

该用户很懒,什么也没介绍

确认删除?
VIP
微信客服
  • 扫码咨询
会员Q群
  • 会员专属群点击这里加入QQ群
客服邮箱
回到顶部