电脑桌面
添加小米粒文库到电脑桌面
安装后可以在桌面快捷访问

生产部组织架构及岗位职责说明VIP专享VIP免费

生产部组织架构及岗位职责说明_第1页
1/14
生产部组织架构及岗位职责说明_第2页
2/14
生产部组织架构及岗位职责说明_第3页
3/14
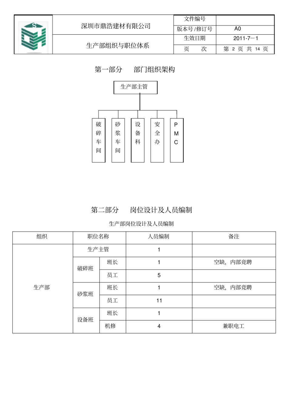
深圳市鼎浩建材有限公司文件编号版本号/修订号A0生产部组织与职位体系生效日期2011-7-1页次第1页共14页目录第一部分部门组织架构第二部分岗位设计及人员编制第三部分部门职能描述第四部分职位说明书生产主管职位说明书设备班长长职位说明书破碎班班长职位说明书砂浆班班长职位说明书PMC职位说明书机修工说明书核定审查制定发行BYDATE深圳市鼎浩建材有限公司文件编号版本号/修订号A0生产部组织与职位体系生效日期2011-7-1页次第2页共14页第一部分部门组织架构第二部分岗位设计及人员编制生产部岗位设计及人员编制组织职位名称人员编制备注生产部生产主管1破碎班班长1空缺,内部竞聘员工5砂浆班班长1空缺,内部竞聘员工11设备班班长1机修4兼职电工生产部主管破碎车间砂浆车间设备科安全办PMC深圳市鼎浩建材有限公司文件编号版本号/修订号A0生产部组织与职位体系生效日期2011-7-1页次第3页共14页第三部分部门职能描述生产部职能描述部门主要职责1、成本控制:在确保完成生产任务的同时,利用现有的资源不断降低制造、人力等成本;实现企业利润最大化;2、产品实现:根据公司目标计划,合理组织安排生产,确保按质按量提供客户所需要的产品;3、安全生产:在完成生产任务的同时,确保企业安全生产;4、现场7S:组织开展车间内6S管理,确保生产现场干净整洁;5、设备管理:依照设备保养规程对设备进行维修保养;6、问题改善与纠正预防:对本公司产品的质量问题进行收集、整理、分析并进行整改,直到问题关闭,并及时制订纠正预防措施。18、部门建设:负责部门内部人员选拔、任用、培训及绩效管理。第四部分职位说明书生产主管职位说明书一、基本信息职位名称生产主管所在部门生产部所在课室无直接上司副总经理职位级别主管职位编号二、主要职责描述1、工程标准建立:建立和完善公司各类产品的BOM表、SOP、工艺文件、工程技术标准;2、组织订单评审:组织进行订单评审,评定生产交期,以便合理安排生产计划;3、生产及物料计划:组织协调营销部与生产部合理安排生产与物料计划,确保各生产车间高效、足量生产并满足客户需求;4、采购管理:结合生产计划、物料计划,组织开展生产类物料、工具、设备等采购申请工作,确保生产所需的各种物料;5、成本控制:在确保辅导完成生产任务的同时,利用现有的资源不断降低采购、人力等成本;同深圳市鼎浩建材有限公司文件编号版本号/修订号A0生产部组织与职位体系生效日期2011-7-1页次第4页共14页时有效控制仓库库存、提高物料周转率、减少呆滞库存;实现企业利润最大化;6、产品实现:根据公司目标计划,合理组织安排生产,确保按质按量提供客户所需要的产品;7、安全生产:在完成生产任务的同时,确保企业安全生产;8、现场7S:组织开展车间内6S管理,确保生产现场干净整洁;9、设备管理:依照设备保养规程对设备进行维修保养;10、负责建立和完善质量保证体系。制定并组织实施公司质量工作纲要,健全质量管理网络,制定和完善质量管理目标负责制,确保产品质量的稳定提高,为建立质量体系提供参考意见;11、文件管理:公司制度及品质体系所包括的文件的修订、保管、发放与回收;12、建立产品检验检测作业标准:依照工程部提供的相关工艺与作业标准制定质量工作标准、产品质量检验、检测作业标准;14、产品检验:依照各项品质检验标准,对产品的来料、生产过程及成品进行检验或检测,并对检验或检测结果作出判断;15、问题改善与纠正预防:对本公司产品的质量问题进行收集、整理、分析,组织召集相关部门进行整改,直到问题关闭,并及时制订纠正预防措施和质量提升计划;16、供应商评审:负责供应商品质评审、辅导、支持;17、设备仪器管理:负责本公司量检具的管理,内校和保养;18、部门建设:负责部门内部人员选拔、任用、培训及绩效管理。三、岗位KPI(2-8项)1、生产计划达成率2、生产效率3、产品报废率4、客户投诉5、呆滞库存6、生产成本7、工伤四、管理范围(直接下属情况)职位名称在职人数PMC1人(生产主管兼职))深圳市鼎浩建材有限公司文件编号版本号/修订号A0生产部组织与职位体系生效日期2011-7-1页次第5页共14页砂浆车间班长1人...

1、当您付费下载文档后,您只拥有了使用权限,并不意味着购买了版权,文档只能用于自身使用,不得用于其他商业用途(如 [转卖]进行直接盈利或[编辑后售卖]进行间接盈利)。
2、本站所有内容均由合作方或网友上传,本站不对文档的完整性、权威性及其观点立场正确性做任何保证或承诺!文档内容仅供研究参考,付费前请自行鉴别。
3、如文档内容存在违规,或者侵犯商业秘密、侵犯著作权等,请点击“违规举报”。

碎片内容

生产部组织架构及岗位职责说明

确认删除?
VIP
微信客服
  • 扫码咨询
会员Q群
  • 会员专属群点击这里加入QQ群
客服邮箱
回到顶部