电脑桌面
添加小米粒文库到电脑桌面
安装后可以在桌面快捷访问

用友ERP操作手册_采购部VIP专享VIP免费

用友ERP操作手册_采购部_第1页
1/16
用友ERP操作手册_采购部_第2页
2/16
用友ERP操作手册_采购部_第3页
3/16
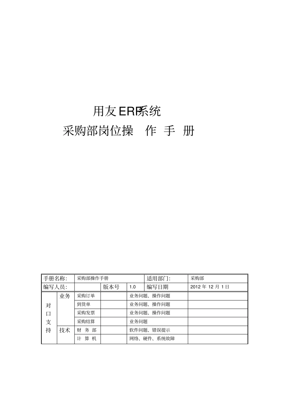
用友ERP系统采购部岗位操作手册手册名称:采购部操作手册适用部门:采购部编写人员:版本号1.0编写日期2012年12月1日对口支持业务采购订单业务问题、操作问题到货单业务问题、操作问题采购发票业务问题、操作问题采购结算业务问题技术财务部软件问题、错误提示计算机网络、硬件、系统故障项目最终用户操作手册新会盈世电脑公司-2-咨询实施部目录一、部门职责:.......................................................................................................................3二、部门岗位划分:...............................................................................................................3三、系统业务处理流程:.......................................................................................................3四、部门日常业务系统处理:...............................................................................................41、日常业务类型的界定:.............................................................................................42、采购业务日常处理:.................................................................................................41)供应商档案维护.........................................................................................................42)采购计划生成.............................................................................................................43)采购订单下达:.........................................................................................................64)采购到货单.................................................................................................................85)采购发票:.................................................................................................................96)采购入库单:...........................................................................................................117)采购结算:...............................................................................................................12项目最终用户操作手册新会盈世电脑公司-3-咨询实施部一、部门职责:采购部门的日常工作在ERP系统处理中主要工作有:1、开发新的供应商,进行供应商资料的维护和更改,加强供应商资源管理。2、及时根据采购计划录入采购订单,为生产部安排采购和生产做依据。3、根据供应商到货情况在采购系统中录入到货单,并通知质检部门验货。4、收到采购发票后,在系统中录入采购发票,并通知财务部进行采购结算。5、作好各种采购统计,为决策层提供分析数据。二、部门岗位划分:采购计划员:系统内供应商分类、供应商档案、采购计划的制定采购部经理:对于采购管理工作完成情况审核,进行月末结帐处理。采购业务员:进行订单录入、采购到货单录入、采购发票录入。仓管人员:采购入库单录入、材料出库单录入,调拨业务处理三、系统业务处理流程:产生任务单采购计划采购订单到货单采购入库单采购发票采购结算单分解质检审核1、采购计划员根据生产任务,结合BOM、库存情况,分解生成采购计划;2、采购部部长对采购计划进行调整审核,安排采购业务员参照采购计划生成采购订单;3、采购业务员根据到货情况,在采购系统中参照采购订单生成到货单4、业务员通知检验部门质检,仓管员根据到货到办理入库手续;12345项目最终用户操作手册新会盈世电脑公司-4-咨询实施部5、采购发票到后,采购员在系统中录入采购发票,并通知财务进行采购结算四、部门日常业务系统处理:1、日常业务类型的界定:供应商档案维护、采购计划、采购订单、到货单(退货单)、采购发票(运费发票)、采购入库单,采购结算、月末结帐2、采购业务日常处理:1)供应商档案维护:原则:供应商分类+四位流水号操作路径:【设置】—【基础档案】—...

1、当您付费下载文档后,您只拥有了使用权限,并不意味着购买了版权,文档只能用于自身使用,不得用于其他商业用途(如 [转卖]进行直接盈利或[编辑后售卖]进行间接盈利)。
2、本站所有内容均由合作方或网友上传,本站不对文档的完整性、权威性及其观点立场正确性做任何保证或承诺!文档内容仅供研究参考,付费前请自行鉴别。
3、如文档内容存在违规,或者侵犯商业秘密、侵犯著作权等,请点击“违规举报”。

碎片内容

用友ERP操作手册_采购部

确认删除?
VIP
微信客服
  • 扫码咨询
会员Q群
  • 会员专属群点击这里加入QQ群
客服邮箱
回到顶部