电脑桌面
添加小米粒文库到电脑桌面
安装后可以在桌面快捷访问

电梯公司年内审计划表VIP免费

电梯公司年内审计划表_第1页
1/8
电梯公司年内审计划表_第2页
2/8
电梯公司年内审计划表_第3页
3/8
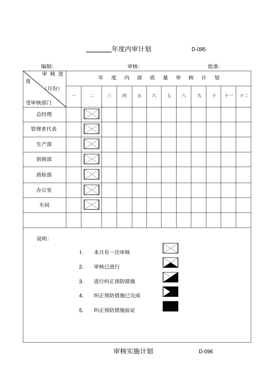
年度内审计划D-095编制:审核:批准:审核实施计划D-096审核进度(月份)受审核部门年度内部质量审核计划一二三四五六七八九十十一十二总经理管理者代表生产部供销部质检部办公室车间说明:1.本月有一次审核2.审核已进行3.进行纠正预防措施4.纠正预防措施已完成5.纠正预防措施验证审核组组长:组员:日期:年月日1.审核目的:a.验证本企业所建立的QMS是否符合ISO9001:2000标准要求;b.是否符合本厂实际运行需要:c、QMS文件是否切实可行。2.审核依据:GB/T19001—2000idtISO9001:2000本公司质量手册第一版及质量管理体系其他文件3.审核覆盖产品:产品4.审核时间:首次会议时间:末次会议时间:5.现场审核期间请被审核方有关人员参加下列活动:首、末次会议:最高管理者或其代表及与审核有关的管理人员参加。审核活动:按审核日程安排,被审核有关人员在本岗位。6.审核安排:日期时间部门审核涉及的质量管理体系标准要求首次会议(AB组)总经理(AB组)管代(AB组)(A组)审核组会议总经理(B组)部(B组)(A组)(A组)(B组)说明:与总经理、管理者代表谈话审核组会议末次会议编制:日期:审核:批准:日期:内审首(末)次会议签到表D-097内部质量管理体系审核报告D-101(可另附纸叙述)姓名部门职务姓名部门职务审核目的:验证本公司质量管理体系是否符合ISO9001:2000标准要求,是否符合本企业实际运行需要,文件是否切实可行。审核范围:系列产品的生产、服务和所涉及部门。审核依据:本公司质量手册、程序文件和其他文件,ISO9001标准,合同。审核日期:2007/2/10受审核部门:总经理、管理者代表、等。审核组长:审核员:审核过程综述:不合格项统计与分析(包括:数量、严重程度、特定部门优缺点、特定要素执行情况、存在的主要问题等):对质量管理体系的评价(包括:文件化体系与标准的符合程度、实施效果、发现和改进体系运行的机制及措施等):结论:纠正措施要求及审核报告分发对象:审核组长:日期:审核:日期:批准:日期:上海森景纸业有限公司不符合项汇总表D-100部门质量管理体系过程(子过程)总经理管理者代表技术部生产部品管部综合办公室总计4.1文件要求5.1管理承诺5.2以顾客为中心5.3质量方针5.4策划5.4.1质量目标5.4.2质量管理体系策划5.5职责、权限与沟通5.5.1职责和权限5.5.2管理者代表5.5.3内部沟通5.6管理评审6资源管理6.1资源提供6.2人力资源6.3基础设施7产品实现7.1产品实现的策划上海森景纸业有限公司不符合项目汇总表D-100编制:审核:部门质量管理体系过程(子过程)总经理管理者代表技术部生产部品管部综合办公室总计7.2与顾客有关的过程7.3设计和开发7.4采购7.5生产和服务提供7.6监视和测量装置的控制8测量、分析和改进8.2监视和测量8.2.1顾客满意8.2.1内部审核8.2.3过程的监视和测量8.2.4产品的监视和测量8.3不合格品控制8.4数据分析8.5改进8.5.1持续改进8.5.2纠正措施8.5.3预防措施总计上海森景纸业有限公司不符合报告D-099受审核部门部门负责人审核员审核日期不合格事实陈述:不合格标准条款:不合格类型:审核员:部门负责人:日期:日期:不合格原因及对产品质量影响的分析:部门负责人:日期:建议的纠正措施计划:部门负责人:日期:管代批准:预定完成日期:审核员认可:日期:纠正措施完成情况:部门负责人:日期:纠正措施的验证:审核员:日期:上海森景纸业有限公司

1、当您付费下载文档后,您只拥有了使用权限,并不意味着购买了版权,文档只能用于自身使用,不得用于其他商业用途(如 [转卖]进行直接盈利或[编辑后售卖]进行间接盈利)。
2、本站所有内容均由合作方或网友上传,本站不对文档的完整性、权威性及其观点立场正确性做任何保证或承诺!文档内容仅供研究参考,付费前请自行鉴别。
3、如文档内容存在违规,或者侵犯商业秘密、侵犯著作权等,请点击“违规举报”。

碎片内容

电梯公司年内审计划表

您可能关注的文档

爱的疯狂+ 关注
实名认证
内容提供者

该用户很懒,什么也没介绍

确认删除?
VIP
微信客服
  • 扫码咨询
会员Q群
  • 会员专属群点击这里加入QQ群
客服邮箱
回到顶部