电脑桌面
添加小米粒文库到电脑桌面
安装后可以在桌面快捷访问

电气填写示例VIP免费

电气填写示例_第1页
1/15
电气填写示例_第2页
2/15
电气填写示例_第3页
3/15
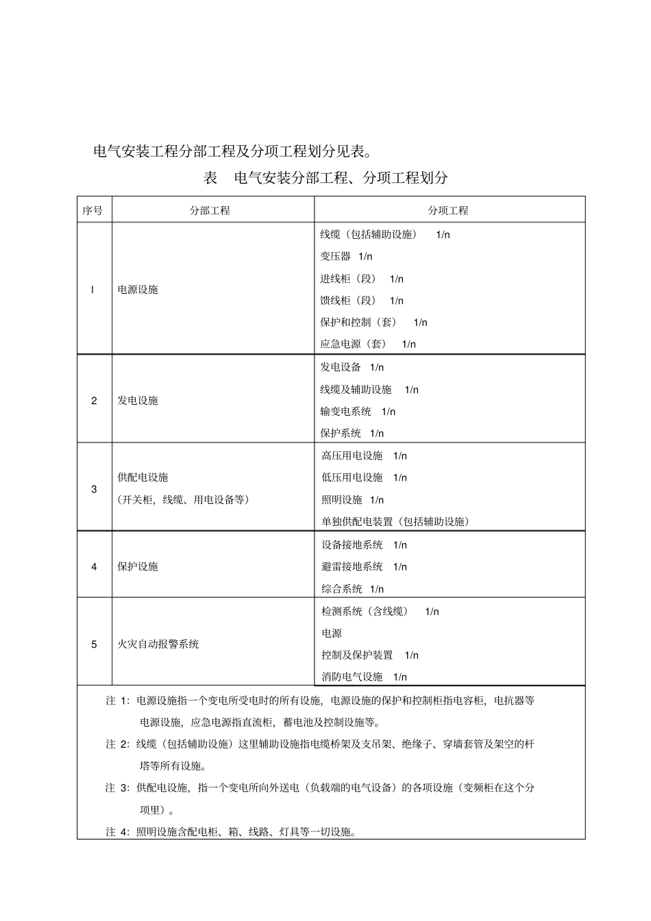
3508宣贯讲义(电气)一、总则一般规定:要符合国标或行业标准的规定GB50147电气装置安装工程高压电器施工及验收规范2010-12-01实施GB50148电气装置安装工程电力变压器、油浸电抗器、互感器施工及验收规范2010-12-01实施GB50149-2010电气装置安装工程母线装置施工及验收规范2011-10-01实施发布日期:2010-11-03GB50150电气装置安装工程电气设备交接试验标准GB50168电气装置安装工程电缆线路施工及验收规范GB50169电气装置安装工程接地装置施工及验收规范GB50170电气装置安装工程旋转电机施工及验收规范GB50171电气装置安装工程盘、柜及二次回路结线施工及验收规范GB50172电气装置安装工程蓄电池施工及验收规范GB50173电气装置安装工程35KV及以下架空电力线路施工及验收规范GB50254电气装置安装工程低压电器施工及验收规范GB50256电气装置安装工程起重机电气装置施工及验收规范GB50257电气装置安装工程爆炸和火灾危险环境电气装置施工及验收规范GB50303建筑电气工程施工质量验收规范SH3503石油化工工程建设交工技术文件规定质量控制的要求:原文(质量控制的要素)中是要求不是要素质量验收基本要求:4.4.5隐蔽工程在隐蔽前应由施工单位报验,建设单位/监理单位组织验收,并形成验收文件。4.4.6工程试样以及材料复验取样应执行专业工程施工质量验收规范的规定。4.4.7工程的观感质量应由建设单位/监理单位、施工单位/总承包单位等的代表通过现场检查,共同确认。二、质量验收的划分5.2.2按专业划分单位工程时,可分为钢结构、静设备、动设备、管道、电气、仪表、电信等专业工程,并按设计文件确定的单元工程设置子单位工程。电气专业可独立是一个单位工程,或子单位工程分部工程划分原则在子单位工程下按本专业的分类或使用功能划分一个或多个分部工程。专业分部工程划分示例参见附录C。分项工程划分原则5.4.1分项工程宜按使用功能或质量控制要求划分,分项工程划分示例参见附录C,电气按使用功能或回路划分。检验批的划分原则:5.1.2安装工程施工质量验收的划分应由建设单位或其委托的单位负责。5.5.1检验批宜根据专业工程施工质量验收规范的规定划分。GB50303建筑电气工程施工质量验收规范相应的电力标准规定划分均可电气安装工程分部工程及分项工程划分见表。表电气安装分部工程、分项工程划分序号分部工程分项工程l电源设施线缆(包括辅助设施)1/n变压器1/n进线柜(段)1/n馈线柜(段)1/n保护和控制(套)1/n应急电源(套)1/n2发电设施发电设备1/n线缆及辅助设施1/n输变电系统1/n保护系统1/n3供配电设施(开关柜,线缆、用电设备等)高压用电设施1/n低压用电设施1/n照明设施1/n单独供配电装置(包括辅助设施)4保护设施设备接地系统1/n避雷接地系统1/n综合系统1/n5火灾自动报警系统检测系统(含线缆)1/n电源控制及保护装置1/n消防电气设施1/n注1:电源设施指一个变电所受电时的所有设施,电源设施的保护和控制柜指电容柜,电抗器等电源设施,应急电源指直流柜,蓄电池及控制设施等。注2:线缆(包括辅助设施)这里辅助设施指电缆桥架及支吊架、绝缘子、穿墙套管及架空的杆塔等所有设施。注3:供配电设施,指一个变电所向外送电(负载端的电气设备)的各项设施(变频柜在这个分项里)。注4:照明设施含配电柜、箱、线路、灯具等一切设施。注5:单独供配电装置指箱式变电所或箱式配电柜等。三、质量验收及记录,质量验收程序和组织(综合组讲得很详细了略)四、填表举例SH/T3508-Y02检验批质量验收记录工程名称:镇海乙烯单位工程名称:聚乙烯装置检验批编号001(照明)记录编号001验收部位变电所分项工程名称照明设施分部工程名称电源设施子单位工程名称聚乙烯装置附检验批一览表:***************类别检验项目质量控制记录序号名称执行标准编号总数抽检数量主控项目19.1.1灯具的固定⋯⋯GB50303-200200120619.1.2花灯吊钩圆钢⋯⋯GB50303-200219.1.3钢管做灯杆⋯⋯GB50303-200219.1.4⋯⋯GB50303-200219.1.5⋯⋯GB50303-200219.1.6⋯⋯GB50303-2002一般项目⋯⋯GB50303-200219.2.2⋯⋯GB50303-200219.2.3⋯⋯GB50303-200219.2.4⋯⋯GB50303-200219.2.5⋯⋯GB50303-200219.2.6⋯...

1、当您付费下载文档后,您只拥有了使用权限,并不意味着购买了版权,文档只能用于自身使用,不得用于其他商业用途(如 [转卖]进行直接盈利或[编辑后售卖]进行间接盈利)。
2、本站所有内容均由合作方或网友上传,本站不对文档的完整性、权威性及其观点立场正确性做任何保证或承诺!文档内容仅供研究参考,付费前请自行鉴别。
3、如文档内容存在违规,或者侵犯商业秘密、侵犯著作权等,请点击“违规举报”。

碎片内容

电气填写示例

您可能关注的文档

确认删除?
VIP
微信客服
  • 扫码咨询
会员Q群
  • 会员专属群点击这里加入QQ群
客服邮箱
回到顶部