电脑桌面
添加小米粒文库到电脑桌面
安装后可以在桌面快捷访问

电气照明安装施工方案VIP免费

电气照明安装施工方案_第1页
1/13
电气照明安装施工方案_第2页
2/13
电气照明安装施工方案_第3页
3/13
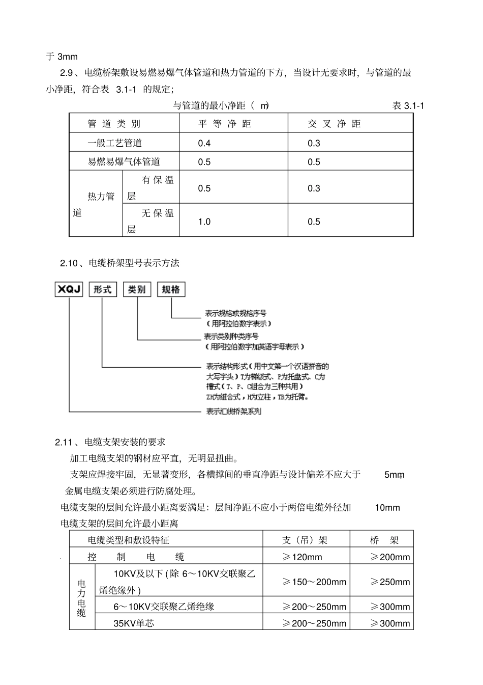
电气照明安装施工方案一、工程概述二、工程采用的主要技术规范本工程采用的主要施工及验收规范如下:序号标准代号标准名称1GB50194-2002建设工程施工现场供用电安装规范2GB50303-2011建筑电气安装工程施工质量验收规范3GB50093-2002自动化仪表工程施工及验收规范4GB50254-96电气装置安装工程低压电器施工及验收规范5GB50257-96电气装置安装工程爆破和火灾危险环境施工及验收规范6GB50617-2010建筑电气照明装置施工及验收规范7GB50300-2001建筑工程施工质量验收统一标准8GB50397-2007冶金电气设备工程安装验收规范9JGJ/T16-2008《民用建筑电气设计规范》10GB50045-95《高层建筑电气设计防火规范》11GB50057-9(2000年版)《建筑物防雷设计规范》12GB50038-94《人民防空地下室设计规范》13GB50096-1999《住宅设计规范》14GB50054-95低压配电设计规范》注:以上规范有最新版本的,以最新版本为准。三、主要施工工具与机具准备安装工具:手锤、钢锯、锯条、美工刀、电工刀、半圆锉、扁锉、活动扳手、钳子、云石机、云石片、十字改锥、一字改锥、尖嘴钳、剥线钳、压线钳、压接帽专用压线钳、手扳弯管器、液压煨管器、液压开孔器、台钳、套丝扳、扳牙、套丝机、金属开孔器、电焊机具、气焊工具、锡锅、电烙铁、弯管弹簧、电锤、手枪钻、冲击钻、钻头、台钻、切割机、切割片、电砂轮、角磨机、等。测试检验工具:皮尺、水平尺、卷尺、角尺、钢板尺、线坠、墨斗、水准管、万用表、兆欧表、试电笔、钳形电流表等。防护用具:绝缘靴、绝缘手套、纱线手套等。其他工具:铅笔/石笔、记号笔、高凳、人字梯、水桶、灰桶、灰铲、油漆桶、油漆刷、工具袋、对讲机等。四、电气照明安装施工方案及质量要求1、资料准备工作技术资料准备工作:项目经理部,根据现场实际情况,选派优秀的管理班子和各种专业技术人员,做好进场准备。组织技术人员认真查看图并熟悉设计图纸及有关技术文件,学习施工规范、施工工法及验收规范,请设计单位进行技术交底,进一步了解掌握设计意图和搜集有关技术资料。认真进行图纸会审、细化施工组织设计、编制施工预算及用款计划,筹措落实安装工程施工前期必须的资金。编制施工机械、设备、工具、用具计划,组织新机械、设备的采购和原有机械、设备的检查、维修保养工作,确保进场设备、机具的完好状态。制订各项管理制度及岗位责任制。对项目部所有进场人员进行教育考核,将各项责任落实到人。编制施工工机具进场计划,施工人员进场施工的安排计划,电气调试仪表使用计划;2、桥架、支架安装电缆桥架主要有钢制、铝合金制及玻璃钢制等。钢制桥架表面处理分为喷漆、喷塑、电镀锌,热镀锌、粉沫静电喷涂等工艺。电缆桥架的安装主要有沿顶板安装。沿墙水平和垂直安装、沿竖井安装、沿地面安装。沿电缆沟及管道支架安装等。安装所用支(吊)架可选用成品或自制。支(吊)架的固定方式主要有预埋铁件上焊接,膨胀螺栓固定等。桥架安装应符合以下规定:2.1、直线段钢制电缆桥架长度超过30m,铝合金或玻钢制桥架长度超过15m时,设有伸缩节;电缆桥架跨越建筑变形缝处设置补偿装置.2.2、电缆桥架应在下列地方设置吊架或支架:桥架接头两端0.5m处;每间距1.5~3m处;转弯处;垂直桥架每隔1.5米处.2.3、吊架和支架安装保持垂直、整齐、牢固、无歪斜现象。2.4、桥架连接板螺栓固定紧固无遗漏,螺母位于桥架外侧。2.5、缆桥架应敷设在易燃易爆气体管道和热力管道的下方。2.6、金属桥架及其支架全长应不少于2处接地或接零。2.7、金属桥架间连接片两端不少于2个有防松螺帽或防松垫圈的连接固定螺栓,并且连接片两端跨接不小于4mm2的铜芯接地线。2.8、桥架安装应符合下列要求:桥架左右偏差不大于50mm;桥架水平度每米偏差不应大于2mm;桥架垂直度偏差不应大于3mm2.9、电缆桥架敷设易燃易爆气体管道和热力管道的下方,当设计无要求时,与管道的最小净距,符合表3.1-1的规定;与管道的最小净距(m)表3.1-1管道类别平等净距交叉净距一般工艺管道0.40.3易燃易爆气体管道0.50.5热力管道有保温层0.50.3无保温层1.00.52.10、电缆桥架型号表示方法2.11、电缆支架安装的要求加工电缆支架的钢材应平...

1、当您付费下载文档后,您只拥有了使用权限,并不意味着购买了版权,文档只能用于自身使用,不得用于其他商业用途(如 [转卖]进行直接盈利或[编辑后售卖]进行间接盈利)。
2、本站所有内容均由合作方或网友上传,本站不对文档的完整性、权威性及其观点立场正确性做任何保证或承诺!文档内容仅供研究参考,付费前请自行鉴别。
3、如文档内容存在违规,或者侵犯商业秘密、侵犯著作权等,请点击“违规举报”。

碎片内容

电气照明安装施工方案

您可能关注的文档

确认删除?
VIP
微信客服
  • 扫码咨询
会员Q群
  • 会员专属群点击这里加入QQ群
客服邮箱
回到顶部