电脑桌面
添加小米粒文库到电脑桌面
安装后可以在桌面快捷访问

石膏板检测报告VIP免费

石膏板检测报告_第1页
1/3
石膏板检测报告_第2页
2/3
石膏板检测报告_第3页
3/3
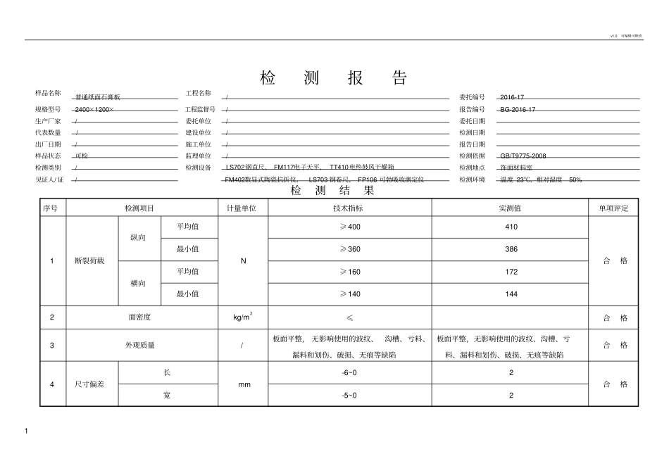
v1.0可编辑可修改1检测报告样品名称普通纸面石膏板工程名称/委托编号2016-17规格型号2400×1200×工程监督号/报告编号BG-2016-17生产厂家/委托单位/委托日期代表数量/建设单位/检测日期出厂日期/施工单位/报告日期样品状态可检监理单位/检测依据GB/T9775-2008检测类别/检测设备LS702钢直尺、FM117电子天平、TT410电热鼓风干燥箱检测地点饰面材料室见证人/证/FM402数显式陶瓷抗折仪、LS703钢卷尺、FP106可勃吸收测定仪检测环境温度23℃、相对湿度50%检测结果序号检测项目计量单位技术指标实测值单项评定1断裂荷载纵向平均值N≥400410合格最小值≥360386横向平均值≥160172最小值≥1401442面密度kg/m2≤合格3外观质量/板面平整,无影响使用的波纹、沟槽、亏料、漏料和划伤、破损、无痕等缺陷板面平整,无影响使用的波纹、沟槽、亏料、漏料和划伤、破损、无痕等缺陷合格4尺寸偏差长mm-6~02合格宽-5~02v1.0可编辑可修改2厚±0第1页共2页报告编号:BG-2016-17序号检测项目计量单位技术指标实测值单项评定5对角线长度差mm≤54合格6表面吸水量g/m2/484/7受潮挠度mm//8护面纸和芯粘结性背纸与芯材粘结性/背纸与芯材粘结不剥离背纸与芯材粘结不剥离合格面纸与芯材粘结性面纸与芯材粘结不剥离面纸与芯材粘结不剥离结论经检测,所检断裂荷载、面密度、外观质量、尺寸偏差、对角线长度差、护面纸和芯粘结性均符合GB/T9775-2008《纸面石膏板》的技术要求。备注提前试验v1.0可编辑可修改3报告说明1.若对本报告有异议,应于收到报告之日起十五日内,以书面形式向检测单位提出,逾期视为对报告无异议。2.报告不加盖检测专用章无效。3.经本公司同意复印的检测报告应经本公司加盖公章确认后方有效。批准校核检测证号证号证号第2页共2页

1、当您付费下载文档后,您只拥有了使用权限,并不意味着购买了版权,文档只能用于自身使用,不得用于其他商业用途(如 [转卖]进行直接盈利或[编辑后售卖]进行间接盈利)。
2、本站所有内容均由合作方或网友上传,本站不对文档的完整性、权威性及其观点立场正确性做任何保证或承诺!文档内容仅供研究参考,付费前请自行鉴别。
3、如文档内容存在违规,或者侵犯商业秘密、侵犯著作权等,请点击“违规举报”。

碎片内容

石膏板检测报告

您可能关注的文档

确认删除?
VIP
微信客服
  • 扫码咨询
会员Q群
  • 会员专属群点击这里加入QQ群
客服邮箱
回到顶部