电脑桌面
添加小米粒文库到电脑桌面
安装后可以在桌面快捷访问

砖混结构计算书VIP免费

砖混结构计算书_第1页
1/22
砖混结构计算书_第2页
2/22
砖混结构计算书_第3页
3/22
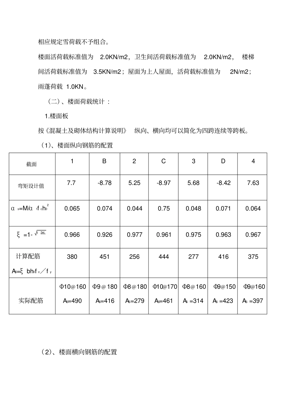
a吉林建筑工程学院六层住宅楼毕业设计(计算书)院(系)名称:土木工程学院学生姓名:指导老师:毕业设计结构计算书一、概述本工程为住宅楼。根据国家规范及使用要求,该建筑物为砖混结构,地上六层。,楼层层高2.8m,室内外高差0.700m。本工程设计使用年限50年,建筑结8构安全等级二级,要求施工质量控制等级为B级。二、设计依据及计算项目1、《建筑结构荷载规范》GB50009-2001《多孔砖砌体结构技术规范》JGJ137-2001《建筑制图标准》GB50352-2005《民用建筑设计通则》GB/T50104-2001《住宅设计规范》GB50096-1999《建筑结构静力学计算手册》(第二版)中国建筑工业出版社《房屋建筑学》中央广播电视大学出版社《混凝土及砌体结构》武汉大学出版社《土力学及地基基础》武汉大学出版社《钢结构》武汉大学出版社2、辅助设计工具天正绘图软件3、设计计算项目砌体承压计算;钢筋混泥土板、基础强度、楼梯配筋等。(一)楼板设计:(一)、本结构计算属刚性方案,并符合相应规定,风荷载不予考虑。按相应规定雪荷载不予组合。楼面活荷载标准值为2.0KN/m2,卫生间活荷载标准值为2.0KN/m2,楼梯间活荷载标准值为3.5KN/m2;屋面为上人屋面,活荷载标准值为2N/m2;雨蓬荷载1.0KN。(二)、楼面荷载统计:1.楼面板按《混凝土及砌体结构计算说明》纵向、横向均可以简化为四跨连续等跨板。(1)、楼面纵向钢筋的配置截面1B2C3D4弯矩设计值7.7-8.785.25-8.975.68-8.427.63αs=M/α1fch020.0650.0740.0440.750.0480.0710.064ξ=1-12sd0.9660.9260.9770.9610.9750.9630.967计算配筋AS=ξbh0fc/fy380451256444277416375实际配筋Φ10﹫160AS=490Φ9﹫180AS=416Φ8﹫180AS=279Φ10﹫170AS=461Φ8﹫160AS=314Φ9﹫150AS=423Φ9﹫160AS=397(2)、楼面横向钢筋的配置截面1B2C3D4弯矩设计值9.77-15.77.05-11.947.56-14.9111.92αs=M/α1fch020.0820.130.0590.10.0640.130.1ξ=1-12sd0.9570.930.9700.950.9670.930.947计算配筋AS=ξbh0fc/fy486803346598372763599实际配筋Φ10﹫160AS=490Φ11﹫110AS=863Φ9﹫180AS=352Φ11﹫120AS=791Φ9﹫160AS=397Φ11﹫120AS=791Φ10﹫130AS=601(二)、楼梯计算:层高2.8米踏步尺寸175mmx270mm。采用混泥土强度等级C25,板内配筋采用HPB235,梁内纵筋采用HPB235,箍筋采用HPB235.楼梯上均布可变荷载标准值q=3.5KN/m2。1、楼梯板(TB-1)计算:板的倾斜度:tana=175/270=0.65。cosa=0.84.设板厚:h=80mm,取1m宽板带计算。荷载计算:300mm厚水泥面层:(0.175+0.270)x0.02x20x1/0.3=0.59KN/m三角形踏步:0.175x0.270x1/2x25x1/0.3=1.97KN/m斜板:0.08x25x1/0.84=2.38KN/m20mm厚板底抹灰:0.02x17x1/0.84=0.38KN/m小计g=5.32KN/m可变荷载q=3.5KN/m荷载分项系数RG=1.2,RQ=1.4.基本组合的总荷载设计值:P=1.2x5.32+1.4x3.5=11.28KN/m2、楼梯板截面设计:板水平计算跨度LN=2.16m弯矩设计值M=1/10PLN2=1/10x11.28x2.162=5.26KN/mHO=80mm-20mm=60mmaS=M/a1FCBHO=5.26x106/1x11.9x602=0.12rS=[1+(1-2aS)1/2]/2=[1+(1-2x0.12)1/2]/2=0.936AS=M/rSFYHO=5.26x106/0.936x210x60=446mm2选Ф8@100,As=503mm23、楼梯板(TB-2)计算:板的倾斜度:tana=175/270=0.65。cosa=0.84.设板厚:h=80mm,取1m宽板带计算。荷载计算:300mm厚水泥面层:(0.175+0.270)x0.02x20x1/0.3=0.59KN/m三角形踏步:0.175x0.270x1/2x25x1/0.3=1.97KN/m斜板:0.08x25x1/0.84=2.38KN/m20mm厚板底抹灰:0.02x17x1/0.84=0.38KN/m小计g=5.32KN/m可变荷载q=3.5KN/m荷载分项系数RG=1.2,RQ=1.4.基本组合的总荷载设计值:P=1.2x5.32+1.4x3.5=11.28KN/m4、楼梯板截面设计:板水平计算跨度LN=1.62m弯矩设计值M=1/10PLN2=1/10x11.28x1.622=2.96KN/mHO=80mm-20mm=60mmaS=M/a1FCBHO=2.96x106/1x11.9x602=0.069rS=[1+(1-2aS)1/2]/2=[1+(1-2x0.0.069)1/2]/2=0.964AS=M/rSFYHO=5.26x106/0.936x210x60=244mm2选Ф8@180,As=279mm25、楼梯板(TB-3)计算:板的倾斜度:tana=175/270=0.65。cosa=0.84.设板厚:h=80mm,取1m宽板带计算。荷载计算:300mm厚水泥面层:(0.175+0.270)x0.02x20x1/0.3=0.59KN/m...

1、当您付费下载文档后,您只拥有了使用权限,并不意味着购买了版权,文档只能用于自身使用,不得用于其他商业用途(如 [转卖]进行直接盈利或[编辑后售卖]进行间接盈利)。
2、本站所有内容均由合作方或网友上传,本站不对文档的完整性、权威性及其观点立场正确性做任何保证或承诺!文档内容仅供研究参考,付费前请自行鉴别。
3、如文档内容存在违规,或者侵犯商业秘密、侵犯著作权等,请点击“违规举报”。

碎片内容

砖混结构计算书

爱的疯狂+ 关注
实名认证
内容提供者

该用户很懒,什么也没介绍

确认删除?
VIP
微信客服
  • 扫码咨询
会员Q群
  • 会员专属群点击这里加入QQ群
客服邮箱
回到顶部