电脑桌面
添加小米粒文库到电脑桌面
安装后可以在桌面快捷访问

磨煤机检修规程VIP免费

磨煤机检修规程_第1页
1/14
磨煤机检修规程_第2页
2/14
磨煤机检修规程_第3页
3/14
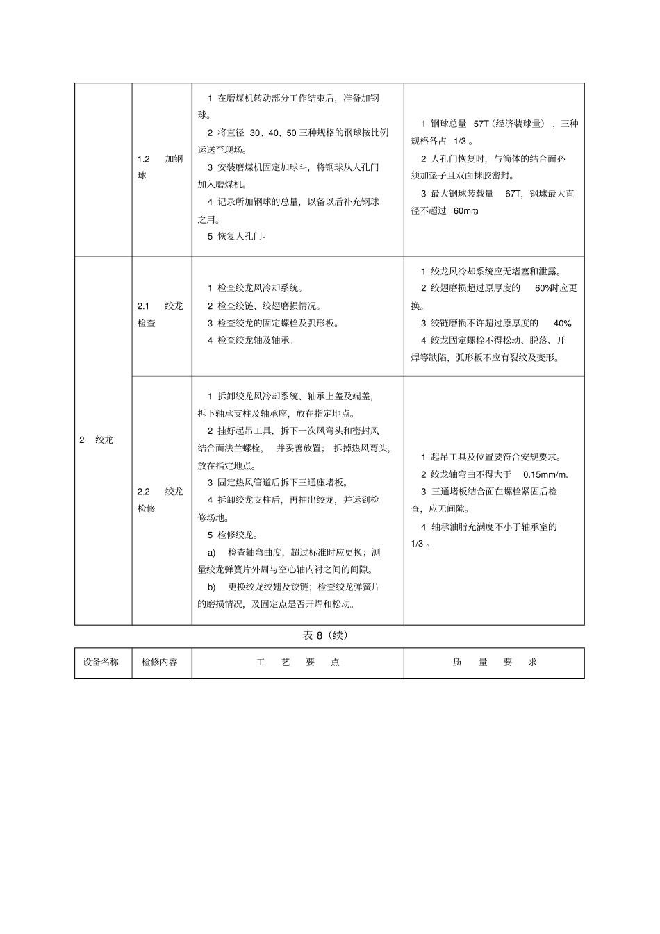
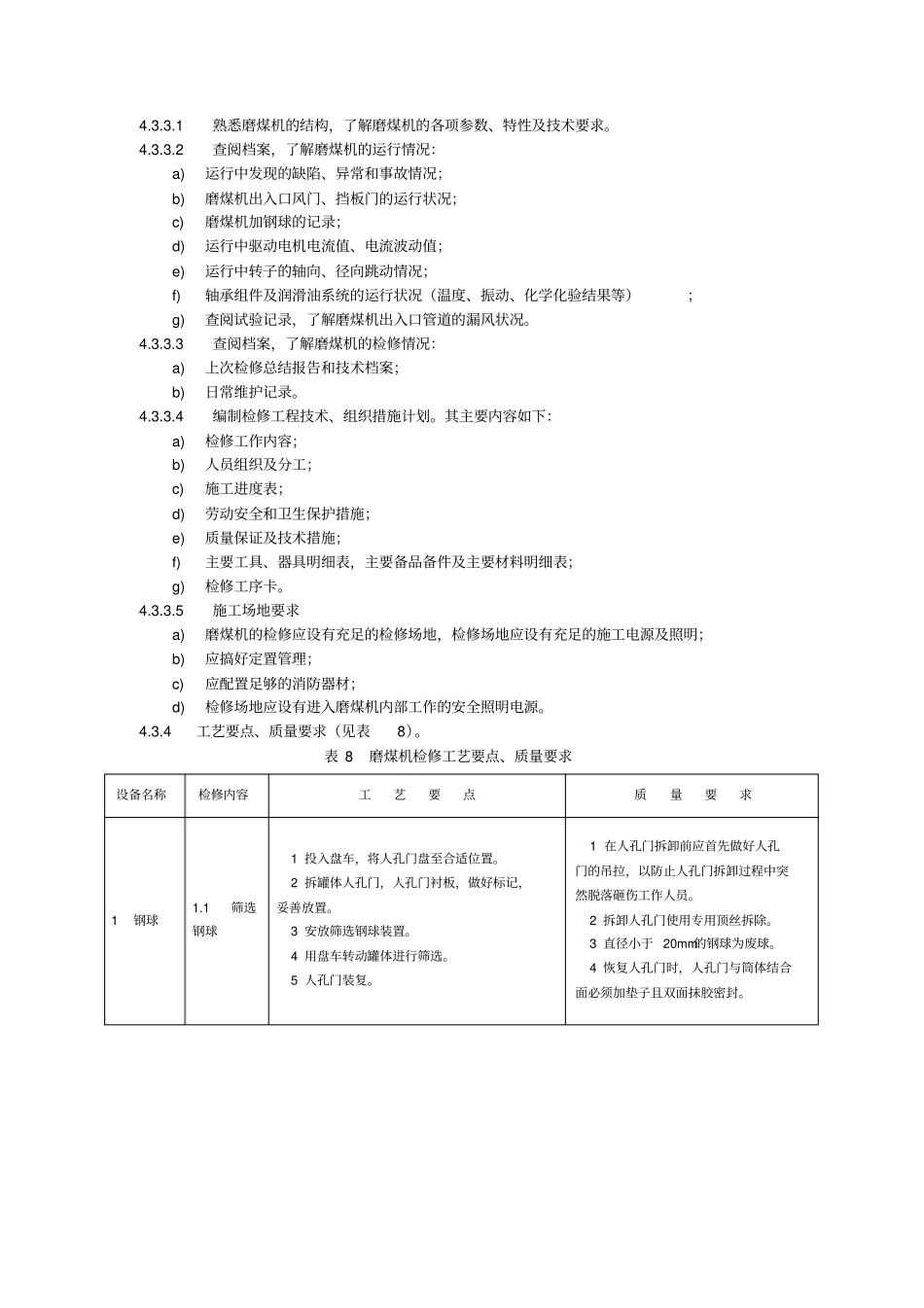
4.3双进双出钢球磨煤机检修4.3.1概述BBD3854BIS双进双出筒式钢磨煤机是胜利发电厂Ⅱ期工程锅炉直吹式制粉系统中主要的主体煤粉制备设备,其作用是把给煤机送入的原煤通过钢球撞击、挤压和研磨,磨制成煤粉。其工作原理如下:原煤通过给煤机送至料斗落下,经过混料箱并在此得到旁路风的预干燥,通过落煤管到达位于中空轴心部的螺旋输送装置中。输送装置随磨机筒体做旋转运动,使原煤通过中空轴进入磨机筒体内。磨机的筒体内装有一定量的钢球,在筒体的旋转过程中,钢球对原煤的冲砸和互相摩擦作用使煤块逐渐被磨制成煤粉。通过一次热风由中空轴内的中空管进入磨机,使原煤和煤粉进一步得到干燥,并将煤粉从原煤进入口的相反方向吹出磨机筒体,带有煤粉的一次热风在磨机出口再一次与旁路风混合,通过煤粉管路进入磨煤机上方的分离器。通过分离器调整调整,可以实现出口煤粉细度的调节和控制。合格的煤粉从分离器上方出口直接送往锅炉燃烧器,而不合格的煤粉则依靠惯性和重力的作用,通过回煤管返回磨机,再次进行研磨。4.3.2规范4.3.2.1型号:BBD3854BIS(4台/炉)4.3.2.2组成部分:每台双进双出磨煤机由磨机筒体、螺旋输送装置、静压主轴承密封风装置、混料箱、分离器、大小齿轮主传动系统,主轴承润滑系统,大齿轮喷射润滑系统,压差和噪音测料位系统和慢速传动系统等组成,并与给煤机相连,同时还配以加钢球装置,煤粉截止阀,隔音罩等辅助装置。4.3.2.3主要规范(见表7)。表7磨煤机主要规范名称参数名称参数名称参数磨煤机型号BBD3854BIS最大出力50t/h筒体有效内径3750mm筒体有效长度5540mm最大装球量67t筒体转速17r/min筒体有效容积61.2m3密封风流量3800Kg/h分离器直径2400mm大齿轮齿数224小齿轮齿数25模数25mm减速机中心距762mm减速机传动比6.449减速机型号H2SH15A电机型号YTM630-6电机转速985r/min电机功率1120KW电机电压6000V经济装球量57t4.3.3修前准备工作:4.3.3.1熟悉磨煤机的结构,了解磨煤机的各项参数、特性及技术要求。4.3.3.2查阅档案,了解磨煤机的运行情况:a)运行中发现的缺陷、异常和事故情况;b)磨煤机出入口风门、挡板门的运行状况;c)磨煤机加钢球的记录;d)运行中驱动电机电流值、电流波动值;e)运行中转子的轴向、径向跳动情况;f)轴承组件及润滑油系统的运行状况(温度、振动、化学化验结果等);g)查阅试验记录,了解磨煤机出入口管道的漏风状况。4.3.3.3查阅档案,了解磨煤机的检修情况:a)上次检修总结报告和技术档案;b)日常维护记录。4.3.3.4编制检修工程技术、组织措施计划。其主要内容如下:a)检修工作内容;b)人员组织及分工;c)施工进度表;d)劳动安全和卫生保护措施;e)质量保证及技术措施;f)主要工具、器具明细表,主要备品备件及主要材料明细表;g)检修工序卡。4.3.3.5施工场地要求a)磨煤机的检修应设有充足的检修场地,检修场地应设有充足的施工电源及照明;b)应搞好定置管理;c)应配置足够的消防器材;d)检修场地应设有进入磨煤机内部工作的安全照明电源。4.3.4工艺要点、质量要求(见表8)。表8磨煤机检修工艺要点、质量要求设备名称检修内容工艺要点质量要求1钢球1.1筛选钢球1投入盘车,将人孔门盘至合适位置。2拆罐体人孔门,人孔门衬板,做好标记,妥善放置。3安放筛选钢球装置。4用盘车转动罐体进行筛选。5人孔门装复。1在人孔门拆卸前应首先做好人孔门的吊拉,以防止人孔门拆卸过程中突然脱落砸伤工作人员。2拆卸人孔门使用专用顶丝拆除。3直径小于20mm的钢球为废球。4恢复人孔门时,人孔门与筒体结合面必须加垫子且双面抹胶密封。1.2加钢球1在磨煤机转动部分工作结束后,准备加钢球。2将直径30、40、50三种规格的钢球按比例运送至现场。3安装磨煤机固定加球斗,将钢球从人孔门加入磨煤机。4记录所加钢球的总量,以备以后补充钢球之用。5恢复人孔门。1钢球总量57T(经济装球量),三种规格各占1/3。2人孔门恢复时,与筒体的结合面必须加垫子且双面抹胶密封。3最大钢球装载量67T,钢球最大直径不超过60mm。2绞龙2.1绞龙检查1检查绞龙风冷却系统。2检查绞链、绞翅磨损情况。3检查绞龙的固定螺栓及弧形板。4检查绞龙轴及轴承。1绞龙风冷...

1、当您付费下载文档后,您只拥有了使用权限,并不意味着购买了版权,文档只能用于自身使用,不得用于其他商业用途(如 [转卖]进行直接盈利或[编辑后售卖]进行间接盈利)。
2、本站所有内容均由合作方或网友上传,本站不对文档的完整性、权威性及其观点立场正确性做任何保证或承诺!文档内容仅供研究参考,付费前请自行鉴别。
3、如文档内容存在违规,或者侵犯商业秘密、侵犯著作权等,请点击“违规举报”。

碎片内容

磨煤机检修规程

您可能关注的文档

确认删除?
VIP
微信客服
  • 扫码咨询
会员Q群
  • 会员专属群点击这里加入QQ群
客服邮箱
回到顶部