电脑桌面
添加小米粒文库到电脑桌面
安装后可以在桌面快捷访问

筛板式连续精馏塔及其主要附属设备设计VIP免费

筛板式连续精馏塔及其主要附属设备设计_第1页
1/33
筛板式连续精馏塔及其主要附属设备设计_第2页
2/33
筛板式连续精馏塔及其主要附属设备设计_第3页
3/33
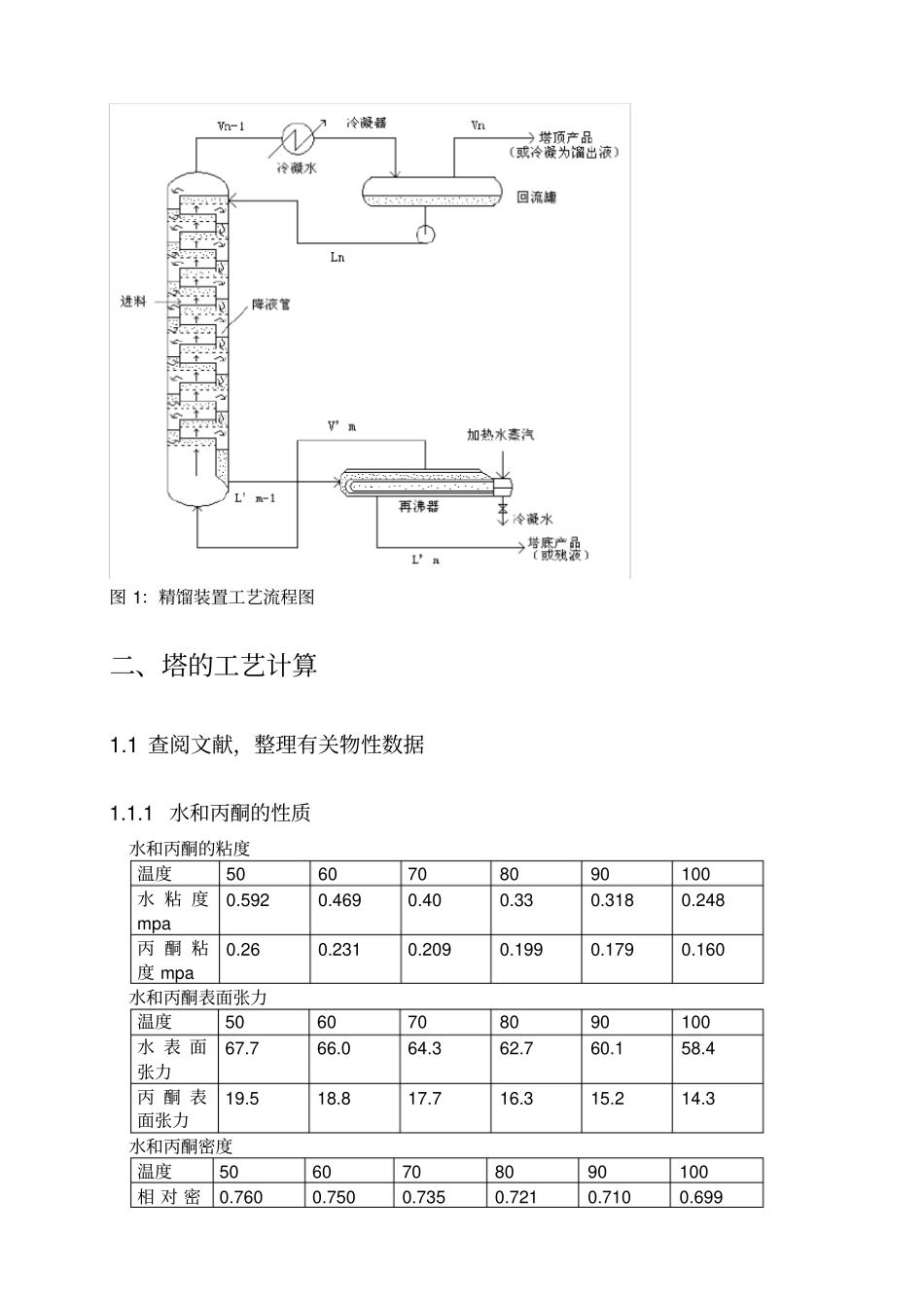
一、设计概述1.1设计题目:筛板式连续精馏塔及其主要附属设备设计1.2工艺条件:生产能力:hkg4.5574(料液)年工作日:300天原料组成:25%丙酮,75%水(摩尔分率)产品组成:馏出液99%丙酮,釜液1%丙酮(质量分率)操作压力:塔顶压强为常压进料温度:泡点进料状况:泡点加热方式:直接蒸汽加热回流比:R/Rmin=1.51.3工艺流程图丙酮—水溶液经预热至泡点后,用泵送入精馏塔。塔顶上升蒸气采用全冷凝后,部分回流,其余作为塔顶产品经冷却器冷却后送至贮槽。塔釜采用间接蒸汽再沸器供热,塔底产品经冷却后送入贮槽。精馏装置有精馏塔、原料预热器、冷凝器、釜液冷却器和产品冷却器等设备。热量自塔釜输入,物料在塔内经多次部分气化与部分冷凝进行精馏分离,由冷凝器和冷却器中的冷却介质将余热带走。丙酮—水混合液原料经预热器加热到泡点温度后送入精馏塔进料板,在进料板上与自塔上部下降的的回流液体汇合后,逐板溢流,最后流入塔底。在每层板上,回流液体与上升蒸汽互相接触,进行热和质的传递过程。流程示意图如下图图1:精馏装置工艺流程图二、塔的工艺计算1.1查阅文献,整理有关物性数据1.1.1水和丙酮的性质水和丙酮的粘度温度5060708090100水粘度mpa0.5920.4690.400.330.3180.248丙酮粘度mpa0.260.2310.2090.1990.1790.160水和丙酮表面张力温度5060708090100水表面张力67.766.064.362.760.158.4丙酮表面张力19.518.817.716.315.214.3水和丙酮密度温度5060708090100相对密0.7600.7500.7350.7210.7100.699度水998.1983.2977.8971.8965.3958.4丙酮758.56737.4718.68700.67685.36669.92水和丙酮的物理性质分子量沸点临界温度K临界压强kpa水18.02100647.4522050丙酮58.0856.2508.14701.50丙酮—水系统t—x—y数据沸点t/℃丙酮摩尔数xy10000920.010.27984.20.0250.4775.60.050.6366.90.10.75462.40.20.81361.10.30.83260.30.40.84259.80.50.85159.20.60.86358.80.70.87558.20.80.89757.40.90.93556.90.950.96256.70.9750.97956.511由以上数据可作出t-y(x)图如下1.1.2进料液及塔顶、塔底产品的摩尔分数酮的摩尔质量AM=58.08Kg/kmol水的摩尔质量BM=18.02Kg/kmol平均摩尔质量MF=0.2558.08+(1-0.25)18.02=28.035kg/kmolMD=0.96858.08+(1-0.968)18.02=56.798kg/kmolMW=0.0031258.08+(1-0.00312)18.02=18.14kg/kmol84.198035.284.5574FKmol/h25.0Fx968.002.18/01.008.58/99.008.58/99.0Dx00312.002.18/99.008.58/01.008.58/01.0Wx2.1全塔物料衡算与操作方程2.1.1全塔物料衡算WDFFDWFxDxWx代入数据的:WD84.198WD00312.0968.025.084.198解得:D=50.88Kmol/hW=147.96Kmol/h根据丙酮—水系统t—x(y)图可以查得:ctd055.56(塔顶第一块板)0.968Dx10.968y10.95x设丙酮为A物质,水为B物质所以第一块板上:0.968Ay0.95Ax0.032By0.05Bx可得:()/1.59/AAABDBByxayxctf064.12(加料板)25.0Fx82.0Fy假设物质同上:82.0Fy25.0Fx18.0By75.0Bx可得:7.13)(BBAAFABxyxyactw099.94(塔底)00312.0Wy假设物质同上:00312.0Ax99688.0By99688.0Bx可得:1)(BBAAWABxyxya所以全塔平均挥发度:8.217.1359.13a泡点进料,所以:FDFDxxaxxaR1111min代入数据得:07.225.01968.018.225.0968.018.21minR令min5.1RR所以1.307.25.1R2.1.2操作线方程精馏段111DnnxRyxRR=0.756Xn+0.236WnWnFnnWnnWnFnLnFnLnxqqqqqxqqqqqqqyL1提馏段:因为泡点进料,所以q=1,且nDnLqRq代入数据00221.0709.11nnxy通过已获得的精馏段和提馏段的操作线方程,进行逐板计算,确定给定条件下完成规定分离要求所需要的理论板数TN,数据如下表所示:y1=0.968x1=0.915279879y2=0.928138445x2=0.821833611y3=0.85748395x3=0.682422789y4=0.752075767x4=0.52001292y5=0.629278061x5=0.377423531y6=0.521466572x6=0.280153503y7=0.447920942x7=0.224663408y11=#VALUE!X7=0.224663408y12=0.3817981430.180710321y13=0.3066703230.136419582y14=0.2309653630.096870784y15=0.1633656740.065191328y16=0.1092168390.041951461y17=0.0694935630.025979761y18=0.0421935690.01548927y19=0.0242624570.008802458y20=0.0128328710.004621293y21=0.0056861190...

1、当您付费下载文档后,您只拥有了使用权限,并不意味着购买了版权,文档只能用于自身使用,不得用于其他商业用途(如 [转卖]进行直接盈利或[编辑后售卖]进行间接盈利)。
2、本站所有内容均由合作方或网友上传,本站不对文档的完整性、权威性及其观点立场正确性做任何保证或承诺!文档内容仅供研究参考,付费前请自行鉴别。
3、如文档内容存在违规,或者侵犯商业秘密、侵犯著作权等,请点击“违规举报”。

碎片内容

筛板式连续精馏塔及其主要附属设备设计

确认删除?
VIP
微信客服
  • 扫码咨询
会员Q群
  • 会员专属群点击这里加入QQ群
客服邮箱
回到顶部