电脑桌面
添加小米粒文库到电脑桌面
安装后可以在桌面快捷访问

危险废物管理计划-VIP免费

危险废物管理计划-_第1页
1/12
危险废物管理计划-_第2页
2/12
危险废物管理计划-_第3页
3/12
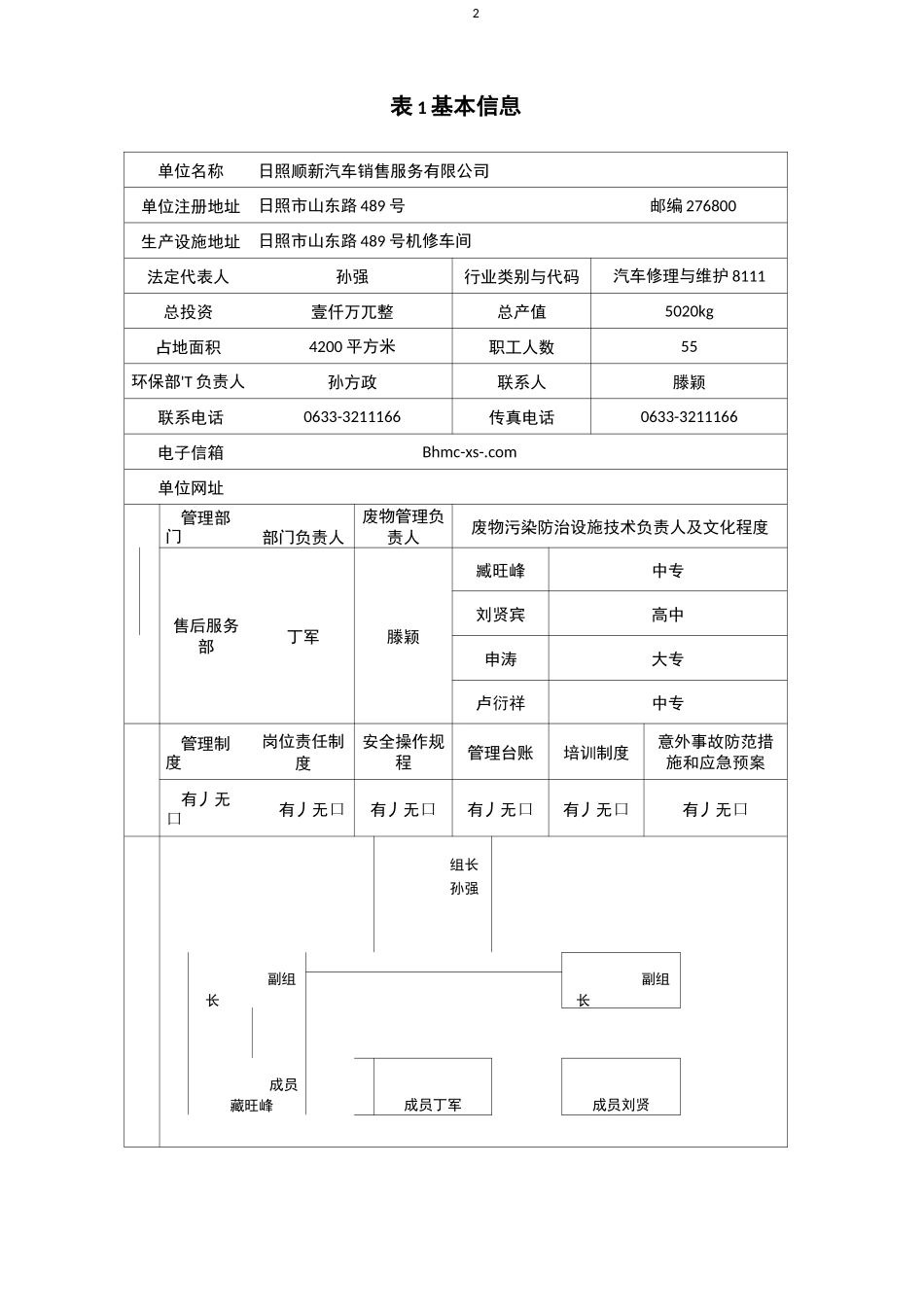
1危险废物管理计划单位名称(盖章):日照顺新汽车销售服务有限公司制定日期:2017年12月30日计划期限:2018年1月1日至2018年12月31日2表1基本信息单位名称日照顺新汽车销售服务有限公司单位注册地址日照市山东路489号邮编276800生产设施地址日照市山东路489号机修车间法定代表人孙强行业类别与代码汽车修理与维护8111总投资壹仟万兀整总产值5020kg占地面积4200平方米职工人数55环保部'T负责人孙方政联系人滕颖联系电话0633-3211166传真电话0633-3211166电子信箱Bhmc-xs-.com单位网址管理部门部门负责人废物管理负责人废物污染防治设施技术负责人及文化程度售后服务部丁军滕颖臧旺峰中专刘贤宾高中申涛大专卢衍祥中专管理制度岗位责任制度安全操作规程管理台账培训制度意外事故防范措施和应急预案有丿无口有丿无口有丿无口有丿无口有丿无口有丿无口组长孙强副组长副组长成员藏旺峰成员丁军成员刘贤3表2产品生产情况原辅材料及消耗量序号上年度消耗量(吨/年)序号®i耗伟年消吨zl\口n□□口n口n□□生产设备及数量序号」--/|\序号口n口n□□口n口n产品及产量序号上年度产量(吨/序号口n口n口n□□口n生产工艺流程图及工艺说明4表3危险废物产生概况(可另增页)-序号废物名称废物代码废物类别有害物质名称物理性状危险特性本年度计划产生量(吨)上年度实际产生量(吨)来源及产生工序1废矿物油900-214-08HW08车辆、机械维修和拆解过程中产生的废发动机油制动器油,自动变速箱油、齿轮油等废润滑油液态T155.02车辆维修及保养2废机油桶900-249-08HW08含废物油废物固态T10.150.2车辆维护及保养3456789合计5表4危险废物减量化计划和措施减少危险废物产生量的计划号注备12O234567891111025减少危险废物危害性的计划至分提次台拟五减少危险废物产生量和危害性的措施改和。潮量放厶冃吉的:/HT清鳩用%使河先治长弼防延采喋,亏由计高滑设提润进'的欧用质:利品面合端方综高个物用几废使下险户以危用括'荐包理推以管过可善通6表5危险废物转移情况贮存措施口否VyV否是否口:□是求是:要:收关物验有废护少险丿保准壬危否競标的口环制丿容是工控是相••竣染.•不存及污存质贮批存贮性中审贮'且物价物集置废评废收处险响险类性危影危分全非境纟性安入环合特经混目符物未物项否废存废设是险贮险建所危合危过场按混将通存否否否否贮是是是是\\\\\12345状现施设量数型类积面力匕匕厶冃存宀一贝桶、/6甬吨2称名别类-XJX.7坏吨-X.7刼吨X.7珂吨OOo废桶11a少量治防染污的取采中程过存贮运输措施口质否.JM是遠规丁队勺□俞野否商输是胜运:区物输理货运管险类航港危分否大守性"南遵特是市否物••州是废输沧中险运:程危托称过按委名输否否位运是是单\\\\1234瓠用尊吏商利琴亍时常能正打其H散证乞扩保如止,亠发防护鏘施维毓等理巒淋管廷贲虽-丁n-PTJ刖'加硝扎当纹捆应包'备舗盖设沥^设染菌阿谄职物畑采废稠当险瞑应危卅幻时输程等输一互麹锤运对运用转移计划有负源期资定生队再输吉运号管数II经括17公转包20限责表6危险废物自行利用/处置措施(可另增页)7设施名称设施类别(利用处置方式)设施地址总投资(万元)设计能力设计使用年限投入运行时间运行费用主要设备及数量危险废物利用处置效果是否定期监测污染物排放情况是口否口污染物排放达标情况达标口不达标口危险废物自行利用处置情况序号自行利用处置废物名称本年度计划利用处置量(吨)上年度实际利用处置量(吨)123合计危险废物自行利用处置工艺流程图及工艺说明施制表6危险废物自行利用/处置措施(可另增页)89表7危险废物委托利用/处置措施(可另增页)序号危险废物委托利用处置单位名称许可证编号危险废物的名称利用处置方式本年度计划委托利用处置量(吨)上年度实际委托利用处置量(吨)1绿洁再生资源开发利用有限公司日岚危证01废矿物油收集、暂存4.85.02234合计10表8环境监测情况危险废物利用/处置设施运行过程相关参数的监测利用处置设施运行参数监测情况污染物监测指标及频次自行监测情况委托监测情况表9上年度管理计划回顾11检查'监测和公开间时杳检括包/{\况・胄容则・;境分环因'原杳和检况-J晴e部标保达环测级监各境麼环危险废物...

1、当您付费下载文档后,您只拥有了使用权限,并不意味着购买了版权,文档只能用于自身使用,不得用于其他商业用途(如 [转卖]进行直接盈利或[编辑后售卖]进行间接盈利)。
2、本站所有内容均由合作方或网友上传,本站不对文档的完整性、权威性及其观点立场正确性做任何保证或承诺!文档内容仅供研究参考,付费前请自行鉴别。
3、如文档内容存在违规,或者侵犯商业秘密、侵犯著作权等,请点击“违规举报”。

碎片内容

危险废物管理计划-

wxg+ 关注
实名认证
内容提供者

该用户很懒,什么也没介绍

确认删除?
VIP
微信客服
  • 扫码咨询
会员Q群
  • 会员专属群点击这里加入QQ群
客服邮箱
回到顶部