电脑桌面
添加小米粒文库到电脑桌面
安装后可以在桌面快捷访问

变电站项目划分表划分表VIP免费

变电站项目划分表划分表_第1页
1/8
变电站项目划分表划分表_第2页
2/8
变电站项目划分表划分表_第3页
3/8
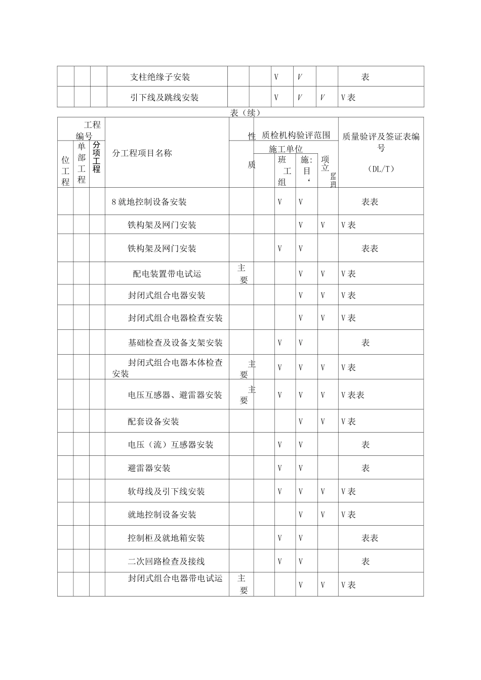
3变电工程质量检验及评定范围本章适用于变电工程电气装置安装质量检验及评定。变电工程电气装置安装,应按表划分单位工程、分部工程及分项工程检验项目。各级质检机构应按表列验评范围对施工质量进行检验评定。表变电工程质量检验评定范围工程编号性质检机构验评范匚围质量验评及签位工程单部工程分项工程分工程项目名称施工单位瞪位监证监表编号质4班:工组队施:目部(DL/T)1主变压器系统设备安装VVV表主变压器安装VVV表主变压器本体安装VVVV表主变压器检查主要VVVV表主变压器附件安装VVVV表主变压器注油及密封试验主要VVVV表主变压器整体检查主要VVVV表主变压器系统附属设备安装VVV表中性点隔离开关安装VV表中性点电流互感器、避雷器安装VV表控制柜及端子箱检查安装VV表软母线安装VV表主变压器带电试运要VVV表主控及直流设备安装VVV表主控室设备安装VVV表控制及保护和自动化屏安装VV表表直流屏及充电设备安装VV表二次回路检查及接线VV表蓄电池组安装VVV表蓄电池安装VVVV表表充放电及容量测定VVVV表表表(续)工程编号分工程项目名称性质质检机构验评范二围质量验评及签证表编号(DL/T)位工程单部工程分项工程施工单位监理单4班工组队施:目部3XXXkV配电装置安装VVV表主母线及旁路母线安装VVV表绝缘子串安装VV表软母线安装VVVV表支柱绝缘子安装VV表管形母线安装要'EVVVV表接地开关安装VV表电压互感器及避雷器安装VVV表避雷器安装VV表电压互感器安装VV表隔离开关及接地开关安装VVVV表支柱绝缘子安装VV表引下线及跳线安装VVVV表箱柜安装VV表表进、出线(母联、分段及旁路)间隔安装VVV表隔离开关安装VVVV表断路器安装要'EVVVV表表电流互感器安装VV表避雷器安装VV表穿墙套管安装VV表支柱绝缘子安装VV表引下线及跳线安装VVVV表表(续)工程编号分工程项目名称性质检机构验评范围质量验评及签证表编号(DL/T)位工程单部工程分项工程质施工单位班工组施:目‘项立监理8就地控制设备安装VV表表铁构架及网门安装VVV表铁构架及网门安装VV表表配电装置带电试运主要VVV表封闭式组合电器安装VVV表封闭式组合电器检查安装VVV表基础检查及设备支架安装VV表封闭式组合电器本体检查安装主要VVVV表电压互感器、避雷器安装主要VVVV表表配套设备安装VVV表电压(流)互感器安装VV表避雷器安装VV表软母线及引下线安装VVVV表就地控制设备安装VVV表控制柜及就地箱安装VV表表二次回路检查及接线VV表封闭式组合电器带电试运主要VVV表及站用配电装置安装VVV表工作变压器安装VVV表变压器本体安装VV表表(续)工程编号分工程项目名称性质质检机构验评范围质量验评及签证表编号(DL/T)位工程单部工程分项工程施工单位单位监理1班:组J工]目也部2变压器检查主要VVVV表变压器附件安装VV表变压器注油及密封试验主要VVVV表控制及端子箱安装VV表变压器整体检查主要VVVV表备用变压器安装VVV表变压器本体安装VV表变压器检查主要VVVV表变压器附件安装VV表变压器注油及密封试验主要VVVV表控制及端子箱安装VV表变压器整体检查主要VVVV表配电柜安装VVV表基础型钢安装VV表配电盘安装VV表表母线安装主要VVVV表断路器检查主要VVVV表表二次回路检查接线VV表站用低压配电装置安装VV表低压变压器安装VV表表低压盘安装VV表表表(续)工程编号分刀工程项目名称性质质检机构验评范围质量验评及签证监表编号单(DL/T)位工程单部工程分项工程施工单位项班工组队施目部3母线安装VVVV表二次回路检查接线VV表系统设备带电试运主要VVV表表无功补偿装置安装VVV表电抗器安装VVV表电抗器安装主要VVVV表引下线安装VVVV表电容器间隔安装VVV表电容器安装VVVV表放电线圈安装VVVV表引下线安装VVVV表电容器组带电试运VVV表全站电缆施工VVV表电缆管配制及敷设VVV表电缆管配制及敷设VV表电缆架制作及安装VVV表电缆架安装VV表电缆敷设VVV表屋内电缆敷设VV表屋外电缆敷设VV表电力电缆终端及中间接头制作VVV表1H电力电缆终端制作及安装VV表电力电缆接头制作及安装VV表控制电缆终端制作及安装VVV表控制电缆终端制作及安装VV表表(续)工程编号分工程项目名称1质检机构验评范生围质量验评及签证监表编号单(DL/T)单位工程分部工程施工单位项贡班工组施目部1635k...

1、当您付费下载文档后,您只拥有了使用权限,并不意味着购买了版权,文档只能用于自身使用,不得用于其他商业用途(如 [转卖]进行直接盈利或[编辑后售卖]进行间接盈利)。
2、本站所有内容均由合作方或网友上传,本站不对文档的完整性、权威性及其观点立场正确性做任何保证或承诺!文档内容仅供研究参考,付费前请自行鉴别。
3、如文档内容存在违规,或者侵犯商业秘密、侵犯著作权等,请点击“违规举报”。

碎片内容

变电站项目划分表划分表

确认删除?
VIP
微信客服
  • 扫码咨询
会员Q群
  • 会员专属群点击这里加入QQ群
客服邮箱
回到顶部