电脑桌面
添加小米粒文库到电脑桌面
安装后可以在桌面快捷访问

2024企业年度安全培训计划 VIP免费

2024企业年度安全培训计划 _第1页
1/7
2024企业年度安全培训计划 _第2页
2/7
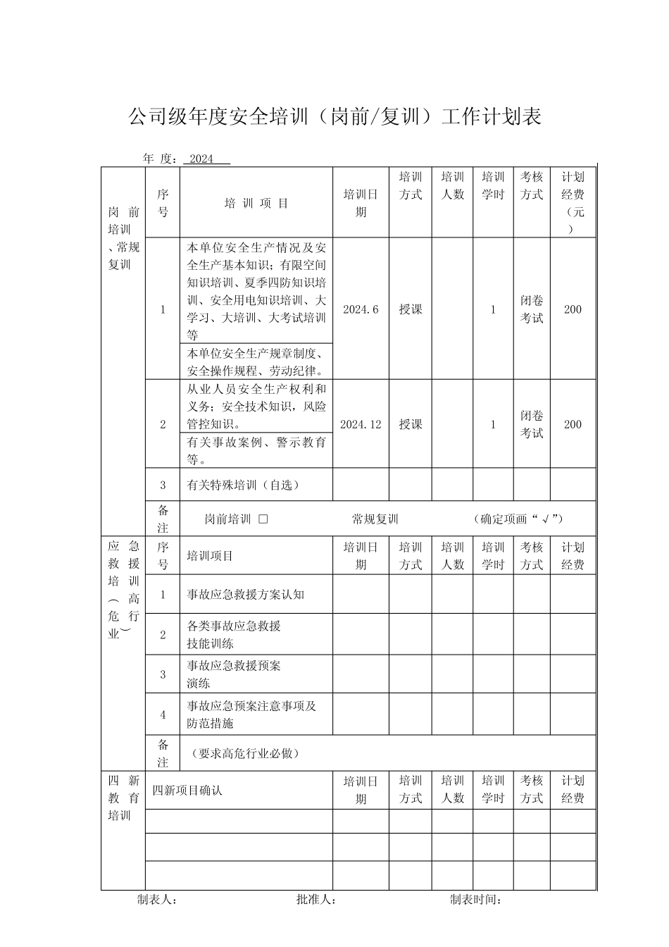
2024年度安全生产培训教育计划序号培训层次培训类别培训内容培训学时实施月份授课人培训经费(元)1.公司级安全生产开工“第一课”本地、本行业领域、本单位面临的安全生产形势;安全生产法定职责义务、劳动纪律等;收心教育;事故案例警示教育等,《山东省安全生产条例》宣贯;山东省安全生产“八抓二十项”创新举措内容、全国安全生产会议会议“十五条硬措施”、举报奖励制度及最新法律法规。22(3)月主要负责人1002.公司级安全知识类本单位安全生产情况及安全生产基本知识;有限空间知识培训、夏季四防知识培训、安全用电知识培训、大学习、大培训、大考试培训等26月安全员部门、车间负责人、班组长600公司级规章制度类本单位安全生产规章制度、安全操作规程、劳动纪律等。车间(部门)级安全知识类工作环境及危险因素;所从事工种可能遭受的职业伤害和伤亡事故;所从事工种的安全职责、操作技能及强制性标准。1车间(部门)级应急救援类应急救援预案培训、自救互救、急救方法、疏散和现场紧急情况的处理。班组级规章制度类岗位安全操作规程、应知应会、手指口述;岗位之间工作衔接配合的安全注意事项。13.公司级安全技术知识类、事故案例类从业人员安全生产权利和义务;安全技术知识、风险管控知识;有关事故案例警示教育。212月安全员部门、车间负责人、班组长600车间级安全管理类安全设备设施、个人防护用品的使用和维护;本部门(科室)、车间安全状况及规章制度。预防事故和职业危害的措施及应注意的安全事项;1班组级事故案例类现场处置方案的培训学习。有关事故案例警示教育;岗位风险因素及管控措施。14.三级安全教育新入职员工岗前培训新员工三级安全培训教育。24新员工入职时安全员、车间主任班组长2005.公司级外来施工人员外来施工人员培训(公司安全生产规章制度、劳动记录、安全技术交底、事故案例、应急救援等)。4施工进入单位安全员1006./主要负责人和安全管理人员资格证取证、审证培训主要负责人和安全管理人员资格证取证、审证培训相关安全知识。/根据上级部门安排资质单位教师10007./特种设备等特种作业操作取证、审证培训特种设备相关安全知识。8根据上级部门安排资质单位教师1000公司级年度安全培训(岗前/复训)工作计划表年度:2024岗前培训、常规复训序号培训项目培训日期培训方式培训人数培训学时考核方式计划经费(元)1本单位安全生产情况及安全生产基本知识;有限空间知识培训、夏季四防知识培训、安全用电知识培训、大学习、大培训、大考试培训等2024.6授课1闭卷考试200本单位安全生产规章制度、安全操作规程、劳动纪律。2从业人员安全生产权利和义务;安全技术知识,风险管控知识。2024.12授课1闭卷考试200有关事故案例、警示教育等。3有关特殊培训(自选)备注岗前培训□常规复训(确定项画“√”)应急救援培训︵高危行业︶序号培训项目培训日期培训方式培训人数培训学时考核方式计划经费1事故应急救援方案认知2各类事故应急救援技能训练3事故应急救援预案演练4事故应急预案注意事项及防范措施备注(要求高危行业必做)四新教育培训四新项目确认培训日期培训方式培训人数培训学时考核方式计划经费制表人:批准人:制表时间:车间级年度安全培训工作计划表年度:2024常规复训序号培训项目培训日期培训方式培训人数培训学时考核方式计划经费(元)1工作环境及危险因素2024.6授课2闭卷考试3002所从事工种可能遭受的职业伤害和伤亡事故2024.6授课3所从事工种的安全职责、操作技能及强制性标准2024.6授课4应急救援预案培训、自救互救、急救方法、疏散和现场紧急情况的处理2024.6授课5安全设备设施、个人防护用品的使用和维护2024.12授课2闭卷考试3006本部门(科室)、车间安全生产状况及规章制度2024.12授课7预防事故和职业危害的措施及应注意的安全事项2024.12授课8有关事故案例2024.12授课9其他需要培训的内容岗前︵重新上岗︶培训序号培训项目培训日期培训方式培训人数培训学时考核方式计划经费1工作环境及危险因素2所从事工种可能遭受的职业伤害和伤亡事故3所从事工种的安全职责、操作技能及强制性标准4自救互救、急救方法、疏散和现场紧急情...

1、当您付费下载文档后,您只拥有了使用权限,并不意味着购买了版权,文档只能用于自身使用,不得用于其他商业用途(如 [转卖]进行直接盈利或[编辑后售卖]进行间接盈利)。
2、本站所有内容均由合作方或网友上传,本站不对文档的完整性、权威性及其观点立场正确性做任何保证或承诺!文档内容仅供研究参考,付费前请自行鉴别。
3、如文档内容存在违规,或者侵犯商业秘密、侵犯著作权等,请点击“违规举报”。

碎片内容

2024企业年度安全培训计划

您可能关注的文档

确认删除?
VIP
微信客服
  • 扫码咨询
会员Q群
  • 会员专属群点击这里加入QQ群
客服邮箱
回到顶部