电脑桌面
添加小米粒文库到电脑桌面
安装后可以在桌面快捷访问

指数函数幂函数对数函数增长的比较教案VIP免费

指数函数幂函数对数函数增长的比较教案_第1页
1/3
指数函数幂函数对数函数增长的比较教案_第2页
2/3
指数函数幂函数对数函数增长的比较教案_第3页
3/3
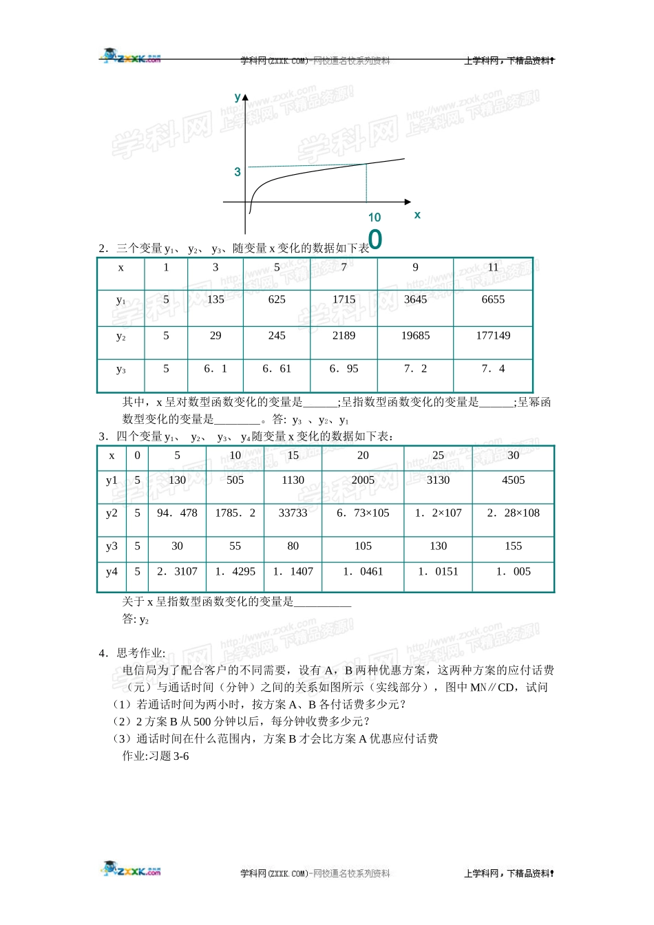
普通高中课程标准实验教科书[北师版]–必修1第三章指数函数与对数函数§3.6指数函数、幂函数、对数函数增长的比较(教案)[教学目标]1、知识与技能(1)由前面学习指数函数的图像、幂函数的图像和对数函数的图像的基础上,列表画出函数的图像.(2)会利用指数函数、幂函数的图像和对数函数的图像对比研究函数的增长快慢.2、过程与方法(1)让学生借助表格和图形了解指数函数的图像、幂函数的图像和对数函数的图像之间的关系,以及变化.(2)学会类比研究问题,利用数性结合的思想研究函数的性质.3、情感.态度与价值观使学生通过学习指数函数、幂函数的图像和对数函数的图像对比研究函数的增长快慢,在学习的过程中体会“指数爆炸”的含义,增强学习函数的积极性和自信心.[教学重点]:列表观察指数函数的图像、幂函数的图像和对数函数的图像的增长快慢[教学难点]:指数函数的图像、幂函数的图像和对数函数的图像.[课时安排]:1课时[学法指导]:学生思考、探究.[讲授过程]【新课导入】[互动过程1]复习:1.指数函数、幂函数、对数函数的图像与性质.请你画出函数x22y2,yx,ylogx的草图,并观察比较函数图像的变化.你能判断出哪个函数的函数值随x的增长速度增长的比较快吗?[互动过程2]提出问题:当a1时,指数函数xya是增函数,并且当a越大时,其函数值的增长就越快.当a1时,指数函数aylogx是增函数,并且当a越大时,其函数值的增长就越快.当x0,n1时,幂函数nyx显然也是增函数,并且当n越大时,其函数值的增长就越快.那么对于这三种增加的函数,它们的函数值的增长快慢有何差别呢?我们通过对三个具体函数xy2,100yx(x0),2ylogx的函数值(取近似值)的比较,来体会它们增长的快慢.1.完成下表(借助科学计算器或设计程序通过计算机完成).自变量函数值xy2100yx(x0)2ylogx…………12101.00700442.00973382.00972580.0100700101024101001001.27×1030102003002.04×10905.15×102475003.27×101507.89×102697005.26×102103.23×102349008.45×102702.66×102959966.70×102996.70×102999.9610001.07×103011030011001.36×103311.38×1030412001.72×103618.28×10307…………2.利用上表中的数据完成下表自变量函数值xy2100yx(x0)2ylogx(1,10)(10,100)(100,300)(300,500)(500,700)(700,900)(900,1000)(1000,1100)(1100,1200)[互动过程3]1.谈谈你对这三个函数值增长快慢的体会.说明:由于指数函数值增长非常快,人们常称这种现象为“指数爆炸”.练习:1.已知函数f(x)的图象如下图,试写出一个可能的解析式:y=___________2.三个变量y1、y2、y3、随变量x变化的数据如下表x1357911y15135625171536456655y2529245218919685177149y356.16.616.957.27.4其中,x呈对数型函数变化的变量是___;呈指数型函数变化的变量是___;呈幂函数型变化的变量是____。答:y3、y2、y13.四个变量y1、y2、y3、y4随变量x变化的数据如下表:x051015202530y151305051130200531304505y2594.4781785.2337336.73×1051.2×1072.28×108y35305580105130155y452.31071.42951.14071.04611.01511.005关于x呈指数型函数变化的变量是_____答:y24.思考作业:电信局为了配合客户的不同需要,设有A,B两种优惠方案,这两种方案的应付话费(元)与通话时间(分钟)之间的关系如图所示(实线部分),图中MN∥CD,试问(1)若通话时间为两小时,按方案A、B各付话费多少元?(2)2方案B从500分钟以后,每分钟收费多少元?(3)通话时间在什么范围内,方案B才会比方案A优惠应付话费作业:习题3-61003xy

1、当您付费下载文档后,您只拥有了使用权限,并不意味着购买了版权,文档只能用于自身使用,不得用于其他商业用途(如 [转卖]进行直接盈利或[编辑后售卖]进行间接盈利)。
2、本站所有内容均由合作方或网友上传,本站不对文档的完整性、权威性及其观点立场正确性做任何保证或承诺!文档内容仅供研究参考,付费前请自行鉴别。
3、如文档内容存在违规,或者侵犯商业秘密、侵犯著作权等,请点击“违规举报”。

碎片内容

指数函数幂函数对数函数增长的比较教案

精品文库+ 关注
实名认证
内容提供者

小学学习各类资料大全

相关文档

确认删除?
VIP
微信客服
  • 扫码咨询
会员Q群
  • 会员专属群点击这里加入QQ群
客服邮箱
回到顶部