电脑桌面
添加小米粒文库到电脑桌面
安装后可以在桌面快捷访问

接地电阻测试记录表 VIP免费

接地电阻测试记录表 _第1页
1/7
接地电阻测试记录表 _第2页
2/7
接地电阻测试记录表 _第3页
3/7
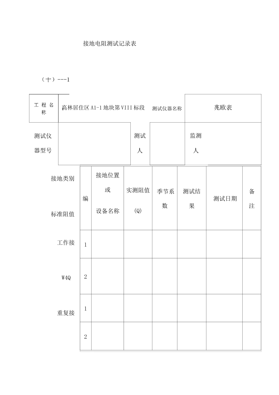
接地电阻测试记录表高林居住区A1-1地块第VIII标段测试仪器名称测试仪器型号测试人监测人编接地位置或设备名称实测阻值(Q)季节系数测试结果测试日期备注1212接地类别标准阻值工作接W4Q重复接45注:1、测试结果二实测阻值X季节系数;2、接地电阻应定期(至少每季一次)进行测试;3、测试人为电工,监测人可以是施工员、安全员等施工管理人员。绝缘电阻测试记录表表(十)---3工程名称滨水小区3#地块II标段用电设备编SJJ-001测试仪用电设备测试仪器器7500W兆欧表100Q型号名称型号测试日期2003年04月30日测试王小东监测陈小明测试回路规定阻值(Q)实测阻值(Q)测试结论备注相用电设备L1与L22015合格L2与L32018合格L3与L12017合格L1与外壳86合格L2与外壳87合格L3与外壳85合格单相用导电体与外壳金属部份108合格注:1、此表为一台用电设备使用一张,作为其测试记录;2、按设备产品使用说明书和有关规范的要求定期(每季度至少一次)对其绝缘电阻进行测试;3、测试人为电工,监测人可以是施工员、安全接地电阻测试记录表十)---1工程名称滨水小区3#地块I标段测试仪器名称兆欧表测试仪器型号100Q测试人监测人接地接地类别及标准阻值编号接地位置或设备名称实测阻值(Q)季节系数测试结果测试日期备注类别及要求工作接地W4Q12重复接地W10Q14#楼塔吊81.18.8Q2007年11月29日26#楼塔吊71.17.7Q2007年11月29日34#楼塔吊71.17.7Q2008年10月29日46#楼塔吊71.17.7Q2008年10月29日56#楼电梯81.18.8Q2008年7月29日67#楼电梯81.18.8Q2008年8月29日防雷接地W30Q14#楼塔吊201.122Q2008年03月29日26#楼塔吊251.127.5Q2008年03月29日保护接地W4Q14#楼塔吊31.13.3Q2008年03月29日26#楼塔吊31.13.3Q2008年03月29日345注:1、测试结果二实测阻值X季节系数;2、接地电阻应定期(至少每季一次)进行测试;3、测试人为电工,监测人可以是施工员、安全员等施工管理人员。

1、当您付费下载文档后,您只拥有了使用权限,并不意味着购买了版权,文档只能用于自身使用,不得用于其他商业用途(如 [转卖]进行直接盈利或[编辑后售卖]进行间接盈利)。
2、本站所有内容均由合作方或网友上传,本站不对文档的完整性、权威性及其观点立场正确性做任何保证或承诺!文档内容仅供研究参考,付费前请自行鉴别。
3、如文档内容存在违规,或者侵犯商业秘密、侵犯著作权等,请点击“违规举报”。

碎片内容

接地电阻测试记录表

wxg+ 关注
实名认证
内容提供者

该用户很懒,什么也没介绍

相关文档

确认删除?
VIP
微信客服
  • 扫码咨询
会员Q群
  • 会员专属群点击这里加入QQ群
客服邮箱
回到顶部