电脑桌面
添加小米粒文库到电脑桌面
安装后可以在桌面快捷访问

连杆加工工艺VIP免费

连杆加工工艺_第1页
1/20
连杆加工工艺_第2页
2/20
连杆加工工艺_第3页
3/20
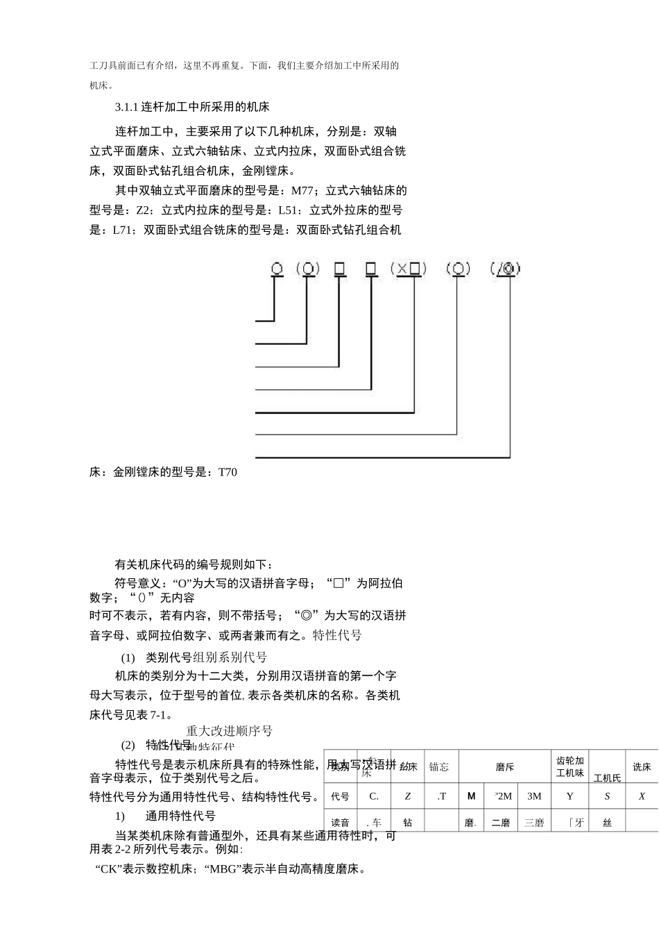
任务7连杆零件加工1、教学目标最终目标:会连杆零件的加工。促成目标:1、能分析连杆零件的结构工艺性;2、会拟定连杆零件的加工工艺路线3、会合理选择夹紧着力点;3、牢记安全文明生产规范要求。2、工作任务按拟定工艺完成图9所示连杆类零件加工。\Qioc零件名称:连杆材料:45,40cr生产纲领:大批。3、相关实践知识连杆是活塞式发动机的重要零件,其大头孔和曲轴连接,小头孔通过活塞销和活塞连接,将作用于活塞的气体膨胀压力传给曲轴,又受曲轴驱动而带动活塞压缩气缸中的气体。连杆承受的是高交变载荷,气体的压力在杆身内产生很大的压缩应力和纵向弯曲应力,由活塞和连杆重量引趄的。惯性力,使连杆承受拉应力。所以连杆承受的是冲击性质的动载荷。因此要医畑G屮♦£]」]61/100连杆休连杆电■分组0H46扯人衬套后二曙僅帝X单二锻标记拉曙力矩|QN»mW+C.05业/去费量暈屮至盟图7-1连杆去車量聂小至22求连杆重量轻、强度要好3.1选择机床和工件安装方式连杆加工的加工表面为大小头孔,两端面,连杆盖与连杆体的接合面和螺栓等。次要表面为油孔、锁口槽、供作工工艺基准的工艺凸台等。还有称重去重、检验、清洗和去毛刺等工序。连杆的加工工序多,采用多种加工方法,主要有:磨削,钻削,拉削,镗削等。各种加表7-其他特征代类别•车床钻床锚忘磨斥齿轮加工机味工机氏诜床代号C.Z.TM:'2M3MYSX读音.车钻磨.二磨三磨「牙丝工刀具前面已有介绍,这里不再重复。下面,我们主要介绍加工中所采用的机床。3.1.1连杆加工中所采用的机床连杆加工中,主要采用了以下几种机床,分别是:双轴立式平面磨床、立式六轴钻床、立式内拉床,双面卧式组合铣床,双面卧式钻孔组合机床,金刚镗床。其中双轴立式平面磨床的型号是:M77;立式六轴钻床的型号是:Z2;立式内拉床的型号是:L51;立式外拉床的型号是:L71;双面卧式组合铣床的型号是:双面卧式钻孔组合机床:金刚镗床的型号是:T70有关机床代码的编号规则如下:符号意义:“O”为大写的汉语拼音字母;“□”为阿拉伯数字;“()”无内容时可不表示,若有内容,则不带括号;“◎”为大写的汉语拼音字母、或阿拉伯数字、或两者兼而有之。特性代号(1)类别代号组别系别代号机床的类别分为十二大类,分别用汉语拼音的第一个字母大写表示,位于型号的首位,表示各类机床的名称。各类机床代号见表7-1。重大改进顺序号(2)特性代号特性代号是表示机床所具有的特殊性能,用大写汉语拼音字母表示,位于类别代号之后。特性代号分为通用特性代号、结构特性代号。1)通用特性代号当某类机床除有普通型外,还具有某些通用待性时,可用表2-2所列代号表示。例如:“CK”表示数控机床;“MBG”表示半自动高精度磨床。表7-2特性代号45,生产纲领为大批生产。3.2.1分析连杆的结构和技术要求(1)结构连杆是较细长的变截面非圆形杆件,其杆身截面从大头到小头逐步变小,以适应在工作中承受的急剧变化的动载荷。连杆是由连杆大头、杆身和连杆小头三部分组成,连杆大头是分开的,一半与杆身为一体,一半为连杆盖,连杆盖用螺栓和螺母与曲轴主轴颈装配在一起。为了减少磨损和磨损后便于修理,在连杆小头孔中压人青铜材套,大头孔中装有薄壁金属轴瓦。为方便加工连杆,可以在连杆的大头侧面或小头侧面设置工艺凸台或工艺侧面。(2)连杆的主要技术要求技术要求项目具体要求或数值满足的主要性能大、小头孔精度尺寸公差IT6级,圆度、柱度0.004〜0.006保证与轴瓦的良好配合两孔中心距±0.03~0.05气缸的压缩比两孔轴线在同一个平面内在连杆轴线平面内:0.02~0.04:100在垂直连杆轴线平面内:0.04~0.06:100减少气缸壁和曲轴颈磨损大孔两端对轴线的垂直度0.1:100减少曲轴颈边缘磨损两螺孔子(定位孑L)的位置精度在两个垂直方向上的平行度:0.02~0.04/100对结合面的垂直度:0.1~0.3/100保证正常承载和轴颈与轴瓦的良好配合同一组内的重量差±2%保证运转平稳(3)连杆的工艺特点:1)连杆体和盖厚度不一样,改善了加工工艺性。连杆盖厚度为31mm,比连杆杆厚度单边小3.8mm,盖两端面精度产品要求不高,可一次加工而成。由于加工面小,冷却条件好,使加工振动和磨削烧伤不易产生。连杆...

1、当您付费下载文档后,您只拥有了使用权限,并不意味着购买了版权,文档只能用于自身使用,不得用于其他商业用途(如 [转卖]进行直接盈利或[编辑后售卖]进行间接盈利)。
2、本站所有内容均由合作方或网友上传,本站不对文档的完整性、权威性及其观点立场正确性做任何保证或承诺!文档内容仅供研究参考,付费前请自行鉴别。
3、如文档内容存在违规,或者侵犯商业秘密、侵犯著作权等,请点击“违规举报”。

碎片内容

连杆加工工艺

您可能关注的文档

确认删除?
VIP
微信客服
  • 扫码咨询
会员Q群
  • 会员专属群点击这里加入QQ群
客服邮箱
回到顶部