电脑桌面
添加小米粒文库到电脑桌面
安装后可以在桌面快捷访问

管道支吊架间距表VIP免费

管道支吊架间距表_第1页
1/2
管道支吊架间距表_第2页
2/2
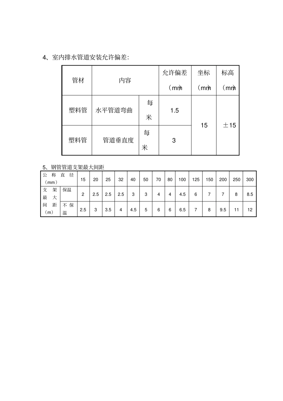
管道支吊架间距表1、聚丙烯(PP-R)管安装允许偏差见下表:项次项目允许偏差(mm)1水平管道纵横方向弯曲每米管道1.5全长25米以上≯252立管垂直度每米管道2全长5米以上≯83成排管段和成排阀门在同一平面上间距32、室内排水管道坡度要求:管径(mm)标准坡度(%)最小坡度(%)DN502.51.2DN751.50.8DN1101.20.63、管道支承件的间距:管径(mm)5075110160立管1.21.52.02.0横管0.50.751.101.604、室内排水管道安装允许偏差:管材内容允许偏差(mm)坐标(mm)标高(mm)塑料管水平管道弯曲每米1.515±15塑料管管道垂直度每米35、钢管管道支架最大间距公称直径(mm)1520253240507080100125150200250300支架最大间距(m)保温22.52.52.533444.567788.5不保温2.533.544.55666.5789.51112

1、当您付费下载文档后,您只拥有了使用权限,并不意味着购买了版权,文档只能用于自身使用,不得用于其他商业用途(如 [转卖]进行直接盈利或[编辑后售卖]进行间接盈利)。
2、本站所有内容均由合作方或网友上传,本站不对文档的完整性、权威性及其观点立场正确性做任何保证或承诺!文档内容仅供研究参考,付费前请自行鉴别。
3、如文档内容存在违规,或者侵犯商业秘密、侵犯著作权等,请点击“违规举报”。

碎片内容

管道支吊架间距表

您可能关注的文档

确认删除?
VIP
微信客服
  • 扫码咨询
会员Q群
  • 会员专属群点击这里加入QQ群
客服邮箱
回到顶部