电脑桌面
添加小米粒文库到电脑桌面
安装后可以在桌面快捷访问

管道支架工程量计算VIP免费

管道支架工程量计算_第1页
1/2
管道支架工程量计算_第2页
2/2
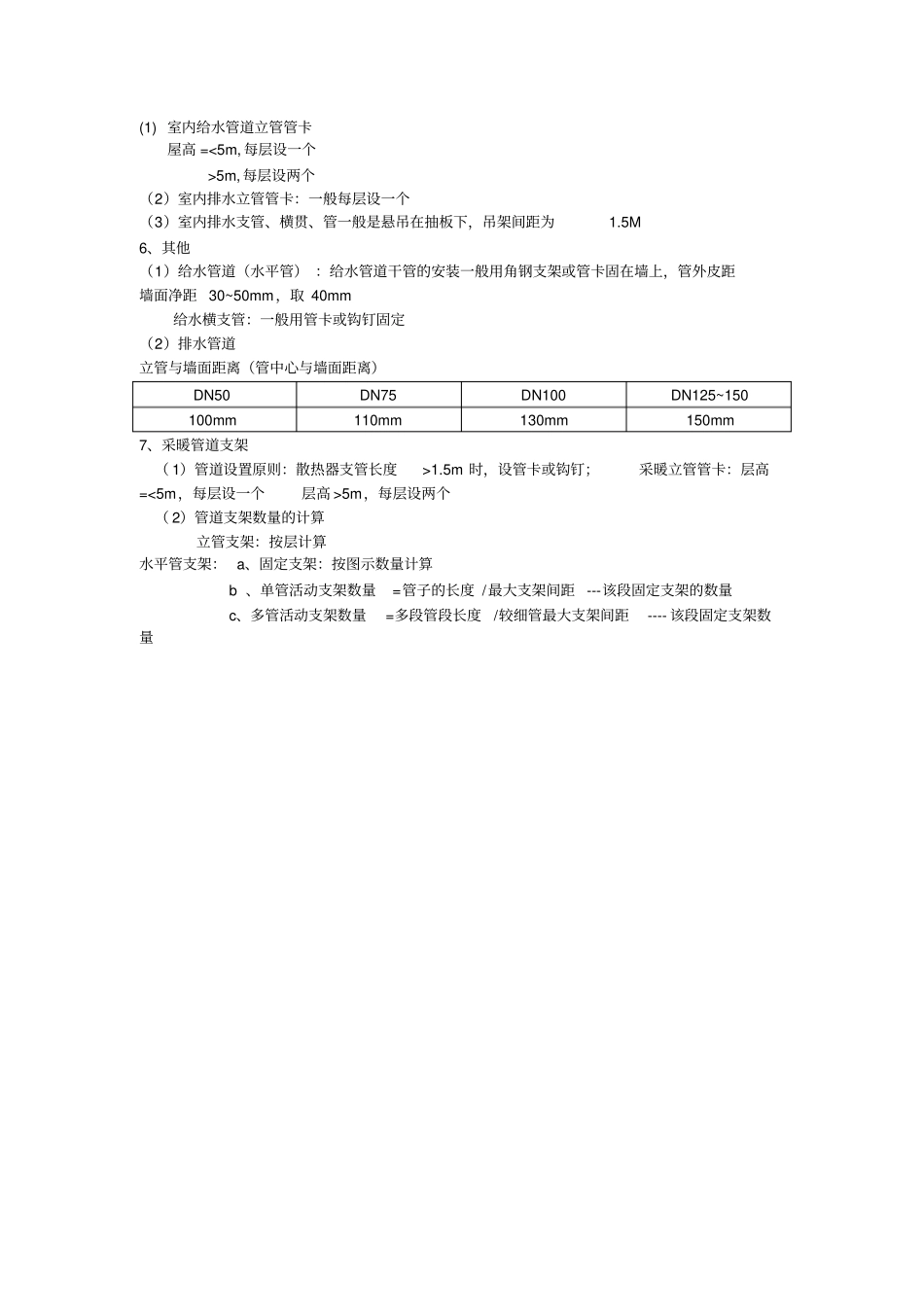
管道支架工程量计算(规范)1、水平钢管支架最大间距(水平干管)管径不保温(m)保温(m)DN152.51.5DN2032DN253.52DN3242.5DN4053DN5053DN7064DN8064DN1006.54.5DN12575注:具体数量的计算根据实际情况排列,穿墙时应算一个支点2、沿墙安装的单管托架管径保温管支架(kg/个)不保温管支架(kg/个)DN152.422.09DN202.422.09DN252.492.15DN322.492.15DN402.552.35DN502.752.35DN703.172.85DN803.412.93DN1003.413.09DN1255.144.36DN1505.474.733、给水管道的钩钉支架DN400.19DN500.33DN700.394、固定与砖墙上的单管管卡管径重量(KG)DN150.12DN200.12DN250.13DN320.14DN400.15DN500.33DN700.33DN800.43DN1000.49DN1250.57DN1500.785、管卡设置要求.(1)室内给水管道立管管卡屋高=<5m,每层设一个>5m,每层设两个(2)室内排水立管管卡:一般每层设一个(3)室内排水支管、横贯、管一般是悬吊在抽板下,吊架间距为1.5M6、其他(1)给水管道(水平管):给水管道干管的安装一般用角钢支架或管卡固在墙上,管外皮距墙面净距30~50mm,取40mm给水横支管:一般用管卡或钩钉固定(2)排水管道立管与墙面距离(管中心与墙面距离)DN50DN75DN100DN125~150100mm110mm130mm150mm7、采暖管道支架(1)管道设置原则:散热器支管长度>1.5m时,设管卡或钩钉;采暖立管管卡:层高=<5m,每层设一个层高>5m,每层设两个(2)管道支架数量的计算立管支架:按层计算水平管支架:a、固定支架:按图示数量计算b、单管活动支架数量=管子的长度/最大支架间距---该段固定支架的数量c、多管活动支架数量=多段管段长度/较细管最大支架间距----该段固定支架数量

1、当您付费下载文档后,您只拥有了使用权限,并不意味着购买了版权,文档只能用于自身使用,不得用于其他商业用途(如 [转卖]进行直接盈利或[编辑后售卖]进行间接盈利)。
2、本站所有内容均由合作方或网友上传,本站不对文档的完整性、权威性及其观点立场正确性做任何保证或承诺!文档内容仅供研究参考,付费前请自行鉴别。
3、如文档内容存在违规,或者侵犯商业秘密、侵犯著作权等,请点击“违规举报”。

碎片内容

管道支架工程量计算

您可能关注的文档

文库响当当+ 关注
实名认证
内容提供者

该用户很懒,什么也没介绍

确认删除?
VIP
微信客服
  • 扫码咨询
会员Q群
  • 会员专属群点击这里加入QQ群
客服邮箱
回到顶部