电脑桌面
添加小米粒文库到电脑桌面
安装后可以在桌面快捷访问

绿化工程技术标范本60VIP免费

绿化工程技术标范本60_第1页
1/50
绿化工程技术标范本60_第2页
2/50
绿化工程技术标范本60_第3页
3/50
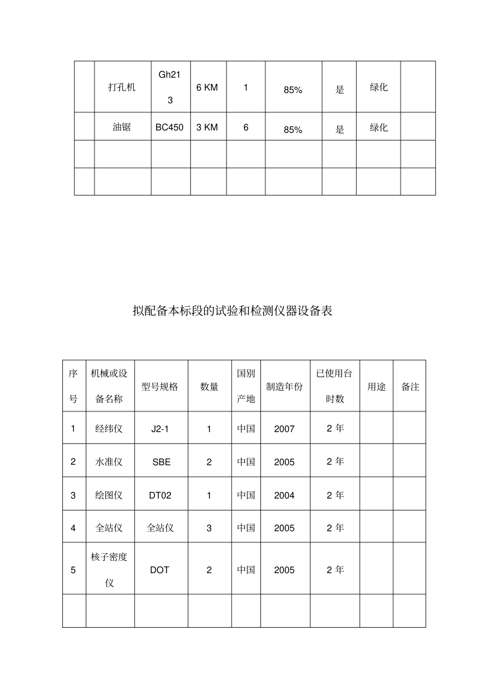
正本工程施工招标投标文件项目编号:项目名称:投标文件内容:投标文件技术标投标人:法定代表人或其委托代理人:日期:2011年12月24日附表四拟投入本工程的主要施工机械表序号机械设备种类型号规格额定功率数量新旧程度是否自有用于施工部位备注挖掘机CAT370C370KW185%是整地起重机CAT370C370KW180%是起重洒水车东风Q1108G6DJ119KW880%是绿化高枝剪gh21354KM380%是修剪绿篱机HT2603KW680%是绿化割灌机BC4505KM480%是绿化水泵Honda3008KM885%是绿化割草机Gh2135KM285%是绿化疏草机Ssh2005KM185%是绿化打孔机Gh2136KM185%是绿化油锯BC4503KM685%是绿化拟配备本标段的试验和检测仪器设备表序号机械或设备名称型号规格数量国别产地制造年份已使用台时数用途备注1经纬仪J2-11中国20072年2水准仪SBE2中国20052年3绘图仪DT021中国20042年4全站仪全站仪3中国20052年5核子密度仪DOT2中国20052年三、施工组织设计目录(1)各分部分项工程的主要施工方案与技术措施;(2)确保工程质量管理体系与措施;(3)确保安全生产、文明施工管理体系与措施;(4)工程进度计划与措施及施工网络图;(5)确保工程进度计划及技术组织措施(附施工进度表或工期网络图);(6)资源配备计划:①工程投入的主要物资(材料)情况描述及进场计划(附拟投入的主要施工机械设备表);②工程投入的主要施工机械设备情况、主要施工机械进场计划;③劳动力安排计划及劳动力计划表;(7)施工总平面图、各层主材堆放图及临时用地表;(8)有必要说明的其他内容。一、各分部分项工程的主要施工方案与技术措施施工顺序:施工准备(施工现场准备、机械准备、材料准备、劳动力组织计划准备、技术准备)→工程测量→整理地形→部分苗木栽植→安装工程(喷灌系统、洒水系统施工)→土建施工(包括铺装、园路、驳岸、园林景观装饰等)→苗木栽植→地形细整→播种草坪→竣工清理(完成零星工程收尾,现场清理,施工档案整理、组织准备验收工作等)本工程各分项工程包括生态绿地、水生植物、修整改造河流驳岸、敷设栈道(含桥梁)、配套建筑物、基础管网、停车场等市政及配套服务设施工程。第一节、土方施工(一)施工准备1、熟悉本工程(施工竖向图,向施工人员进行技术交底。研究制定现场场地平整、渣土清运、种植土回填方案,绘制施工总平面布置图和土方调运计划,提出需用施工机具、劳力计划。2、查勘道路、临近建筑物及地下隐蔽设施情况。3、清除现场障碍物、砍伐树木、挖除树根,做好开工准备。4、做好临时排水设施。5、设置测量控制网。6、准备施工机具(1)挖土机械:推土机2台、装载机2台、挖掘机3台、铲运机4台、自卸车6辆、运输车4辆。(2)铁锨30把,手推车15辆,小白线,钢卷尺两把,水准仪两台,木桩若干。(二)操作工艺1、按设计及施工要求、范围和标高平整场地,将土方弃倒规定弃土区;对能够再利用的表土单独进行保存处理;凡在施工区域内,影响工程质量的渣土、垃圾、树根以及不宜作回填土的建筑垃圾等进行全部挖除并进行妥善处理。2、定点放线、设置测量控制网:在清理完后的场地上按照设计图纸用水准仪、经纬仪进行定点放线,确定施工范围及挖填土方的标高及控制网。3、大块面积用推土机、装载机分段清挖回填,小块面积及机械不能到达的地方由人工挖运,并用自卸车运到指定地点。4、用装载车机械现场倒运土壤并配合人工平整,平整完后,机械碾压,轮迹相互搭接,保证1%的排水坡度,并结合浇水进行沉实,达到设计标高。5、回填种植土:种植土为松散的、具有透水作用并含有有机质的土壤,且无有害物质以及大于25mm的石块、棍棒、垃圾等。回填要达到要求厚度,并符合施工图纸的要求。回填前确定好土方机械、车辆的行走路线,并事先进行检查,必要时进行加固加宽等准备工作,同时编好施工方案。施工时对定位标准桩以及标准水准点要防止碰撞,并定期复测检查这些标准桩点是否正确。回填时一次到位,合理安排好机械,对机械填充不到位的要配合人工推土填充。雨季施工的填方工程,要连续进行并尽快完成;工作面不宜过大,要分层分段逐片进行;雨季施工时根据雨季施工措施方案进行施工。回填完土,严格按照设计要求进行地形整理。(三...

1、当您付费下载文档后,您只拥有了使用权限,并不意味着购买了版权,文档只能用于自身使用,不得用于其他商业用途(如 [转卖]进行直接盈利或[编辑后售卖]进行间接盈利)。
2、本站所有内容均由合作方或网友上传,本站不对文档的完整性、权威性及其观点立场正确性做任何保证或承诺!文档内容仅供研究参考,付费前请自行鉴别。
3、如文档内容存在违规,或者侵犯商业秘密、侵犯著作权等,请点击“违规举报”。

碎片内容

绿化工程技术标范本60

确认删除?
VIP
微信客服
  • 扫码咨询
会员Q群
  • 会员专属群点击这里加入QQ群
客服邮箱
回到顶部