电脑桌面
添加小米粒文库到电脑桌面
安装后可以在桌面快捷访问

危险废物年度管理计划VIP免费

危险废物年度管理计划_第1页
1/14
危险废物年度管理计划_第2页
2/14
危险废物年度管理计划_第3页
3/14
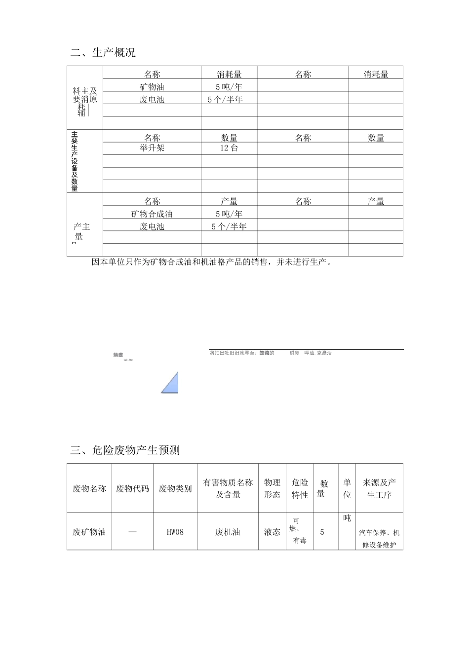
危险废物管理计划表制定单位(盖章):海南丰众华长安汽车销售有限公司制定日期:2017年1月1日计划期限:2017年1月1日至2017年12月31日、单位概况灯人煜责別负扰或艮关潘万31X资投总万O2额售销品产积面地占234部从X人系联乍乍车无单位业绩经要主司公本发展规划O置的善妥废险危保确转和rm」9。管平的。少务废减服险染的危污后高的售提生与,产前面所售方修高修维提维车步车汽点高进祀提123上年度管理计划执行情况总结卸善宀口现年处家上和国维條车辆进厂保养二、生产概况料主及要消原名称消耗量名称消耗量矿物油5吨/年废电池5个/半年耗辅主要生产设备及数量名称数量名称数量举升架12台名称产量名称产量产主矿物合成油5吨/年废电池5个/半年量品因本单位只作为矿物合成油和机油格产品的销售,并未进行生产。將抽出吐旧汨戏寻至:二司蛙査的临时废矿呷油.克矗活三、危险废物产生预测废物名称废物代码废物类别有害物质名称及含量物理形态危险特性数量单位来源及产生工序废矿物油—HW08废机油液态可燃、有毒5吨汽车保养、机修设备维护产生工序主要生产工艺流程图及工艺说明车辆回厂保更换新机油、机油格废机废电池—HW49废电池固态可燃、有毒50个汽车保养、机修设备维护车辆行驶至公里产生废机油、机油四、企业自建危险废物污染治理设施概况危险废物贮存设施贮存设施名称废油收集桶贮存设施位置废油回收处最大贮存能力550升(面积或容积)贮存容器数量及规格1个183升贮存计划每月1次,时间为每月的1日至31日。贮存设施位置图及现状照片危险废物标识设置情况在废机油回收处墙上张贴危险废物标识贮存设施存在问题及整改计划无注:以上表格可复制,有多个贮存设施应分别填写。危险废物利用处置设施利用处置设施名称无利用处置设施位置(附图及照片)无总投资无设计运行能力无设计使用年限无投入运行时间无上年度处置(利用)量无主要设备及数量无处置(利用)危险废物的名称无处置(利用)效果无污染治理达标情况无利用处置计划无利用处置工艺无存在问题及改进措施无注:以上表格可复制,有多个利用处置设施应分别填写。五、危险废物管理体系管理部门及人员部rm」9管1人筝人泸责负置1处歳度贮设责职作工部务月明文张宁蔡部行乍乍车坚文黄帐台移转危责负规章制度度制rm」9管任责度位制岗帐台rm」9管度训培意措口无■有口无■有口无■有口无■有口无■有管理组织图六、减少危险废物产生量和危害性减少废物产生量A7吨/|\量油机废吨O吨5量总吨O吨5抹低叵减少废物危害性散废装扩理的的管格油和合戒合按、、、123艺働采利制断合防不综染减少废物产生量和危害性的措施合理按时地回收废机油,及时进行转移和清理七、危险废物分类管理与转移计划分类收集0物废业废险作险危全危照安-丄"、,\^/nrum一一分现理管和分类贮存改要主0类°施分染甌体洗标问固外火、和入防犬M卄崔置。O哄施加艇故类明间靖间棚明问分较时如空雨边。现物比理為储防周识发亂欝竝设禁aomll唏危类转过gj而乂ft泄畳明n”活博一子.!科从兄.!其理M分物贮设防防防设定管堆氣-二三耳耳六匕善收分类运输分析危险废物分类运输的现状、问题及改进措施。委夕妇置单位筛选分析筛选利用或处置本单位产生的危险废物的有资质单位的筛选原则、过程及内部管理制度。转移计划废物名称废物类别废物代码拟转移批次数量单位接收单位名称许可证号废矿物油HW08—吨海南万拓废矿物油回收有限公司S60100006废电池海口保时达物资再生利用有限公司、丿经营许可证制度物许、置废营集处险经站孤将给饷禾否托证莅是委可贮废审靳m认是许确转移审批制度是门物部废保险环危过移经准转否批口否■是口否■是口否■是转移联单制度否是单识别标志制度t>的石识彩物是物、废爪废洱险!1险期危「危志集置甌置标收处设设别器设别容否识的是物物物废废装险险包危志危和置标口否■是口否■是口否■是申报登记制度呢物否是环境影响评价制度和a二同时”制度同三口否■是0000未执行的管理制度或执行不完善的整改计划和措施九.危险废物事故防范措施和应急预案(附事故应急预案)危险废物管理计划登记内容说明一、单位概况单位名称:是指单位法人登记或者工商行政主管部门核准的名...

1、当您付费下载文档后,您只拥有了使用权限,并不意味着购买了版权,文档只能用于自身使用,不得用于其他商业用途(如 [转卖]进行直接盈利或[编辑后售卖]进行间接盈利)。
2、本站所有内容均由合作方或网友上传,本站不对文档的完整性、权威性及其观点立场正确性做任何保证或承诺!文档内容仅供研究参考,付费前请自行鉴别。
3、如文档内容存在违规,或者侵犯商业秘密、侵犯著作权等,请点击“违规举报”。

碎片内容

危险废物年度管理计划

wxg+ 关注
实名认证
内容提供者

该用户很懒,什么也没介绍

确认删除?
VIP
微信客服
  • 扫码咨询
会员Q群
  • 会员专属群点击这里加入QQ群
客服邮箱
回到顶部