电脑桌面
添加小米粒文库到电脑桌面
安装后可以在桌面快捷访问

舟山科来华红星美凯龙国际家居广场建设项目管理VIP免费

舟山科来华红星美凯龙国际家居广场建设项目管理_第1页
1/9
舟山科来华红星美凯龙国际家居广场建设项目管理_第2页
2/9
舟山科来华红星美凯龙国际家居广场建设项目管理_第3页
3/9
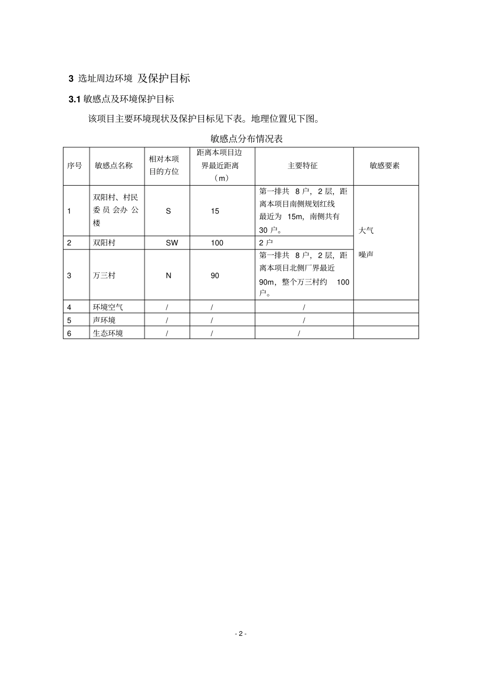
-1-舟山科来华(红星美凯龙)国际家居广场建设项目环境影响报告书简要本1项目概况1.1项目由来目前,舟山的建材家居市场存在着小、散、乱、品味低、服务质量差等弊端,难以跟上市场发展的步伐,更难以适应时代发展的需要。为此,在舟山建设一个大型的、服务一流的、品牌优势明显的建材家居市场势在必行。矚慫润厲钐瘗睞枥庑赖。项目建成后是舟山最大、品牌优势显著的建材家居市场,能较快地吸纳舟山地区及舟山周边建材家居经营者前来本市场入驻经营,达到有效地整合舟山建材家居市场的目的。聞創沟燴鐺險爱氇谴净。1.2建设地点本项目位于舟山市临城新区舟山船用商品交易市场原规划红线内,北侧隔海天大道为万三村,东侧为舟山船用商品交易市场一、二期工程,南侧隔河道为双阳村村民居住区,规划为船舶交易品市场四期工程,西侧规划为富丽岛路,隔道路现为农田。残骛楼諍锩瀨濟溆塹籟。1.3建设性质新建。2工程内容及污染因素分析舟山科来华(红星美凯龙)建材家居广场位于舟山市临城新区舟山船用商品交易市场三期地块,项目占地面积111000㎡,总建筑面积为154099㎡(已包括地下建筑面积16220㎡),设置1幢(4F)红星美凯龙家居广场,21幢家居建材市场及已建2幢仓库,可设置经营公司(或商铺)800个,新增市场经营人数2500人,可接待客流量为400万人次/年。项目建成后年经营收入10亿元,上缴税费2500万元,总投资24879万元。项目营运期需管理人员65人,工作时间为8h,一年300天。酽锕极額閉镇桧猪訣锥。建成后主要污染物为废气、废水、噪声及固废。-2-3选址周边环境及保护目标3.1敏感点及环境保护目标该项目主要环境现状及保护目标见下表。地理位置见下图。敏感点分布情况表序号敏感点名称相对本项目的方位距离本项目边界最近距离(m)主要特征敏感要素1双阳村、村民委员会办公楼S15第一排共8户,2层,距离本项目南侧规划红线最近为15m,南侧共有30户。大气噪声2双阳村SW1002户3万三村N90第一排共8户,2层,距离本项目北侧厂界最近90m,整个万三村约100户。4环境空气///5声环境///6生态环境///-3-图1项目地理位置图建设项目所在地-1-3.2环境质量现状(1)环境空气根据定海城区环境空气的监测结果,评价区域中SO2、NO2、PM10三项指标年均值均达到国家《环境空气质量标准》(GB3095-1996)二级标准限值,说明评价区域环境空气质量良好。彈贸摄尔霁毙攬砖卤庑。(2)声环境项目北侧为海天大道,东侧为船配交易品市场一、二期,主要噪声源为海天大道交通噪声。根据环境噪声监测结果分析,项目北侧噪声值偏高,超《声环境质量标准》(GB3096-2008)4类区标准5.9dB,其余各侧现状背景噪声昼间均达标;北侧万三村现状背景噪声昼间达《声环境质量标准》(GB3096-2008)4类区标准,南侧双阳村现状背景噪声昼间达3类标准。謀荞抟箧飆鐸怼类蒋薔。(3)地表水环境项目北侧荷花浦河氨氮及总磷均超《地表水环境质量标准》(GB3838-2002)Ⅲ类标准,其余均达标,水质综合评价结果为劣Ⅴ类,未达到功能区水质保护目标。厦礴恳蹒骈時盡继價骚。(4)生态环境项目位于舟山市临城新区,地块原为农田及荒地,属于农业生态系统,生态系统较为简单。4环境影响预测主要结论4.1环境影响分析结论(1)生态环境影响因项目所在地目前生态系统简单,主要为挖、填土方引起的水土流失,项目建成后作好生态绿化工作。因此项目建成前后对生态环境影响不大。茕桢广鳓鯡选块网羈泪。(2)声环境影响施工期:施工期各种施工机械具有高噪声、无规则的特点,对周围环境影响较大,因此应采用低噪声机械,注意日常维护;沿线100米以内的双阳村、万三村居民居住点,可采取临时护围隔声设施;加强施工人员素质教育,合理安排运输路线等,施工期的影响随施工期的结束而结束。鹅娅尽損鹌惨歷茏鴛賴。-2-营运期:根据预测结果,项目营运期各声源噪声对北侧厂界的贡献值昼间达《社会生活环境噪声排放标准》(GB22337-2008)4类区标准,其余各侧厂界昼间均达3类区标准。项目营运期各声源噪声对北侧万三村村民居住敏感点的贡献值昼间达到《声环境质量标准》(GB3096-2008)4a类区标准,对南侧双阳村的贡献值昼间达到《声环境质量标准...

1、当您付费下载文档后,您只拥有了使用权限,并不意味着购买了版权,文档只能用于自身使用,不得用于其他商业用途(如 [转卖]进行直接盈利或[编辑后售卖]进行间接盈利)。
2、本站所有内容均由合作方或网友上传,本站不对文档的完整性、权威性及其观点立场正确性做任何保证或承诺!文档内容仅供研究参考,付费前请自行鉴别。
3、如文档内容存在违规,或者侵犯商业秘密、侵犯著作权等,请点击“违规举报”。

碎片内容

舟山科来华红星美凯龙国际家居广场建设项目管理

您可能关注的文档

确认删除?
VIP
微信客服
  • 扫码咨询
会员Q群
  • 会员专属群点击这里加入QQ群
客服邮箱
回到顶部