电脑桌面
添加小米粒文库到电脑桌面
安装后可以在桌面快捷访问

装配式钢筋混凝土简支T形梁桥课程设计VIP免费

装配式钢筋混凝土简支T形梁桥课程设计_第1页
1/22
装配式钢筋混凝土简支T形梁桥课程设计_第2页
2/22
装配式钢筋混凝土简支T形梁桥课程设计_第3页
3/22
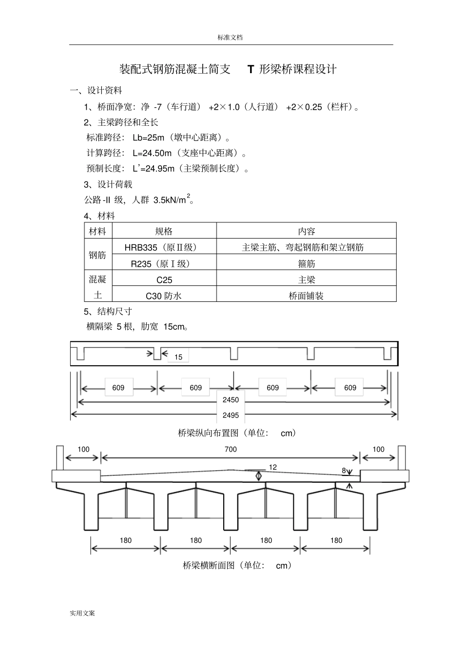
标准文档实用文案装配式钢筋混凝土简支T形梁桥课程设计一、设计资料1、桥面净宽:净-7(车行道)+2×1.0(人行道)+2×0.25(栏杆)。2、主梁跨径和全长标准跨径:Lb=25m(墩中心距离)。计算跨径:L=24.50m(支座中心距离)。预制长度:L’=24.95m(主梁预制长度)。3、设计荷载公路-II级,人群3.5kN/m2。4、材料材料规格内容钢筋HRB335(原Ⅱ级)主梁主筋、弯起钢筋和架立钢筋R235(原Ⅰ级)箍筋混凝土C25主梁C30防水桥面铺装5、结构尺寸横隔梁5根,肋宽15cm。桥梁纵向布置图(单位:cm)桥梁横断面图(单位:cm)1524952450609609609609180180180180100100700128标准文档实用文案T型梁尺寸图(单位:cm)6、计算方法极限状态法7、设计依据(1)《公路桥涵设计通用规范》(JTG–D60-2004)。(2)《公路桥涵钢筋混凝土和预应力混凝土桥涵设计规范》(JTG–D60-2004)。二、行车道板的计算(一)计算模式行车道板按照两端固定中间铰接的板来计算(二)荷载及其效应1.每延米板上的恒载个g桥面铺装:mkNg/4.2240.11.01T梁翼缘板自重:mkNg/75.2250.111.02每延米跨宽板恒载合计:mkNggg/15.575.24.2212.永久荷载产生的效应弯矩:kNmglMsg65.1)22.08.1(15.52121220剪力:kNglQsg12.4)22.08.1(15.503.可变荷载产生的效应以重车后轮作用于绞缝轴线上为最不利布置,此时两边的悬臂板各承受一半的车轮荷载根据《公路桥涵设计通用规范》4.3.1条后轮着地宽度2b及长度2a为:ma2.02mb6.02顺行车方向轮压分布宽度:mHaa4.01.022.0221垂直行车方向轮压分布宽度:mHbb8.01.026.022118014012081420标准文档实用文案荷载作用于悬臂根部的有效分布宽度:mlaa4.38.024.14.024.101单轮时:mlaa0.28.024.02'01根据《公路桥涵设计通用规范》4.3.2条,局部加载冲击系数:3.11作用于每米宽板条上的弯矩为:mkNblaPMsp/06.16)48.08.0(4.342803.1)4(4)1(10单个车轮时:mkNblaPMsp/65.13)48.08.0(0.241403.1)4('4)1('10取最大值:mkNMsp/06.16作用于每米宽板条上的剪力为:kNaPQsp76.264.342803.14)1(4.基本组合根据《公路桥涵设计通用规范》4.1.6条恒+汽:mkNMMspsg/46.24)06.16(4.1)65.1(2.14.12.1kNQQspsg41.4276.264.112.42.14.12.1故行车道板的设计作用效应为:mkNMsj/46.24kNQsj41.42(三)截面设计、配筋与强度验算1.界面设计与配筋悬臂板根部高度14hcm,净保护层2acm。若选用12钢筋,则有效高度0h为:00.0140.140.020.11322dhham根据《公路桥涵钢筋混凝土和预应力混凝土桥涵设计规范》5.2.2条:00()2dcdxMfbxh324.4611.5101.0(0.113)2xx化简:20.2260.004250xx解得:0.0205xm标准文档实用文案验算:00.560.1130.06330.0205bhmxm根据《公路桥涵钢筋混凝土和预应力混凝土桥涵设计规范》5.2.2条:sdscdfAfbx42211.51.00.02058.42108.42280sAmcm需要的间距为:100/(8.42/1.131)13.4scm,取13scm此时21001.1318.713sAcm即桥面板布置间距为13cm的12钢筋根据《公路桥涵钢筋混凝土和预应力混凝土桥涵设计规范》5.2.9条,抗剪截面应符合:30,00.5110dcukVfbh30.5110251000113288.1542.41dkNVkN满足规范要求根据《公路桥涵钢筋混凝土和预应力混凝土桥涵设计规范》5.2.10条30200.5010dtdVfbh30.50101.01.23100011369.542.41dkNVkN故不需要进行斜截面抗剪承载力计算,仅按构造要求配置箍筋。板内分布钢筋用8,间距取25cm。2.承载能力验算由sdscdfAfbx可得:/()2800.00087/(11.51.0)0.0211sdscdxfAfbm03()20.021111.5101.00.0211(0.113)24.8624.46/2dcdAxMfbxhkNmMkNm承载能力满足要求三、主梁的计算(一)主梁的荷载横向分布系数1.跨中弯矩横向分布系数(根据偏心受压法计算,考虑主梁抗扭刚度修正)(1)主梁的抗弯惯矩I及抗扭惯矩TI标准文档实用文案平均板厚:01(814)112hcm主梁截面的重心距顶缘距离xa:cmax1.452014011)20180(21402014021111)20180(424232310087070.99087070)1.452140(1402014020121)2111.45(1116011160121mcmIT形截面抗扭惯矩近似等于各个矩形截面抗扭惯矩之和:顶板:4.1611.0/8.1/11tb,查表得333.01a腹板:45.62.0/)11.04.1(/22tb,查表得301.02a3331090.32.029.1301.011.08.1333.0TI(2)抗扭修正系数...

1、当您付费下载文档后,您只拥有了使用权限,并不意味着购买了版权,文档只能用于自身使用,不得用于其他商业用途(如 [转卖]进行直接盈利或[编辑后售卖]进行间接盈利)。
2、本站所有内容均由合作方或网友上传,本站不对文档的完整性、权威性及其观点立场正确性做任何保证或承诺!文档内容仅供研究参考,付费前请自行鉴别。
3、如文档内容存在违规,或者侵犯商业秘密、侵犯著作权等,请点击“违规举报”。

碎片内容

装配式钢筋混凝土简支T形梁桥课程设计

您可能关注的文档

确认删除?
VIP
微信客服
  • 扫码咨询
会员Q群
  • 会员专属群点击这里加入QQ群
客服邮箱
回到顶部