电脑桌面
添加小米粒文库到电脑桌面
安装后可以在桌面快捷访问

货物服务需求一览表VIP免费

货物服务需求一览表_第1页
1/5
货物服务需求一览表_第2页
2/5
货物服务需求一览表_第3页
3/5
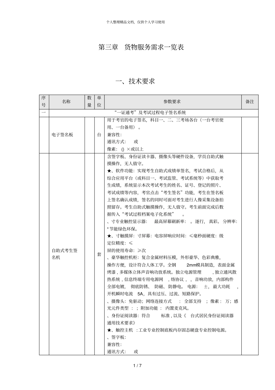
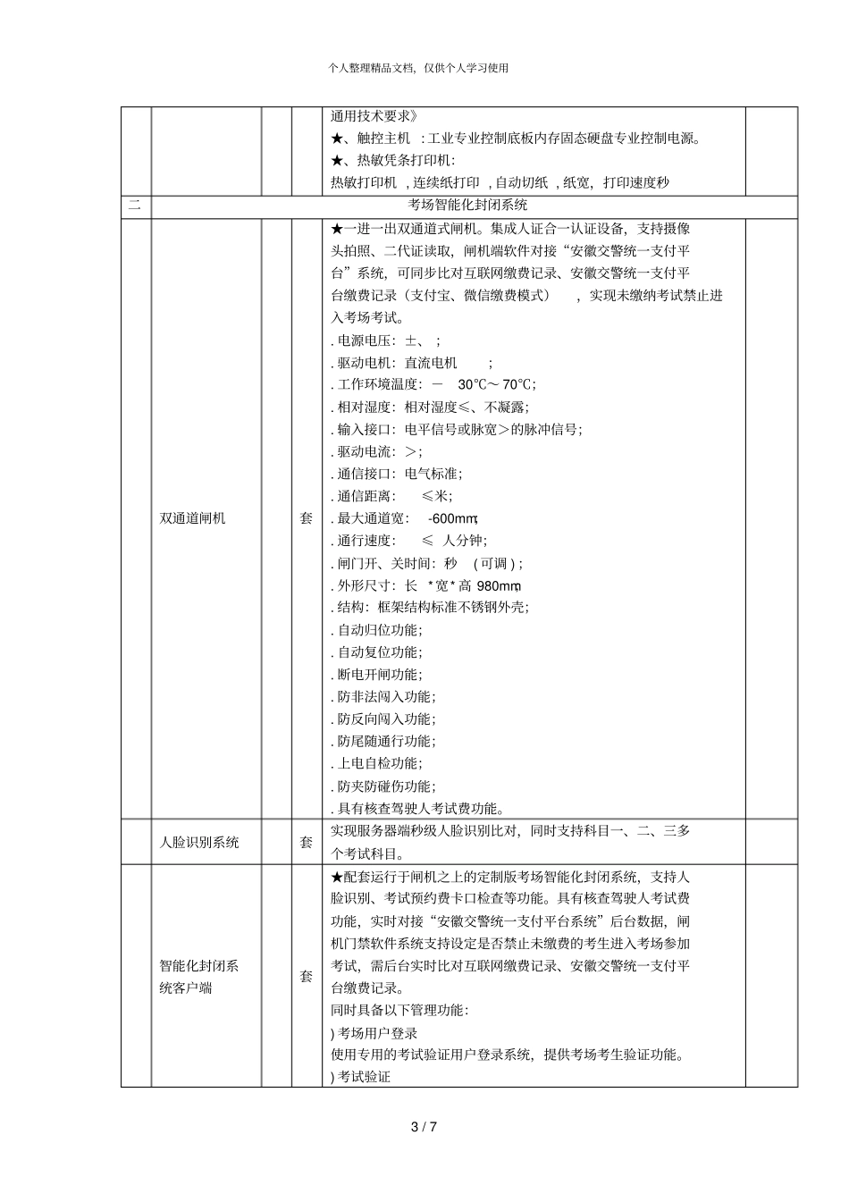
个人整理精品文档,仅供个人学习使用1/7第三章货物服务需求一览表一、技术要求序号名称数量单位参数要求备注一“一证通考”及考试过程电子签名系统电子签名板台用于考官的电子签名,科目一、二、三考场各台(一台考官使用、一台备用)。兼容性:通讯方式:或像素:()×或以上自助式考生签名机套含签字板、身份证读卡器、摄像头等硬件设备,学员自助式触摸操作,无人值守。★、软件功能:实现考生自助式成绩单签名,考试合格后,从综合应用平台(或科目一、考试监管、考试系统等)中获取考生成绩,系统显示本次考试考生的姓名、证号、登记的照片、考试成绩等内容,考官点击“考生签名”功能,考生在签名板上签名确认成绩,签名的同时可面对考生进行人像采集设备拍照留存。考生自助式触摸操作,无人值守。考生前面完成后数据传入“考试过程档案电子化系统”。、寸专业触控显示器:最高屏幕刷新率:。逐行,真彩。分辨率:*节能绿色环保。★、寸触摸屏:寸屏幕:电容屏响应时间:≤毫秒面硬度:级定位精度:≤屏的使用寿命:≥次、豪华触控机柜:复合金属材料压模,外形豪华、色彩典雅,操作方便,设计符合人体工学。全钢2mm模具制造,表面金属烤漆,多媒体立体声音响功放系统。独立电源管理,独立通风散热系统,信息终端专用电源网,络协议,,音响功放,内部构件全部电镀,彻底防锈、防磁、防静电。电源:±,最大功耗,开机瞬时电流5A,具有过压、过流、短路保护。、摄像头:免驱动;网络连接方式:全部支持;像素:万;感光元件类型:;附加功能:内置麦克风。、身份证阅读器:符合标准,以及《台式居民身份证阅读器通用技术要求》★、触控主机:工业专业控制底板内存固态硬盘专业控制电源。、签字板:兼容性:通讯方式:或个人整理精品文档,仅供个人学习使用2/7像素:()×或以上考官电子签名软件套用于考官电子签名,考生补签名。★、考官在一场考试全部结束后,通过考生验证和签名系统查看今日考试明细记录,确认无误后,一次性对本次考试的所有考生已签名成绩单进行批量签名。可根据自身实际设定考官在考试完成后统一签名,还是在每日开考前签名。、考试成绩补签名对于考官因特殊情况未能对某次考试结果进行签名时,提供补签名功能。考生电子签名软件套运行考生电子签名的软件系统。★、考生成绩签名考生在考试完成后,携带个人身份证件进入考试成绩签名流程。考场刷考生二代身份证后,自动获取考试成绩结果并告知考生,考生现场对考试成绩进行电子签名,一次签名完成对本次预约考试的初考和补考的两次签名。、考试资料归档车管所在学员所有科目全部考试合格后,由考生或驾校携带考生身份证明复印件、体检表来制作驾驶证,在制证之前,通过“考试过程档案电子化系统”核查各考试科目的成绩单和缴费记录,对于已考试合格未电子签名的考试记录,可由考生现场补签名。使用“考试过程档案电子化系统”打印各考试科目成绩单后,制作考生驾驶证,将身份证明复印件、体检表、各科目成绩单和考生申请表整理存档。考试费自助缴纳机台★自助缴纳考试费,支持多科目、多批次批量缴费,不允许使用现金、银行卡等方式。、与“安徽交警统一支付平台”系统无缝对接,仅使用“支付宝”、“皖警网通”和“微信”扫码支付当日考试费,款项和支付结果数据实时达到省财政,六合一平台同步接口写入考试费数据,机器上生成的每笔订单均要求可以在统一支付平台中查询,支付成功的订单可以在统一支付平台系统上打印财政票据。、寸专业触控显示器:最高屏幕刷新率:。逐行,真彩。分辨率:*节能绿色环保。★、寸触摸屏:寸屏幕:电容屏响应时间:≤毫秒面硬度:级定位精度:≤屏的使用寿命:≥次、豪华触控机柜:复合金属材料压模,外形豪华、色彩典雅,操作方便,设计符合人体工学。全钢2mm模具制造,表面金属烤漆,多媒体立体声音响功放系统。独立电源管理,独立通风散热系统,信息终端专用电源网络协议,,音响功放,内部构件全部电镀,彻底防锈、防磁、防静电。电源:±,最大功耗,开机瞬时电流5A,具有过压、过流、短路保护。、摄像头:免驱动;网络连接方式:全部支持;像素:万;感光元件类型:;附加功能:内置麦...

1、当您付费下载文档后,您只拥有了使用权限,并不意味着购买了版权,文档只能用于自身使用,不得用于其他商业用途(如 [转卖]进行直接盈利或[编辑后售卖]进行间接盈利)。
2、本站所有内容均由合作方或网友上传,本站不对文档的完整性、权威性及其观点立场正确性做任何保证或承诺!文档内容仅供研究参考,付费前请自行鉴别。
3、如文档内容存在违规,或者侵犯商业秘密、侵犯著作权等,请点击“违规举报”。

碎片内容

货物服务需求一览表

确认删除?
VIP
微信客服
  • 扫码咨询
会员Q群
  • 会员专属群点击这里加入QQ群
客服邮箱
回到顶部