电脑桌面
添加小米粒文库到电脑桌面
安装后可以在桌面快捷访问

喷射混凝土施工方案 VIP免费

喷射混凝土施工方案 _第1页
1/14
喷射混凝土施工方案 _第2页
2/14
喷射混凝土施工方案 _第3页
3/14
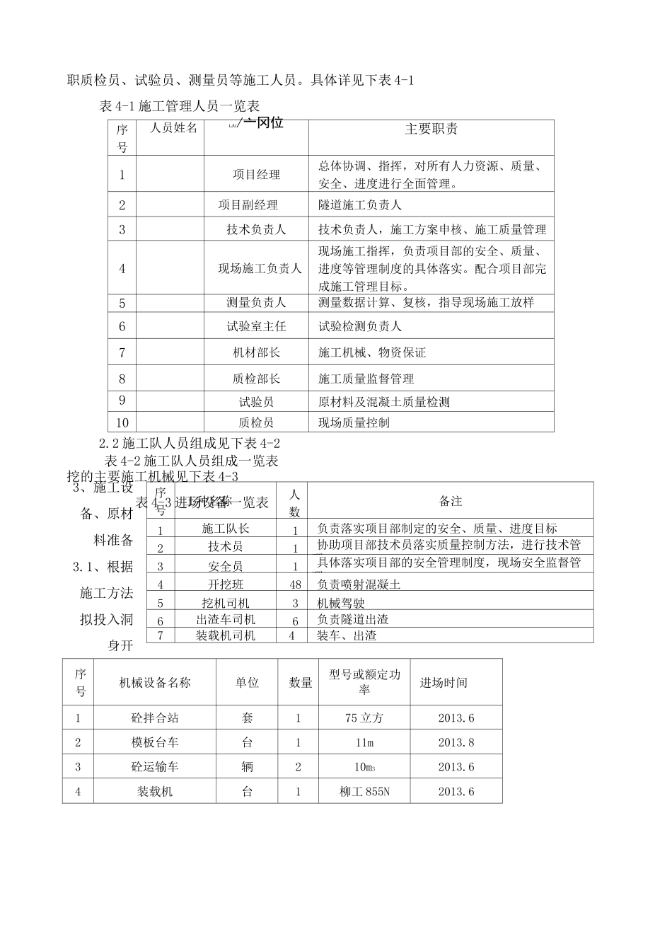
隧道喷射混凝土施工方案一、工程概况两间房--隧道位于河北省承德市隆化县太平庄乡两间房村境内,进口位于承德市隆化县太平庄乡两间房村,出口位于隆化县太平庄乡套鹿沟村,设计为小净距隧道,洞室净空2-10.75*5m,起讫桩号左线ZK60+510-ZK60+984,长474m,我部拟选取两间房1#隧道出口左洞喷射混凝土施工作为隧道喷射混凝土施工首件工程。二、工程地质条件1、地形、地貌隧道所在区域一级大地构造为中朝准地台,路线穿行二级构造单元燕山台褶带内,穿行的三级构造单元承德拱断束。2、工程地质地层为太古界单塔子群燕窝铺组片麻岩及第四系风积黄土状粉质黏土。3、水文地质勘察期间各钻孔勘查深度范围内未见稳定地下水。地下水对隧道的施工影响较小。三、编制依据1、公路隧道施工技术规范JJF60—2009)2、公路工程质量检验评定标准(JTGF80/1-2004)3、总监办及筹建处有关文件4、张承高速承德段--标施工设计图5、爆破安全规程(GB6722-2003)四、施工准备1、技术准备1.1、组织技术人员学习图纸,掌握设计意图,实际复核设计提供的地形资料,根据现场实际情况编制洞身开挖方案,向技术人员及作业班组进行详细的技术、安全交底。1.2、复核逐桩坐标,复核设计高程,对洞口的导线加密点和水准控制点进行复测。2、人员准备2.1施工管理人员为了保证施工顺利进行,我部配备足够的管理人员、专职安全员、现场工程师,专3、施工设备、原材料准备3.1、根据施工方法拟投入洞身开序号工种名称人数备注1施工队长1负责落实项目部制定的安全、质量、进度目标2技术员1协助项目部技术员落实质量控制方法,进行技术管理3安全员1具体落实项目部的安全管理制度,现场安全监督管理4开挖班48负责喷射混凝土5挖机司机3机械驾驶6出渣车司机6负责隧道出渣7装载机司机4装车、出渣职质检员、试验员、测量员等施工人员。具体详见下表4-1表4-1施工管理人员一览表序号人员姓名LJU/亠冈位主要职责1项目经理总体协调、指挥,对所有人力资源、质量、安全、进度进行全面管理。2项目副经理隧道施工负责人3技术负责人技术负责人,施工方案申核、施工质量管理4现场施工负责人现场施工指挥,负责项目部的安全、质量、进度等管理制度的具体落实。配合项目部完成施工管理目标。5测量负责人测量数据计算、复核,指导现场施工放样6试验室主任试验检测负责人7机材部长施工机械、物资保证8质检部长施工质量监督管理9试验员原材料及混凝土质量检测10质检员现场质量控制2.2施工队人员组成见下表4-2表4-2施工队人员组成一览表挖的主要施工机械见下表4-3表4-3进场设备一览表序号机械设备名称单位数量型号或额定功率进场时间1砼拌合站套175立方2013.62模板台车台111m2013.83砼运输车辆210m32013.64装载机台1柳工855N2013.65挖掘机台2大宇300、小松3752013.66锚杆钻机台1228型2013.67砼湿喷机台1SSP-72013.78空压机组520m32013.79发电机组台1315kw2013.610电焊机台4BX5002013.611钢筋切断机台1耿力GQ402013.712冷弯机台1耿力28型2013.63.2、原材料洞身施工便道及场地修建平整好以后,即在进出口料场储存一定数量的砂石料和钢材、水泥等建筑材料,以免施工时停工待料。用于本洞身开挖的材料如下表:主要施工材料规格表材料名称规格产地水泥P.O42.5承德喜上喜水泥有限责任公司河砂细度模数2.88隆化县小黄旗滦鑫砂场碎石5-10,10-20,16-31.5mm隆化县行远石料公司水可供人饮用的山泉水/外加剂聚羧酸高性能减水剂山西凯迪建材有限公司钢筋①25、①22、①16、①12、©8承德钢铁锚杆①22、①25承德钢铁工字钢I1&I20承德钢铁钢管©108X6mm,©42X3.5mm承德钢铁4、施工现场准备4.1、施工便道4.1计划从原有村路沿主线边修筑便道,便道平均宽度6米,排水设施齐全,采用30cm碎石作基层,振动压路机压实,可以供施工机械设备及材料运输车辆安全通行。4.2、施工及生活用水4.2.在隧道生活区打水井,生活及施工用水直接利用抽水泵从井内抽取,在驻地内修建一个10m3的蓄水池以储备生活用水,在拌和站内修建一个60m3的蓄水池以解决混凝土拌制用水,在左右线隧道洞口各修建一个60m3的蓄水池和30m3的沉淀池以解决隧道⑴施工要求喷射混凝土前,受喷面无松动岩块,墙脚无虚碴堆积。皿曲...

1、当您付费下载文档后,您只拥有了使用权限,并不意味着购买了版权,文档只能用于自身使用,不得用于其他商业用途(如 [转卖]进行直接盈利或[编辑后售卖]进行间接盈利)。
2、本站所有内容均由合作方或网友上传,本站不对文档的完整性、权威性及其观点立场正确性做任何保证或承诺!文档内容仅供研究参考,付费前请自行鉴别。
3、如文档内容存在违规,或者侵犯商业秘密、侵犯著作权等,请点击“违规举报”。

碎片内容

喷射混凝土施工方案

您可能关注的文档

确认删除?
VIP
微信客服
  • 扫码咨询
会员Q群
  • 会员专属群点击这里加入QQ群
客服邮箱
回到顶部