电脑桌面
添加小米粒文库到电脑桌面
安装后可以在桌面快捷访问

路基路面复习资料VIP免费

路基路面复习资料_第1页
1/25
路基路面复习资料_第2页
2/25
路基路面复习资料_第3页
3/25
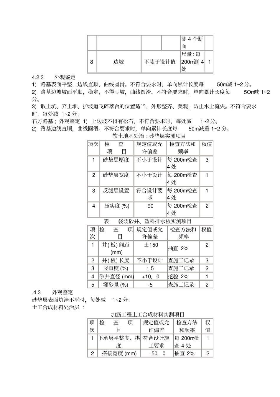
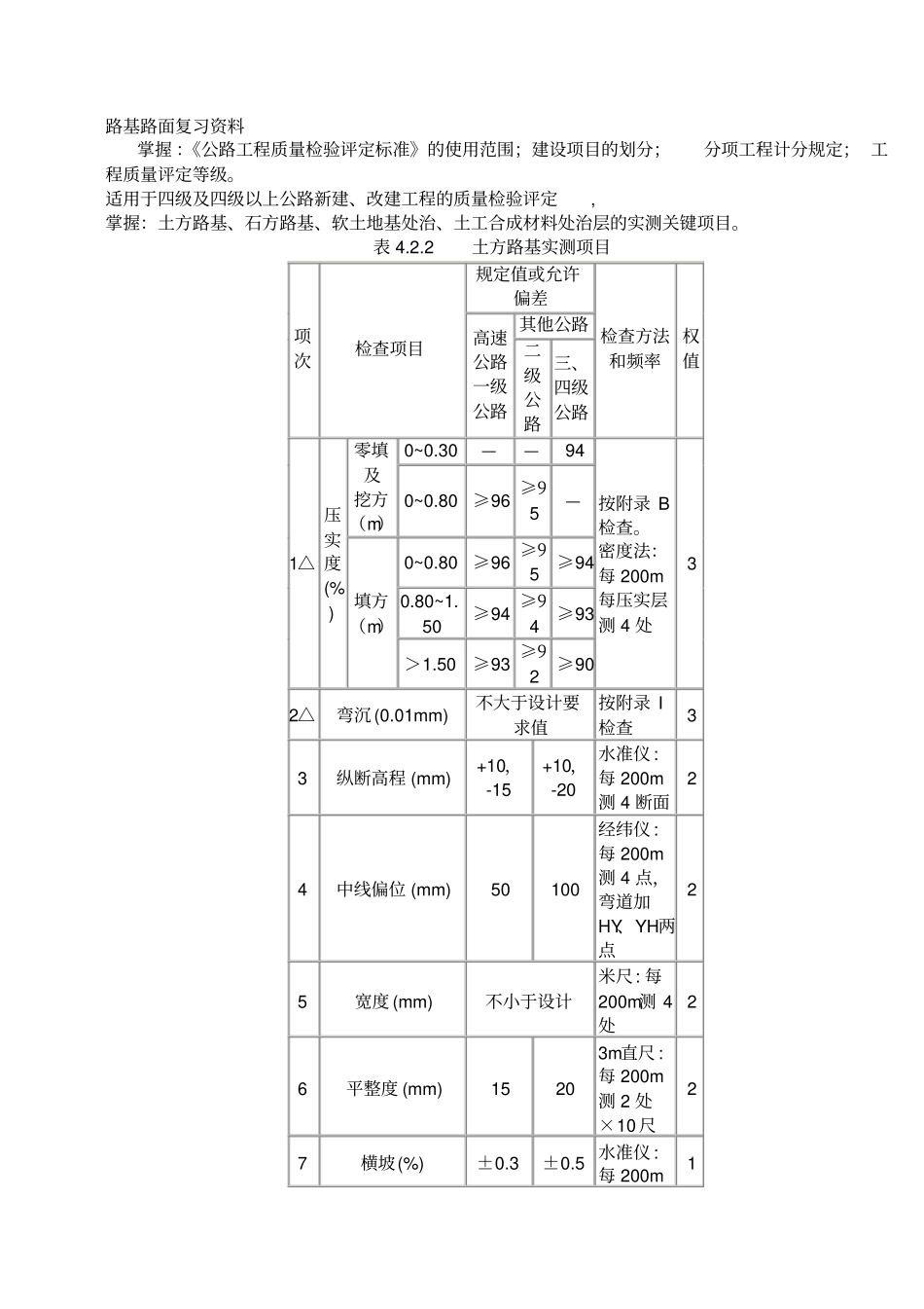
路基路面复习资料掌握:《公路工程质量检验评定标准》的使用范围;建设项目的划分;分项工程计分规定;工程质量评定等级。适用于四级及四级以上公路新建、改建工程的质量检验评定,掌握:土方路基、石方路基、软土地基处治、土工合成材料处治层的实测关键项目。表4.2.2土方路基实测项目项次检查项目规定值或允许偏差检查方法和频率权值高速公路一级公路其他公路二级公路三、四级公路1△压实度(%)零填及挖方(m)0~0.30——94按附录B检查。密度法:每200m每压实层测4处30~0.80≥96≥95—填方(m)0~0.80≥96≥95≥940.80~1.50≥94≥94≥93>1.50≥93≥92≥902△弯沉(0.01mm)不大于设计要求值按附录I检查33纵断高程(mm)+10,-15+10,-20水准仪:每200m测4断面24中线偏位(mm)50100经纬仪:每200m测4点,弯道加HY、YH两点25宽度(mm)不小于设计米尺:每200m测4处26平整度(mm)15203m直尺:每200m测2处×10尺27横坡(%)±0.3±0.5水准仪:每200m1测4个断面8边坡不陡于设计值尺量:每200m测4处14.2.3外观鉴定1)路基表面平整,边线直顺,曲线圆滑。不符合要求时,单向累计长度每50m减1~2分。2)路基边坡坡面平顺,稳定,不得亏坡,曲线圆滑。不符合要求时,单向累计长度每5Om减1~2分。3)取土坑、弃土堆、护坡道飞碎落台的位置适当,外形整齐、美观,防止水土流失。不符合要求时,每处减1~2分。石方路基;外观鉴定1)上边坡不得有松石。不符合要求时,每处减1~2分。2)路基边线直顺,曲线圆滑。不符合要求时,单向累计长度每50m减重1~2分。软土地基处治:砂垫层实测项目项次检查项目规定值或允许偏差检查方法和频率权值1砂垫层厚度不小于设计每200m检查4处32砂垫层宽度不小于设计每200m检查4处13反滤层设置符合设计要求每200m检查4处14压实度(%)90每200m检查4处2表袋装砂井、塑料排水板实测项目项次检查项目规定值或允许偏差检查方法和频率权值1井(板)间距(mm)±150抽查2%22井(板)长度不小于设计查施工记录33竖直度(%)1.5查施工记录24砂井直径(mm)+10,0挖验2%15灌砂量(%)-5查施工记录2.4.3外观鉴定砂垫层表面坑洼不平时,每处减1~2分。土工合成材料处治层:加筋工程土工合成材料实测项目项次检查项目规定值或允许偏差检查方法和频率权值1下承层平整度、拱度符合设计施工要求每200m检查4处12搭接宽度(mm)+50,0抽查2%23搭接缝错开距离(mm)符合设计施工要求抽查2%24锚固长度(mm)符合设计施工要求抽查2%3表隔离工程土工合成材料实测项目项次检查项目规定值或允许偏差检查方法和频率权值1下承层平整度、拱度符合设计施工要求每200m检查4处12搭接宽度(mm)+50,0抽查2%23搭接缝错开距离(mm)符合设计施工要求抽查2%24搭接处透水点不多于1个点每缝3表过滤排水工程土工合成材料实测项目项次检查项目规定值或允许偏差检查方法和频率权值1下承层平整度、拱度符合设计施工要求每200m检查4处12搭接宽度(mm)+50,0抽查2%33搭接缝错开距离(mm)符合设计施工要求抽查2%3表防裂工程土工合成材料实测项目项次检查项目规定值或允许偏差检查方法和频率权值1下承层平整度、拱度符合设计施工要求每200m检查4处12搭接宽度(mm)≥50(横向)≥150(纵向)抽查2%33粘结力(N)≥20抽查2%34.5.3外观鉴定1)土工合成材料重叠、皱折不平顺,每处减1~2分。2)土工合成材料固定处松动,每处减直~2分。掌握:管节预制、管道基础及管节安装、检查(雨水)井砌筑、土沟、浆砌排水沟、盲沟的实测关键项目。管节预制实测项目项次检查项目规定值或允许偏差检查方法和频率权值1△混凝土强度(MPa)在合格标准内按附录D检查32内径(mm)不小于设计尺量:2个断面23壁厚(mm)-3尺量:2个断面24顺直度矢度不大于0.2%管节长沿管节拉线量,取最大矢高15长度(mm)-5,0尺量15.2.3外观鉴定1)蜂窝麻面面积不得超过该面面积的1%。不符合要求时,每超过1%减3分;深度超过1cm的必须处理。2)混凝土表面平整。不符合要求时减1~2分。管道基础及管节安装实测项目项次检查项目规定值或允许偏差检查方法和频率权值1△混凝土抗压强度或砂浆强度(MPa)在合格标准内按附录D、F检查32管轴线偏位(mm)15经纬仪或拉线:每两井间测3处23管内底高程(mm)土10水准仪:每两井间测2处24基础厚度(mm...

1、当您付费下载文档后,您只拥有了使用权限,并不意味着购买了版权,文档只能用于自身使用,不得用于其他商业用途(如 [转卖]进行直接盈利或[编辑后售卖]进行间接盈利)。
2、本站所有内容均由合作方或网友上传,本站不对文档的完整性、权威性及其观点立场正确性做任何保证或承诺!文档内容仅供研究参考,付费前请自行鉴别。
3、如文档内容存在违规,或者侵犯商业秘密、侵犯著作权等,请点击“违规举报”。

碎片内容

路基路面复习资料

您可能关注的文档

确认删除?
VIP
微信客服
  • 扫码咨询
会员Q群
  • 会员专属群点击这里加入QQ群
客服邮箱
回到顶部